EasyManua.ls Logo

Pace PRC 2000 - Parts and Accessories; Power Source Component List Continued

Pace PRC 2000
82 pages
Print Icon
To Next Page IconTo Next Page
To Next Page IconTo Next Page
To Previous Page IconTo Previous Page
To Previous Page IconTo Previous Page
Loading...
58
REPAIR
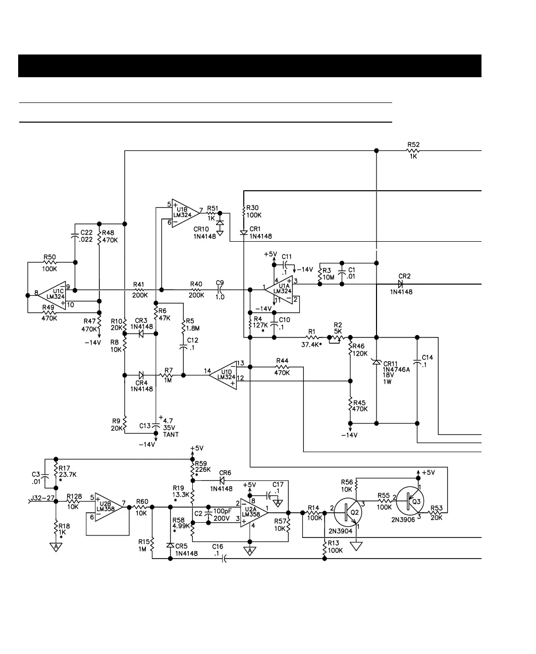
MULTIFUNCTION PCB ASSEMBLY SCHEMATIC CONT'D
Figure 23. Multifunction PCB Assembly Schematic Cont'd
Sheet 3 of 3

Related product manuals