EasyManua.ls Logo

Pacific Scientific OC950 - Page 40

Default Icon
87 pages
Print Icon
To Next Page IconTo Next Page
To Next Page IconTo Next Page
To Previous Page IconTo Previous Page
To Previous Page IconTo Previous Page
Loading...
OC950
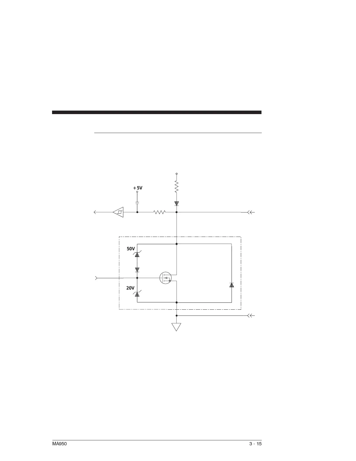
Bi-Directional I/O
Channel
A schematic diagram of a single OCIO channel is shown below.
MA950 3-15
+5V
50V
20V
74AC14
Vmin=3.5V
IH
Vmax=1.0V
IL
Vds clamp = 50V
Imax = 100mA
Rds on =
5.0 Ohms typical
9.5 Ohms maximum
@ 125 Deg C
Imax = 100mA
INPUT
(SENSE)
OUTPUT
(CONTROL)
TO MPU
470PF
220K
1N914B
GNDIO
TPIC6B273
(Output Stage)
10K
OCIO
I/O RETURN
+12V