EasyManua.ls Logo

Panasonic CS-E10HB4EA - Cs-E10 Hb4 Ea Cu-E10 Hbea

Panasonic CS-E10HB4EA
88 pages
Print Icon
To Next Page IconTo Next Page
To Next Page IconTo Next Page
To Previous Page IconTo Previous Page
To Previous Page IconTo Previous Page
Loading...
20
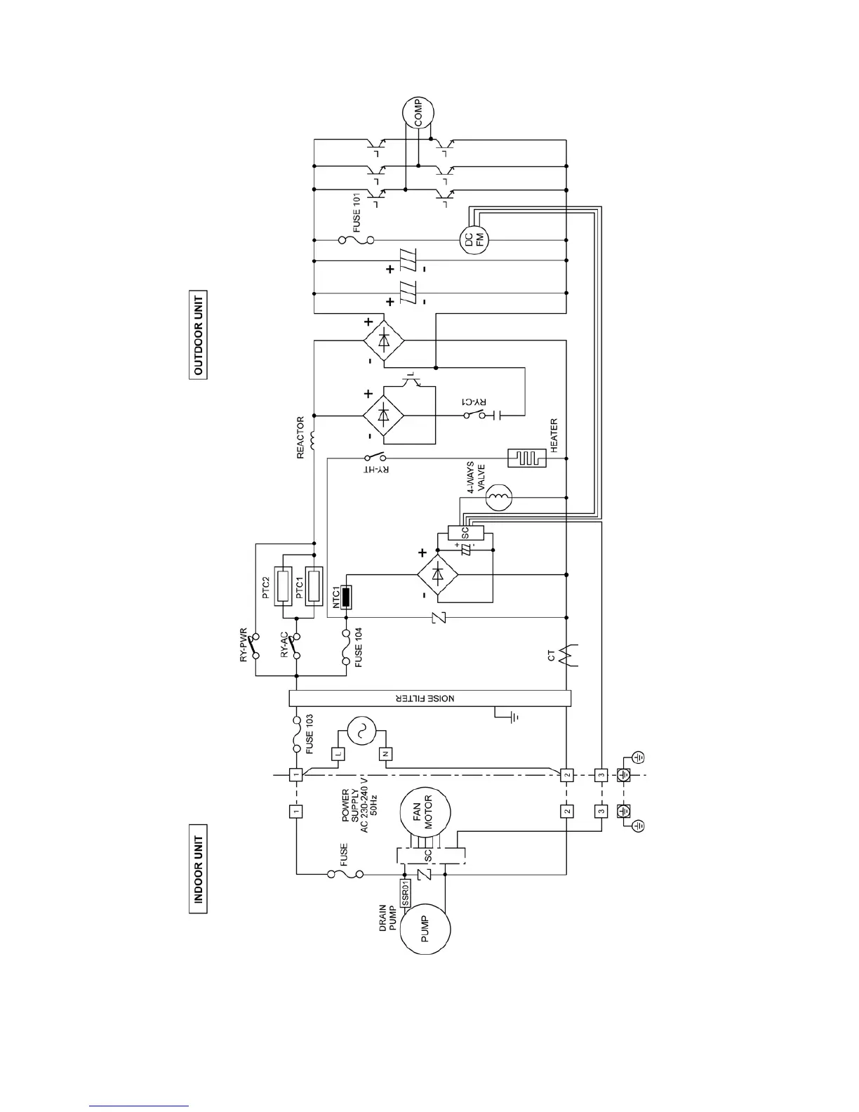
7.2. CS-E10HB4EA CU-E10HBEA

Table of Contents

Other manuals for Panasonic CS-E10HB4EA

Related product manuals