EasyManua.ls Logo

Panasonic CS-E10HB4EA - Outdoor Unit

Panasonic CS-E10HB4EA
88 pages
Print Icon
To Next Page IconTo Next Page
To Next Page IconTo Next Page
To Previous Page IconTo Previous Page
To Previous Page IconTo Previous Page
Loading...
22
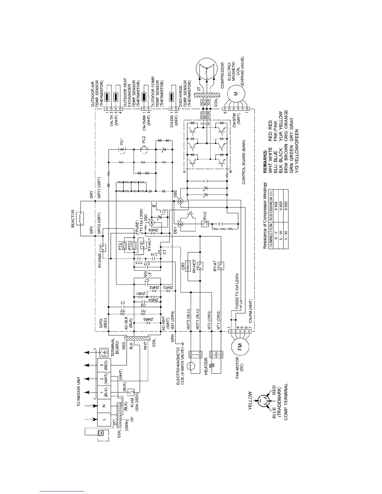
8.2. Outdoor Unit
8.2.1. CU-E15HBEA CU-E18HBEA CU-E21HBEA

Table of Contents

Other manuals for Panasonic CS-E10HB4EA

Related product manuals