EasyManua.ls Logo

Panasonic CS-E10HB4EA - Page 26

Panasonic CS-E10HB4EA
88 pages
Print Icon
To Next Page IconTo Next Page
To Next Page IconTo Next Page
To Previous Page IconTo Previous Page
To Previous Page IconTo Previous Page
Loading...
26
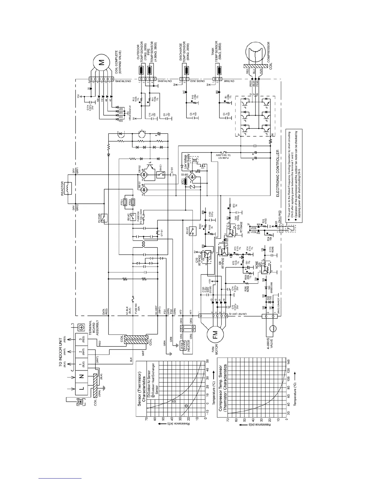
9.2.2. CU-E10HBEA

Table of Contents