EasyManua.ls Logo

Panasonic CS-E15DB4EW - Page 89

Panasonic CS-E15DB4EW
98 pages
Print Icon
To Next Page IconTo Next Page
To Next Page IconTo Next Page
To Previous Page IconTo Previous Page
To Previous Page IconTo Previous Page
Loading...
CN-DRMTR1
DRAIN
MOTOR
CN-DRMTR2
AC01(BLK)
C14
0.22µ
630V
C42
100µ
25V
C41
0.01µ
G01
(GRN)
1
2
3
1
2
3
4
DRAIN
MOTOR
C07
4700p
250VAC
C08
4700p
250VAC
C39
100p
250VAC
AC02
(WHT)
AC03
(RED)
C09
2200p
250VAC
4
1
2
3
PC01
A52LP421GR
4
1
2
3
PC02
TLP421
R45
6.2k
R44
6.2k
D03
Q02
ZD01
ZD02
R50
10k
R49
620
R51
20k
R25
330k
R24
1.21k
R53
5.6k
R52
47k
Q03
2SD2531
C06
1000p
2
4
6
7
5
3
1
CN-FM
4
1
2
3
PC04
B3PAAD000209
R47
7.5k
C36
0.47µ
25V
C12
22µ
50V
R67
6.2k1/4W
R68
6.22k1/4W
ZD03
ZD04
Q04
UNR211L
c
e
b
R07
4.75k
R06
10k
R01
1k
R08
5.62k
ZD05
1
2
1
2
33
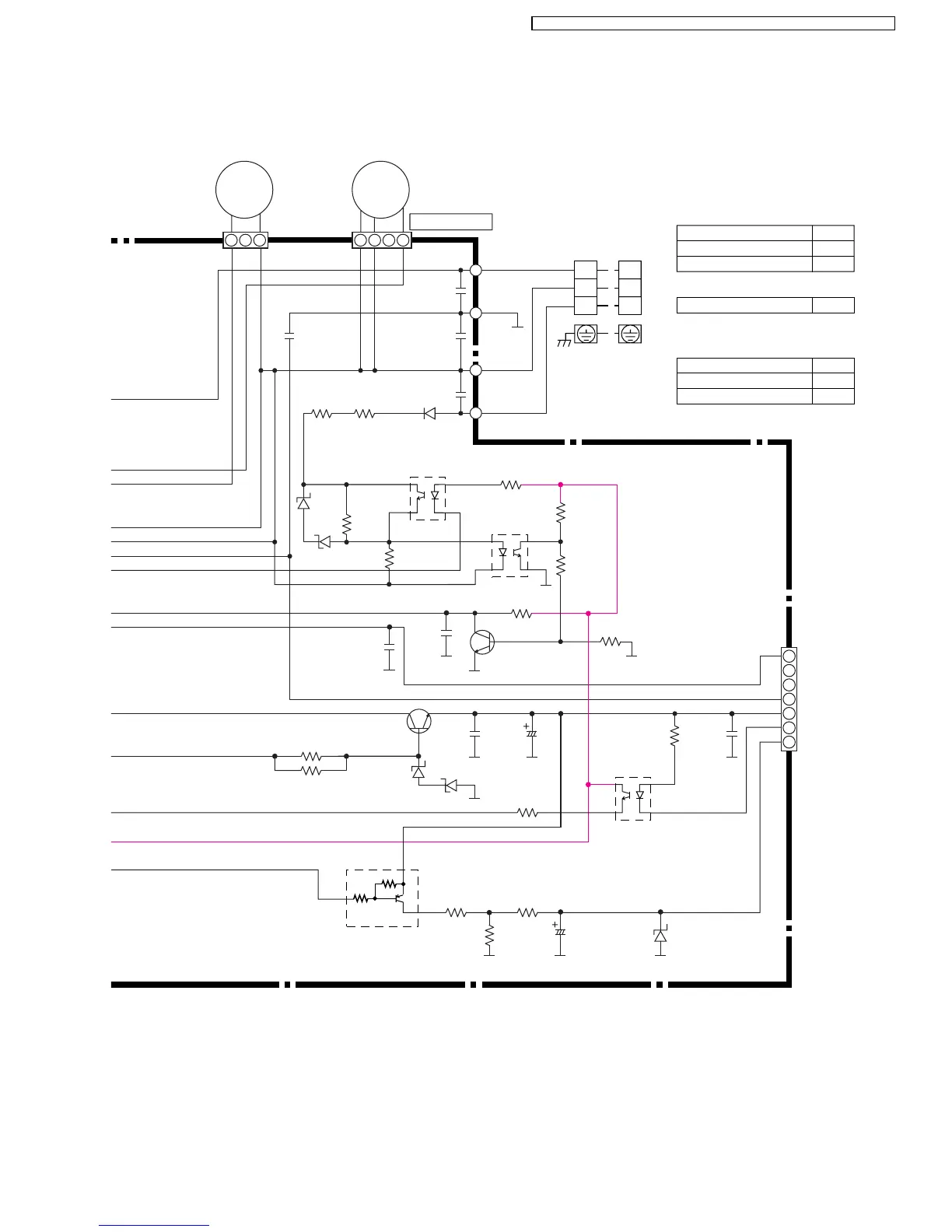
Table 1
High Static Pressure
High
Usual
SW01
ON
OFF
Table 3
MIST Protection
Without Mist Protection
With Mist Protection
JX1
Jumper
None
Table 2
Drain Pump Test Run SW SW02
SCHEMATIC DIAGRAM 4/4
89
CS-E15DB4EW CU-E15DBE / CS-E18DB4EW CU-E18DBE / CS-E21DB4ES CU-E21DBE

Table of Contents

Related product manuals