EasyManua.ls Logo

Panasonic CS-E18HKEW - Dimensions; Indoor Unit & Remote Control

Panasonic CS-E18HKEW
70 pages
Print Icon
To Next Page IconTo Next Page
To Next Page IconTo Next Page
To Previous Page IconTo Previous Page
To Previous Page IconTo Previous Page
Loading...
17
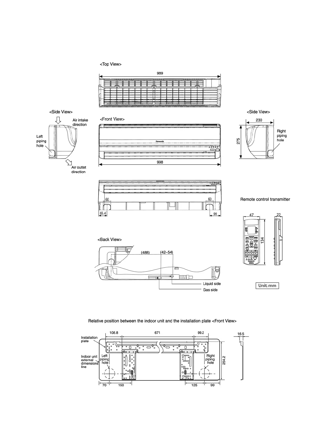
5 Dimensions
5.1. Indoor Unit & Remote Control

Table of Contents

Related product manuals