EasyManua.ls Logo

Panasonic CS-E18HKEW - Wiring Connection Diagram; Indoor Unit

Panasonic CS-E18HKEW
70 pages
Print Icon
To Next Page IconTo Next Page
To Next Page IconTo Next Page
To Previous Page IconTo Previous Page
To Previous Page IconTo Previous Page
Loading...
21
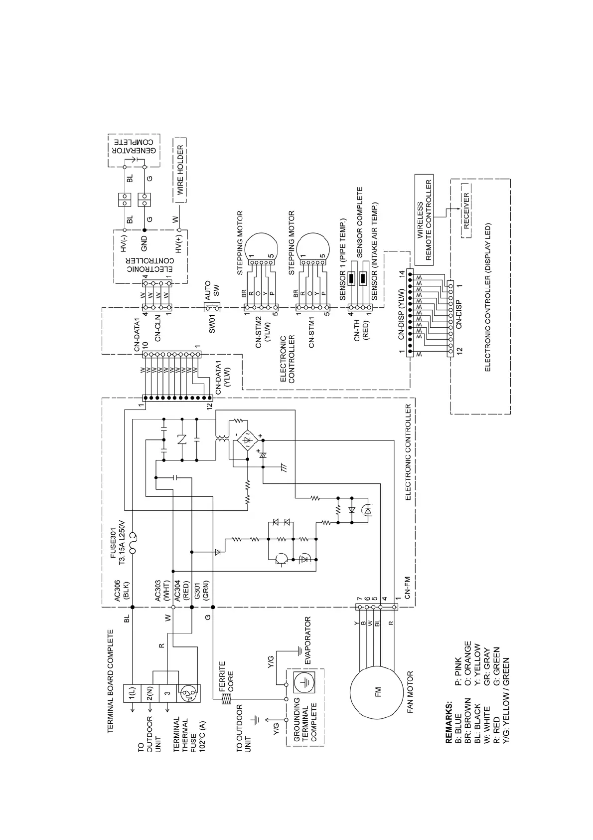
8 Wiring Connection Diagram
8.1. Indoor Unit
8.1.1. CS-E18HKEW

Table of Contents

Related product manuals