EasyManua.ls Logo

Panasonic CS-E7PKEW - Page 45

Panasonic CS-E7PKEW
208 pages
Print Icon
To Next Page IconTo Next Page
To Next Page IconTo Next Page
To Previous Page IconTo Previous Page
To Previous Page IconTo Previous Page
Loading...
45
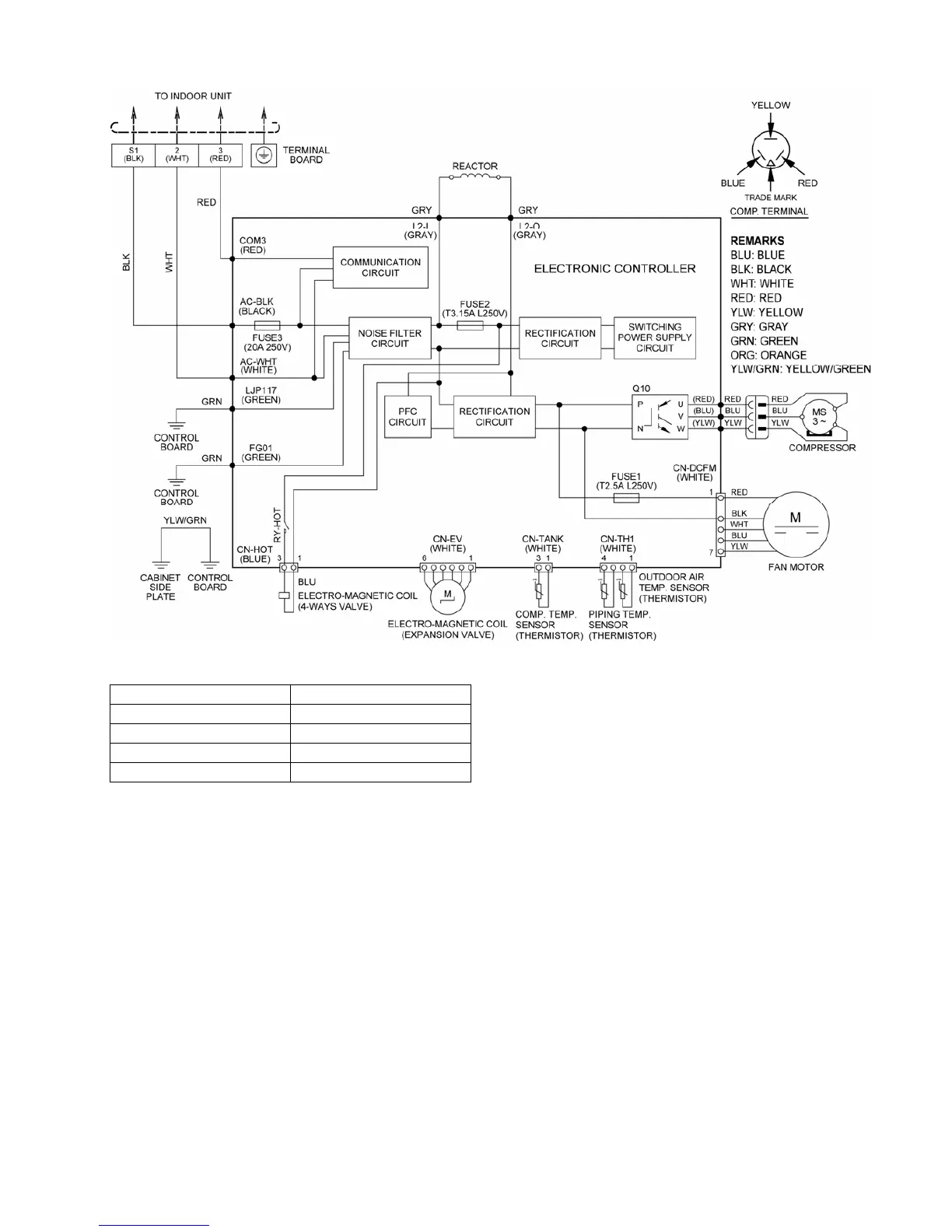
8.2.3 CU-E18PKE CU-E21PKE
Resistance of Compressor Windings
MODEL CU-E18PKE / CU-E21PKE
CONNECTION 5RD102XBA21 ()
U-V 1.897
U-W 1.907
V-W 1.882
Note: Resistance at 20°C of ambient temperature.

Table of Contents

Related product manuals