EasyManua.ls Logo

Panasonic CS-E7PKEW - Page 46

Panasonic CS-E7PKEW
208 pages
Print Icon
To Next Page IconTo Next Page
To Next Page IconTo Next Page
To Previous Page IconTo Previous Page
To Previous Page IconTo Previous Page
Loading...
46
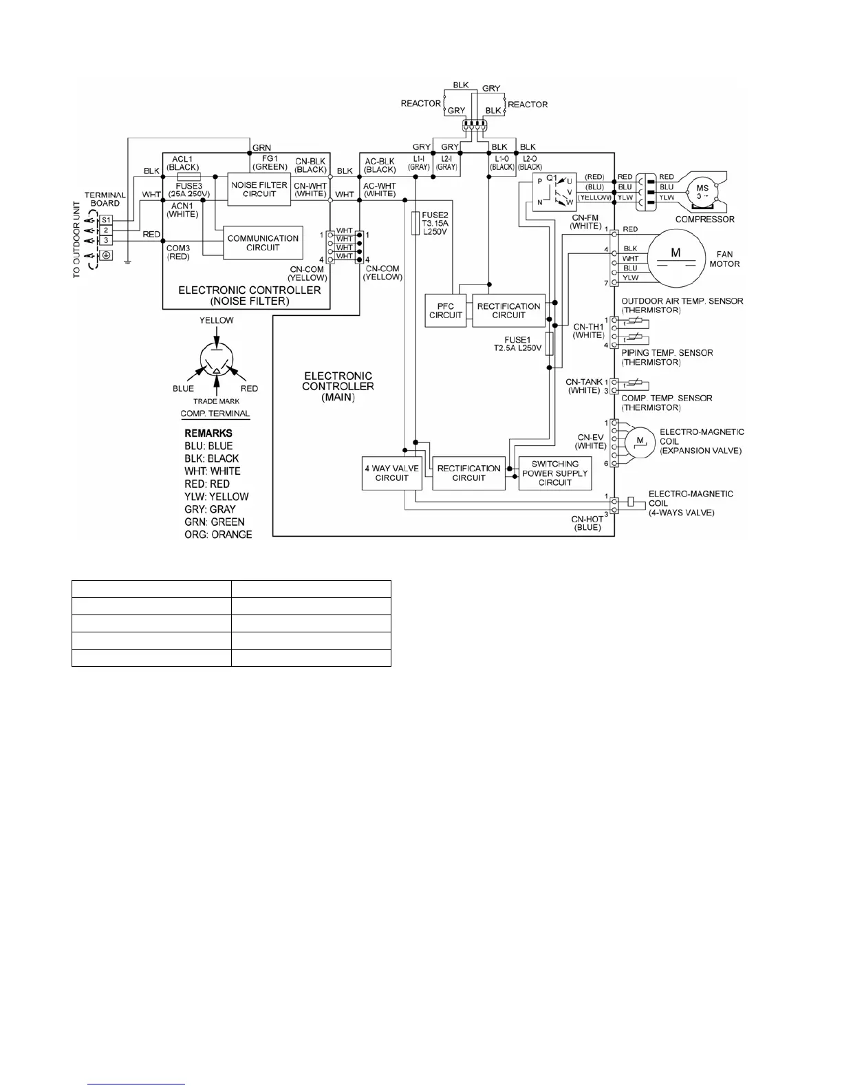
8.2.4 CU-E24PKE
Resistance of Compressor Windings
MODEL CU-E24PKE
CONNECTION 5KD240XAF21 ()
U-V 0.720
U-W 0.726
V-W 0.708
Note: Resistance at 20°C of ambient temperature.

Table of Contents

Related product manuals