EasyManua.ls Logo

Panasonic CS-TZ25ZKEW

Panasonic CS-TZ25ZKEW
235 pages
To Next Page IconTo Next Page
To Next Page IconTo Next Page
To Previous Page IconTo Previous Page
To Previous Page IconTo Previous Page
Loading...
45
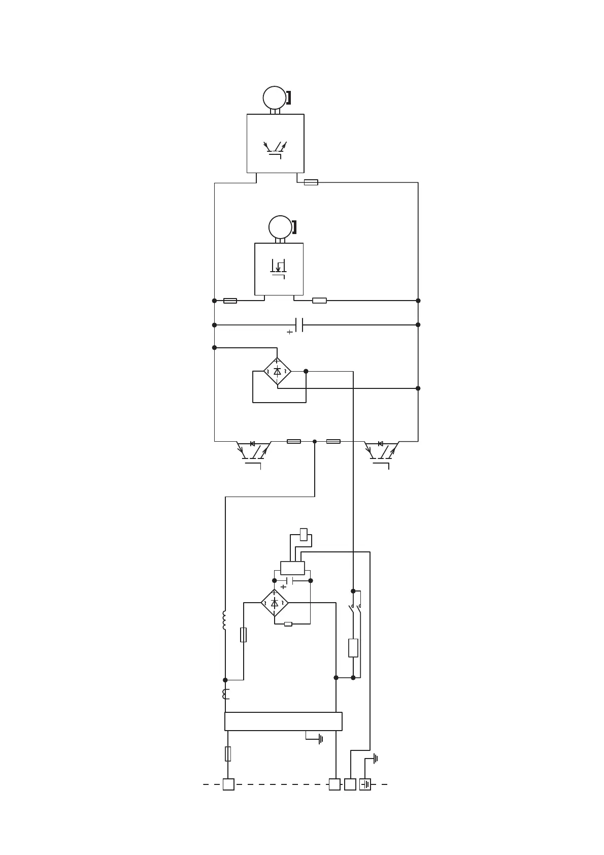
8.2.2 CU-TZ50ZKE CU-TZ60ZKE CU-TZ71ZKE CU-RZ50ZKE
3
2
S1
IC19
Q1
FAN MOTOR
COMPRESSOR
FUSE1
FUSE2
DB101
FUSE3
DB102
REACTOR
4-WAY
VALVE
SC
NTC
TH1
SEN1
RY-PWR
RY-AC
PTC1
PTC
MS
3 ~
MS
3 ~
(OUTDOOR UNIT)
NOISE FILTER
Q510
FUSE4
FUSE5
Q511

Table of Contents

Other manuals for Panasonic CS-TZ25ZKEW

Related product manuals