EasyManua.ls Logo

Panasonic CS-TZ25ZKEW

Panasonic CS-TZ25ZKEW
235 pages
To Next Page IconTo Next Page
To Next Page IconTo Next Page
To Previous Page IconTo Previous Page
To Previous Page IconTo Previous Page
Loading...
48
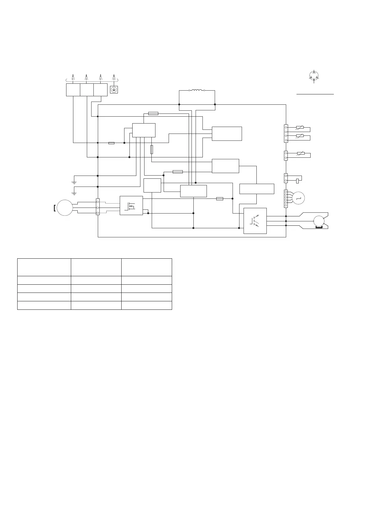
9.2 Outdoor Unit
9.2.1 CU-TZ20ZKE CU-TZ25ZKE CU-TZ35ZKE CU-TZ42ZKE CU-RZ25ZKE
CU-RZ35ZKE
Resistance of Compressor Windings
MODEL
CU-TZ20ZKE,
CU-TZ25ZKE,
CU-RZ25ZKE
CU-TZ35ZKE,
CU-TZ42ZKE,
CU-RZ35ZKE
CONNECTION 9GS075XCA21 (Ω) 9RS102XRA21 (Ω)
U-V 3.333 2.389
U-W 3.333 2.389
V-W 3.333 2.389
Note: Resistance at 20°C of ambient temperature.
OUTDOOR AIR TEMP.
SENSOR
(THERMISTOR)
PIPING TEMP. SENSOR
(THERMISTOR)
COMP. TEMPERATURE
SENSOR
(THERMISTOR)
U (RED) RED
P
FUSE104
T3.15A L250V
FUSE102
T3.15A L250V
FUSE105
(15A 250V)
FUSE103
T3.15A L250V
GRY
GRY
REACTOR
NOISE FILTER
CIRCUIT
COMMUNICATION
CIRCUIT
RECTIFICATION
CIRCUIT
PFC
CIRCUIT
RECTIFICATION
CIRCUIT
SWITCHING POWER
SUPPLY CIRCUIT
TERMINAL
BOARD
TO INDOOR UNIT
2
S1
3
BLK
GRN
GRN
FUSE 101
(20A 250V)
BRW
BLU
DATA
(
BLK
)
AC-BRW
(BRW)
AC-BLU
(BLU)
FG 1
(GRN)
FG 2
(GRN)
MS
1
ELECTRONIC CONTROLLER
W
U
V
IC19
CN-MTR2
(WHT)
10
16
14
3
5
3 ~
FAN
MOTOR
RAT2
(GRY)
RAT1
(GRY)
N
Q1
U
V
W
BLU
YLW
YLW
YLW
V (BLU)
W (YLW)
COMPRESSOR
MS
M
3 ~
CN –TANK
(WHT)
CN –TH
(WHT)
1
4
1
3
ELECTRO-MAGNETIC
COIL
(4-WAYS VALVE)
ELECTRO-MAGNETIC
COIL
(EXPANSION VALVE)
CN –HOT
(WHT)
CN-STM
(WHT)
1
3
1
6
REMARKS;
BLACK; (BLK)
WHITE; (WHT)
YELLOW; (YLW)
ORANGE; (ORG)
YELLOW/GREEN; (YLW/GRN)
BLUE; (BLU)
RED; (RED)
BROWN; (BRW)
YELLOW (YEL)
BLUE(BLU) RED (RED)
(TRADEMARK)
COMPRESSOR TERMINAL
THE PARENTHESIZED LETTERS IS
INDICATED ON TERMINAL COVER

Table of Contents

Other manuals for Panasonic CS-TZ25ZKEW

Related product manuals