EasyManua.ls Logo

Panasonic CS-TZ60ZKEW - Page 49

Panasonic CS-TZ60ZKEW
235 pages
To Next Page IconTo Next Page
To Next Page IconTo Next Page
To Previous Page IconTo Previous Page
To Previous Page IconTo Previous Page
Loading...
49
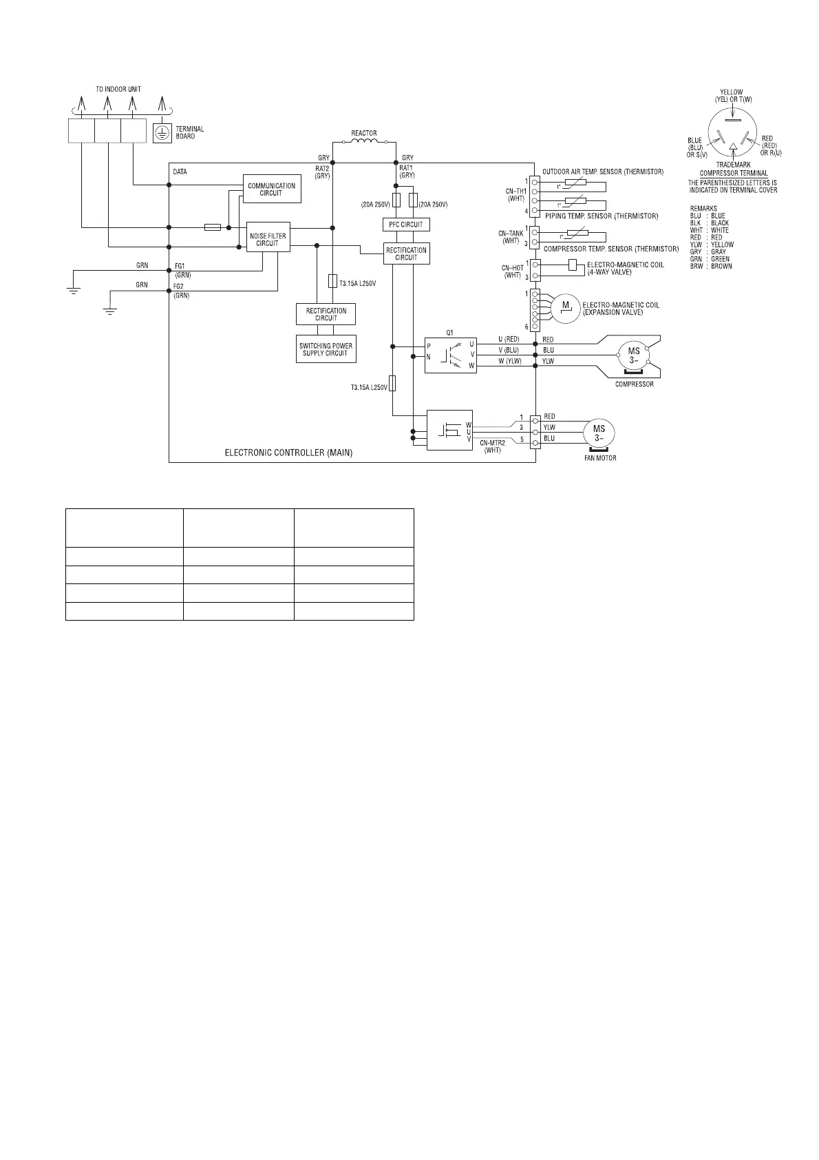
9.2.2 CU-TZ50ZKE CU-TZ60ZKE CU-TZ71ZKE CU-RZ50ZKE
Resistance of Compressor Windings
MODEL
CU-TZ50ZKE,
CU-TZ60ZKE,
CU-RZ50ZKE
CU-TZ71ZKE
CONNECTION 9RD132XGB21 (Ω) 9RD220XBA21 (Ω)
U-V 1.708 0.998
U-W 1.708 0.998
V-W 1.708 0.998
Note: Resistance at 20°C of ambient temperature.
FUSE 4 FUSE 5
FUSE 3
IC19
28
1
2
11
FUSE 2
BLK
BLU
BRW
(BLK)
AC-BRW
(BRW)
FUSE 1
(25A 250V)
AC-BLU
(BLU)
SOUND PROOF
BOARD
CN-STM1
(WHT)
S1 2 3

Table of Contents

Other manuals for Panasonic CS-TZ60ZKEW

Related product manuals