EasyManua.ls Logo

Panasonic CS-TZ60ZKEW - Page 53

Panasonic CS-TZ60ZKEW
235 pages
To Next Page IconTo Next Page
To Next Page IconTo Next Page
To Previous Page IconTo Previous Page
To Previous Page IconTo Previous Page
Loading...
53
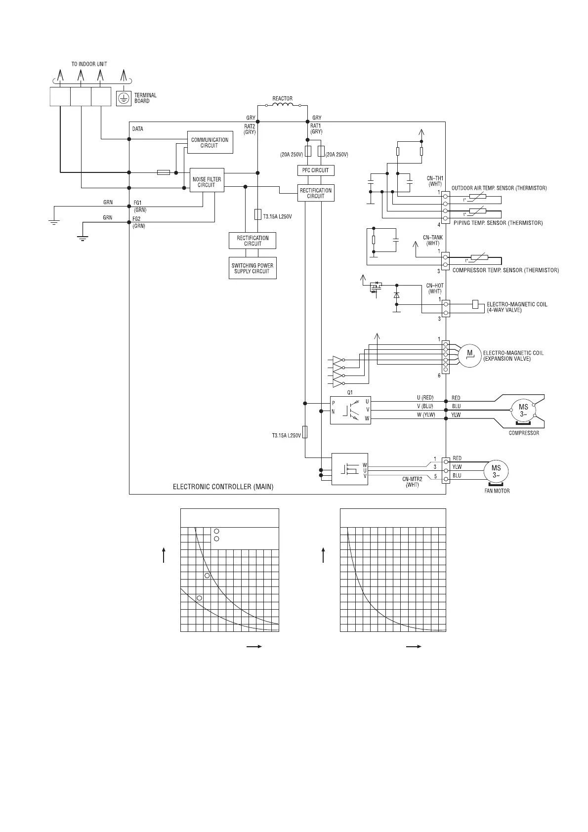
10.2.2 CU-TZ50ZKE CU-TZ60ZKE CU-TZ71ZKE CU-RZ50ZKE
Sensor (Thermistor)
Characteristics
70
60
50
40
30
20
10
0
-10 0 10
Temperature (
o
C)
Resistance (kΩ)
20 30 40 50
1
2
1
2
Outdoor Air Sensor
Outdoor Heat Exchanger
Sensor
Compressor Temp. Sensor
(Thermistor) Characteristics
70
60
50
40
30
20
10
0
20 40 60
Temperature (
o
C)
Resistance (kΩ)
80 100 120 140
FUSE 4 FUSE 5
FUSE 3
IC19
28
1
2
11
FUSE 2
BLK
BLU
BRW
(BLK)
AC-BRW
(BRW)
FUSE 1
(25A 250V)
AC-BLU
(BLU)
SOUND PROOF
BOARD
CN-STM1
(WHT)
S1 2 3
R202
15k
1%
R201
15.8k
1%
G5
5V
C10C9
5V
G5
R206
4.99k
1%
C99
16V
*D606
AK
G4A
D
G
S
*Q609
*IC8
1
2
3
4
16
15
14
13
15V

Table of Contents

Other manuals for Panasonic CS-TZ60ZKEW

Related product manuals