EasyManua.ls Logo

Panasonic CS-Z20VKEW

Panasonic CS-Z20VKEW
213 pages
To Next Page IconTo Next Page
To Next Page IconTo Next Page
To Previous Page IconTo Previous Page
To Previous Page IconTo Previous Page
Loading...
33
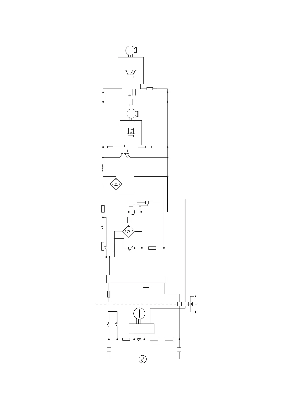
8. Block Diagram
8.1 CS-Z20VKEW CU-Z20VKE CS-XZ20VKEW CU-Z20VKE
(OUTDOOR UNIT)
3
2
S1
RY-PWR
TEMP. FUSE
U
FUSE301
SC
M
TEMP. FUSE
(INDOOR UNIT)
SINGLE
PHASE
POWER
SUPPLY
RY-PWR2
N
L1
IC19
FUSE105
FUSE101
FUSE102
FUSE103
FUSE104
MS
3 ~
REACTOR
4-WAYS
VALVE
NTC
TH1
SC
RY-PWR
RY-AC
PTC
PTC1
MS
3 ~
NOISE FILTER

Table of Contents

Other manuals for Panasonic CS-Z20VKEW

Related product manuals