EasyManua.ls Logo

Panasonic CS-Z20VKEW

Panasonic CS-Z20VKEW
213 pages
To Next Page IconTo Next Page
To Next Page IconTo Next Page
To Previous Page IconTo Previous Page
To Previous Page IconTo Previous Page
Loading...
39
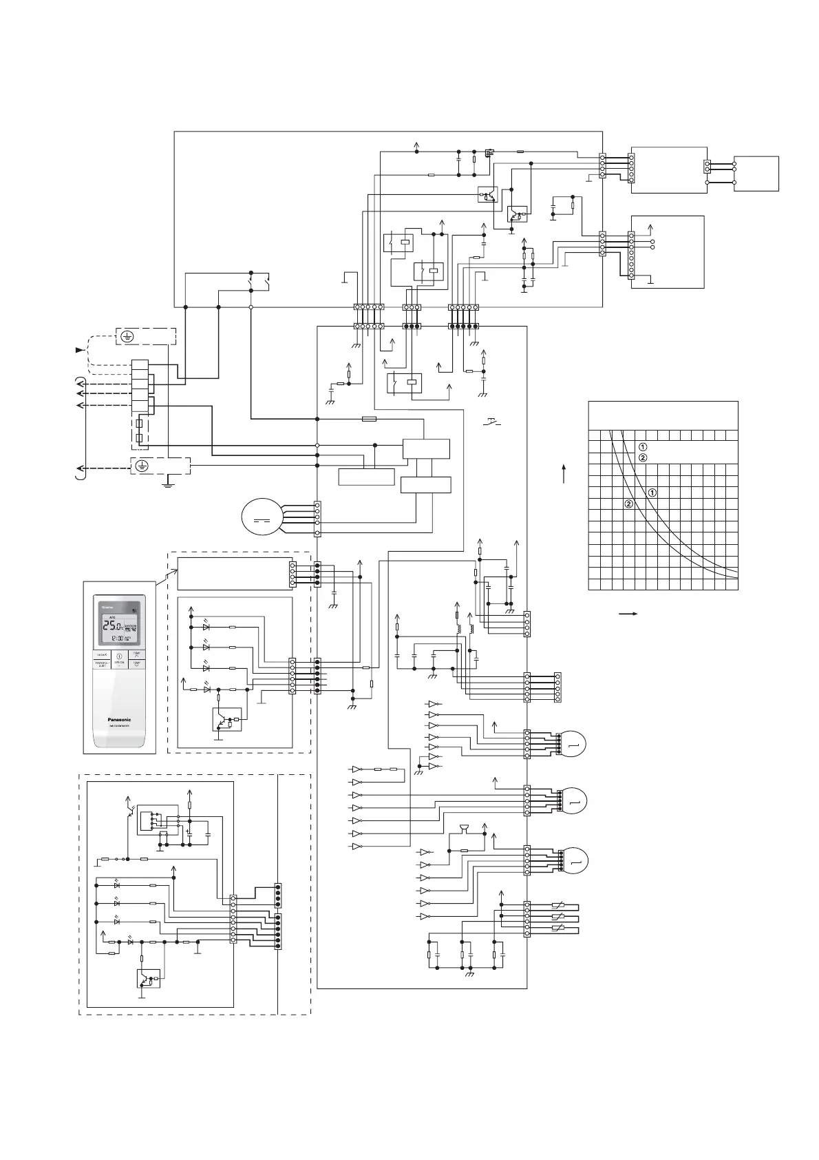
10. Electronic Circuit Diagram
10.1 Indoor Unit
70
60
50
40
30
20
-10 0 10 20 30 40 50
10
0
Resistance (kΩ)
Sensor (Thermistor)
Characteristics
Pipe temp. Sensor
Intake Air Temp. Sensor
Temperature (°C)
W
W
W
W
W
W
W
W
4
1
1
1
6
8
CN-RCV
(YLW)
CN-DISP
(WHT)
CN-DISP
(YLW)
ELECTRONIC
CONTROLLER
(RECEIVER & DISPLAY)
(FOR Z50/71VKEW & XZ50VKEW ONLY)
C402
0.01u
16V
B1
C401
47u
6.3V
KRE
1
2
3
5V
5V
5V
13V
LED201
AK
LED203
AK
LED204
AK
LED202
AK
R221
R222
C
E
B
Q1
GND-A
GND-A
R223
R204
R201
R202
R203
R214
GND-A
SEN201
GND-A
R413 JP404
R414
C
E
IC401
R409
47
45
VOUT
VCC
GND
SW01
GROUNDING
TERMINAL
TO OUTDOOR UNIT
POWER SUPPLY
TERMINAL
BOARD
S1
N
L1
2
3
TEMP. FUSE
102ºC (250V, 3A)
TEMP. FUSE
102ºC (250V, 3A)
Y/G
Y/G
EVAPORATOR
BR
Y
RY-PWR
ELECTRONIC CONTROLLER (SUB)
RY-PWR2
(YELLOW)
AC302
(BROWN)
ACL501
(BLACK)
AC306
BLACK
CN-101
(GRN)
CN-DATA 1
(GRN)
CN-DATA 3
(YLW)
CN-DATA 2
(YLW)
CN1
(WHT)
HIGH VOLTAGE
POWER SUPPLY
CN2
(WHT)
NANOE
GENERATOR
1
1
1
1
4
1
2
3
5
CN-102
(WHT)
1
3
CN-103
(WHT)
1
5
1
5
1
5
3
5
W
W
W
W
W
W
W
W
W
W
W
W
W
P
W
W
W
G
R
R
R
O
O
O
Y
Y
Y
P
P
P
Y
GR
BR
BR
BR
BR
BL
B
W
BL
1
1
1
1
1
1
1
1
1
1
4
5
5
5
5
6
5
5
5
5
CN-WLAN
(BLK)
CN-RMT
(WHT)
CN-CNT
(WHT)
CN-STM1
(WHT)
CN-STM2
(YLW)
CN-STM3
(BLU)
CN-TH
(RED)
M
M
M
PIPING TEMPERATURE SENSOR 2 (THERMISTOR)
PIPING TEMPERATURE SENSOR 1 (THERMISTOR)
SUCTION TEMPERATURE SENSOR (THERMISTOR)
UP DOWN LOUVER
MOTOR (OUTER)
UP DOWN LOUVER
MOTOR (INNER)
LEFT RIGHT
LOUVER MOTOR
NOISE FILTER
CIRCUIT
RECTIFICATION
CIRCUIT
ELECTRONIC CONTROLLER (MAIN)
COMMUNICATION
CIRCUIT
FUSE301
T3.15A L250V
AC306 (BLK)
AC303 (WHT)
AC304 (RED)
G301 (GRN)
W
R
G
FAN MOTOR
W
W
W
W
W
W
W
W
W
W
BL
W
B
R
Y
7
6
5
4
4
4
1
1
1
1
1
6
6
CN-RCV
(YLW)
CN-FM (WHT)
CN-RCV
(WHT)
CN-DISP
(WHT)
CN-DISP
(YLW)
ELECTRONIC CONTROLLER
(DISPLAY)
REMOTE CONTROLLER
ELECTRONIC
CONTROLLER
(RECEIVER)
GROUNDING
TERMINAL
M
CN-NANO
(YLW)
1
1
3
8
4
CN-WLAN
(WHT)
GR
GR
GR
GR
ELECTRONIC
CONTROLLER
(WIFI MODULE)
(FOR Z20/25/35/42VKEW &
XZ20/25/35VKEW ONLY)
5V
R402
NONE
C404
1000p
B1
50V
R403
510
5V
5V
C28
R63
C27
1u
16V
B3
R61
20k
1%
C25
1u
16V
B3
R62
15k
1%
5V
L5L6
12V
F301
32V
500mA
5V
C57
C56
C51
1000p
50V
B1
C52
1000p
50V
B1
R90
10k
5V
C380
NONE
R58
JR4
0
5V
5V
C49
NONE
C47
NONE
R37
10k
R54
270
C45
12V
RY-PWR
NONE
34
12V
12V
G7
5V
R112
R113
C67
50V
12V
R47R46
1/3W
43
1/3W
43
IC05
IC05
IC05
IC05
IC05
IC05
IC05
IC05
16
15
14
13
12
11
10
1
2
3
4
5
6
7
12V
IC06
161
IC06
143
IC06
152
IC06
134
IC06
107
IC06
116
IC06
125
IC06
1
2
12V
5V
BZ01
A48PKM17EPP
R30
1k
IC03
161
IC03
152
IC03
143
IC03
134
IC03
125
IC03
116
IC03
12V_2
RY-PWR2
32
RY-PWR
43
5V
GND-A
GND-A
R201
R202
R203
LED201
C
E
B
AK
LED202
AK
LED203
AK
13V
LED204
AK
R214
R204
R221
Q1
5V_3
5V_3
G3
C400
R401
G3
G3
R93
C401
G3
R405
C402
NONE
R406
NONE
C403
NONE
12V_1
G7
G7
S
-20V
-2A
C
E
B
D
G
G7
R109
C65
R108
Q21
Q18
Q20
F303
32V
500mA
4.7k
10K
50V
100mA
50V
100mA
C
E
B
4.7k
10K
5V
TP2
TP3

Table of Contents

Other manuals for Panasonic CS-Z20VKEW

Related product manuals