EasyManua.ls Logo

Panasonic CS-Z20VKEW

Panasonic CS-Z20VKEW
213 pages
To Next Page IconTo Next Page
To Next Page IconTo Next Page
To Previous Page IconTo Previous Page
To Previous Page IconTo Previous Page
Loading...
76
13.8 <Reference> Analysis method for no error code, no cooling / no
warming
13.8.1 Preparation for appropriate diagnosis
In order to obtain appropriate operation characteristics, minimum 15 minutes or more operation time [testing
operation (rated operation)] is required.
1. Method of rated operation (rated operation)
For the models which have two buttons of “emergency operation and forced cooling operation”, press forced
cooling button once. For the models which have only emergency operation button, press the button once for
5 seconds and when hear “beep” sound, release the button. Then, cooling operation starts.
2. Checking the mal-functions of indoor / outdoor units
1) Any obstacles against heat release and air suction? (short circuit)
(Forget to remove the outdoor unit cover or fallen leaves blocking the outdoor unit)
2) Are the indoor unit air filters clean? (obstructing heat suction)
3) Is the setting temperature on the remote controller correct? (is the setting temperature set at lower/higher
than the room temperature?)
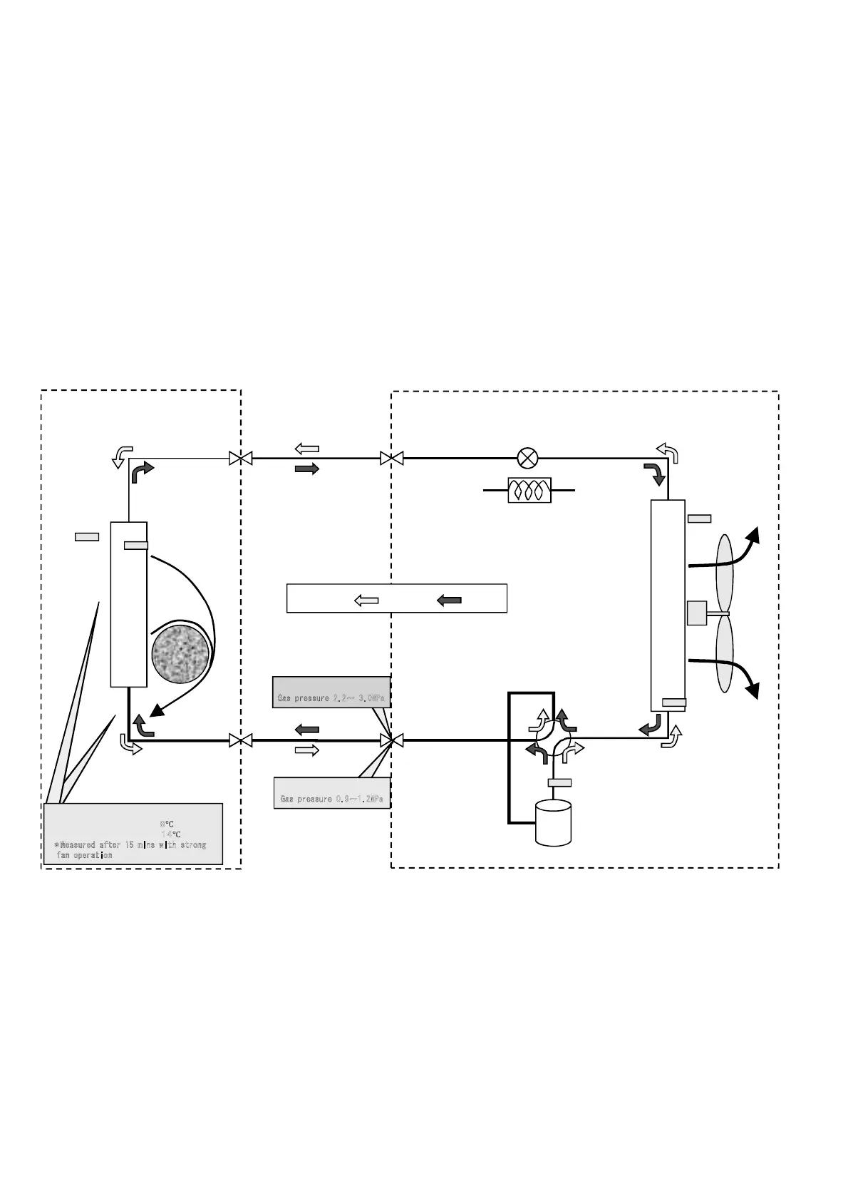
13.8.2 Understanding and verification of refrigerant cycle
Heat exchanger
Heat exchanger
Compressor
COMP
4-way
valve
Condenser
COND
Expansion
valve
Liquid side
2-way
valve
Gas side
3-way
valve
High temp
High pressure
Air
Mid temp /
High pressure
Liquid
Low
temp/
Pressure
liquid
Low temp
Low pressure
Air
Evaporator
EVA
FM
Fan
Fan
Capillary tube
Indoor unit Temp difference
Suction temp Cooling
or more
Release temp Heating
or more
Measured after 15 mins with strong
fan operation
(Cooling)
G
as pressure 0.9~1.2MPa
Low temp /
Low pressure
Air
Low temp /
Low pressure
liquid
(Cooling Heating )
High temp /
High pressure
Air
Mid temp /
high pressure
liquid
Low temp /
Low pressure
Liquid
Low temp /
Low pressure
Air
Mid temp /
High temp
liquid
(Heating)
G
as pressure 2.2~ 3.0MPa
Release temp
Outdoor temp
Suction temp
Heat exchanger
temp
Heat exchanger
temp
High temp / high
pressure
Air
Indoor Outdoor

Table of Contents

Other manuals for Panasonic CS-Z20VKEW

Related product manuals