EasyManua.ls Logo

Panasonic CT-27D32 - Optional Equipment Connections; VCR Connection; Front Control Panel

Panasonic CT-27D32
80 pages
Print Icon
To Next Page IconTo Next Page
To Next Page IconTo Next Page
To Previous Page IconTo Previous Page
To Previous Page IconTo Previous Page
Loading...
6 ?
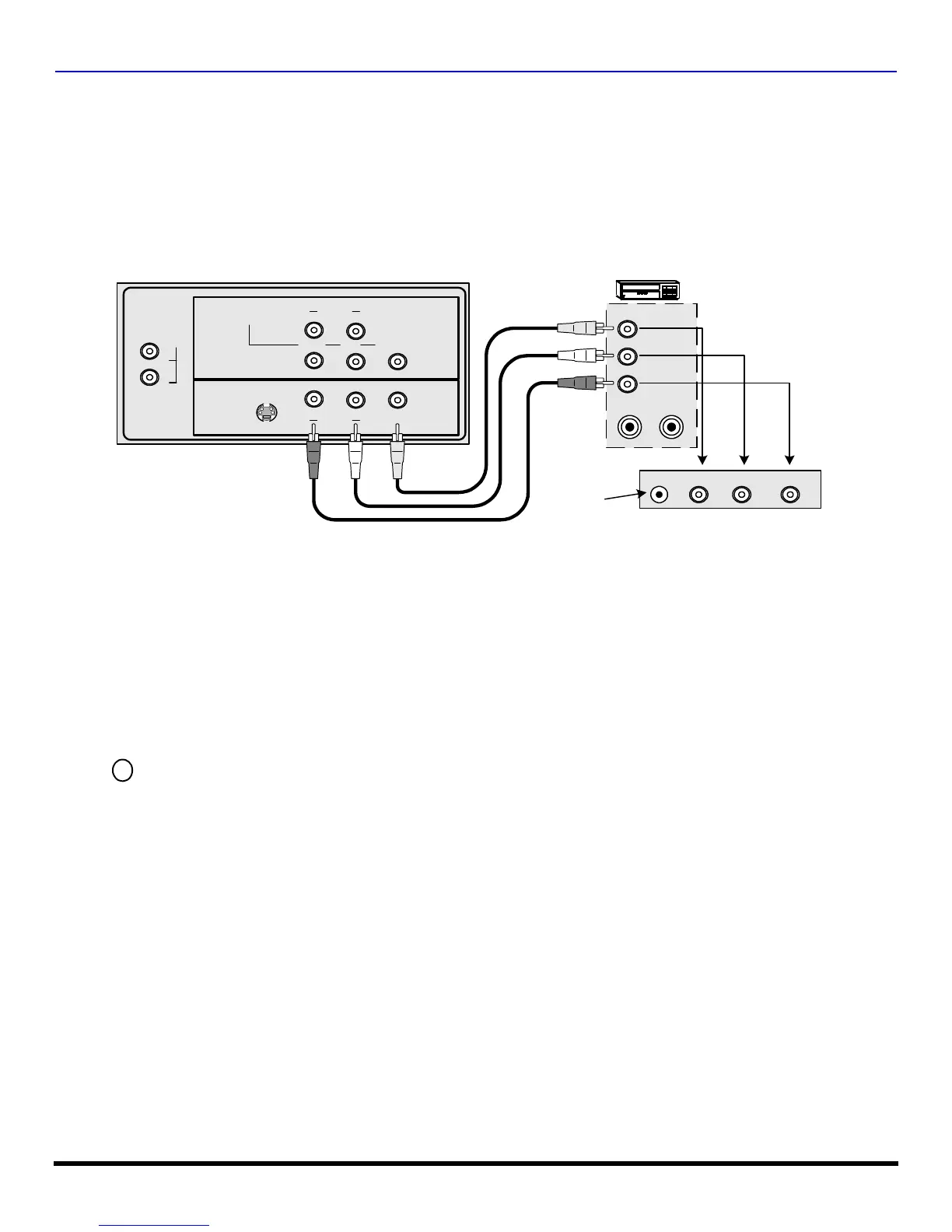
OPTIONAL EQUIPMENT CONNECTIONS
Optional Equipment Connections
VCR Connection
VCRs, video disc players, video game equipment, and DSS equipment can also be connected to the video inputs. See the
optional equipment manual for more information.
Note: VIDEO 1 input is a dual-purpose input. It is primarily intended for connection with 480i devices such as a DVD player
using the Y P
B
P
R
component video jacks and Audio L & R jacks. However, it can also be connected to conventional
composite video sources such as a VCR, using only the Y/Video jack and Audio L & R jacks. The on-screen label will
display Component or Video 1 depending on which source is connected.
Procedure
1. Connect equipment as shown to front or rear Audio/Video input jacks.
Note: Front and rear Audio/Video connectors cannot be operated at the same time.
2. Select the Video mode by pressing TV/VIDEO button.
3. Operate optional equipment as instructed in equipment manual.
Front Control Panel
Press to select VIDEO input mode.
Note: The front control panel can be used to access menus and switch video mode when the remote control is not available.
COMPONENT
VIDEO INPUT
INPUT 1
R AUDIO
L
P
B
P
R
Y/VIDEO
TO AUDIO
AMP
L
R
R AUDIO
LINPUT 2
VIDEO
S-VIDEO
L
R
ANT IN
VIDEO OUT
AUDIO OUT
ANT OUT
Jack used for 1/8"
headpone plug
HPJ VIDEO 3 L AUDIO IN R
CABLES NOT SUPPLIED
VCR
CONNECTION ON BACK OF TV
FRONT OF TV
TV/VIDEO

Table of Contents

Related product manuals