EasyManua.ls Logo

Panasonic CU-4E27CBPG - 7 Block Diagram; Indoor Unit

Panasonic CU-4E27CBPG
121 pages
Print Icon
To Next Page IconTo Next Page
To Next Page IconTo Next Page
To Previous Page IconTo Previous Page
To Previous Page IconTo Previous Page
Loading...
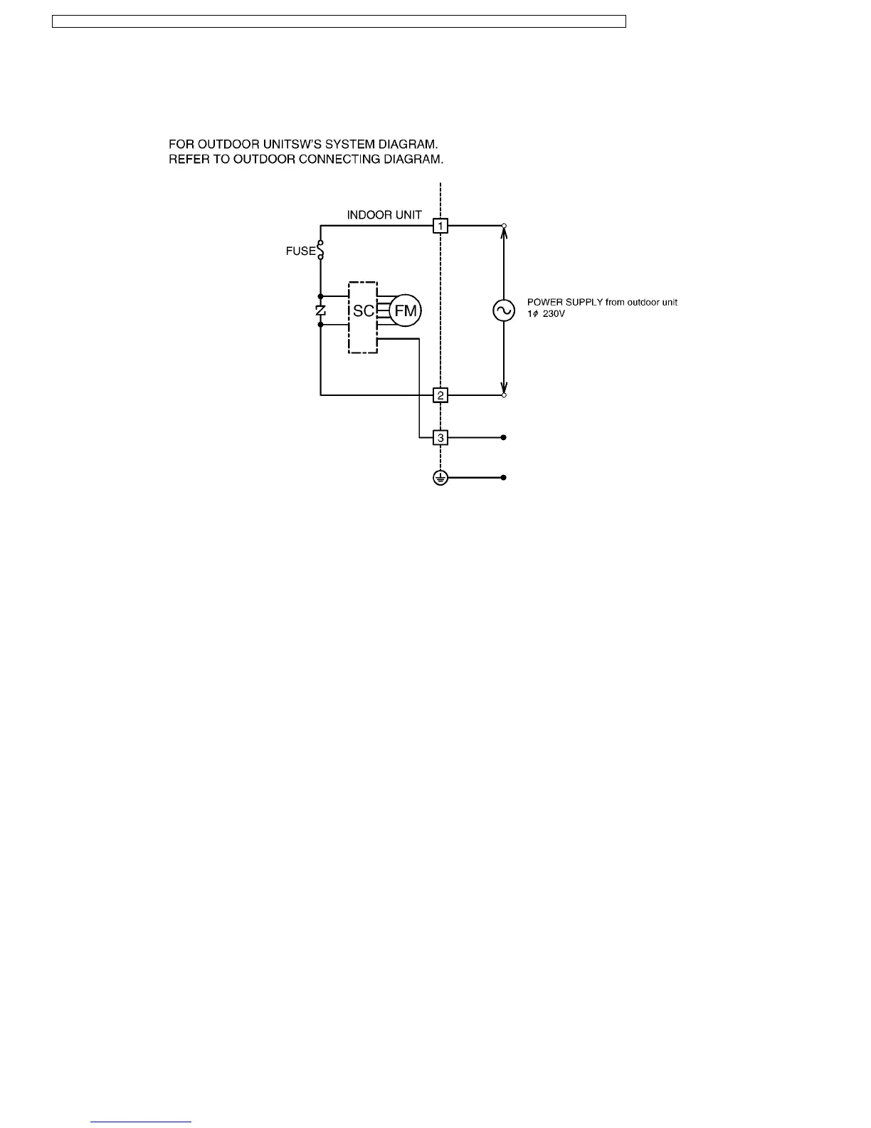
7 Block Diagram
7.1. INDOOR UNIT
18
CS-ME7CKPG / CS-ME10CKPG / CS-ME12CKPG / CS-ME14CKPG / CS-ME18CKPG / CU-2E15CBPG / CU-2E18CBPG / CU-3E23CBPG / CU-4E27CBPG

Table of Contents

Other manuals for Panasonic CU-4E27CBPG

Related product manuals