EasyManua.ls Logo

Panasonic CU-4E27CBPG - 11 Installation Information; Outdoor Unit (Cu-2 E15 Cbpg;2 E18 Cbpg); Check Points

Panasonic CU-4E27CBPG
121 pages
Print Icon
To Next Page IconTo Next Page
To Next Page IconTo Next Page
To Previous Page IconTo Previous Page
To Previous Page IconTo Previous Page
Loading...
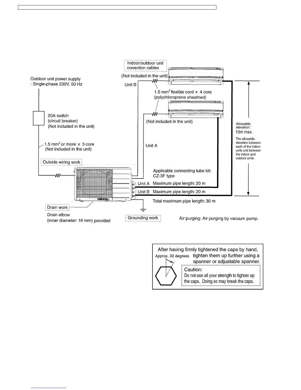
11.1.2. The Shapes of the 3-way Valve
Caps of the Outdoor Unit have
been Changed.
·
Accompanying the changes in the shapes of the 3-way
valve caps, the tightening method has also been changed.
·
Firmly tighten the 3-way valve caps by hand, and then
tighten them up by another 30 degrees or so (one-twelfth of
a full turn) using a spanner or adjustable spanner.
11 Installation Information
11.1. OUTDOOR UNIT (CU-2E15CBPG/2E18CBPG)
11.1.1. Check Points
60
CS-ME7CKPG / CS-ME10CKPG / CS-ME12CKPG / CS-ME14CKPG / CS-ME18CKPG / CU-2E15CBPG / CU-2E18CBPG / CU-3E23CBPG / CU-4E27CBPG

Table of Contents

Other manuals for Panasonic CU-4E27CBPG

Related product manuals