EasyManua.ls Logo

Panasonic DP-MB310EU

Panasonic DP-MB310EU
538 pages
To Next Page IconTo Next Page
To Next Page IconTo Next Page
To Previous Page IconTo Previous Page
To Previous Page IconTo Previous Page
Loading...
436
KX-MB2230EU/ KX-MB2270EU/ KX-MB2515EU/ KX-MB2545EU/ KX-MB2575EU/ DP-MB310EU
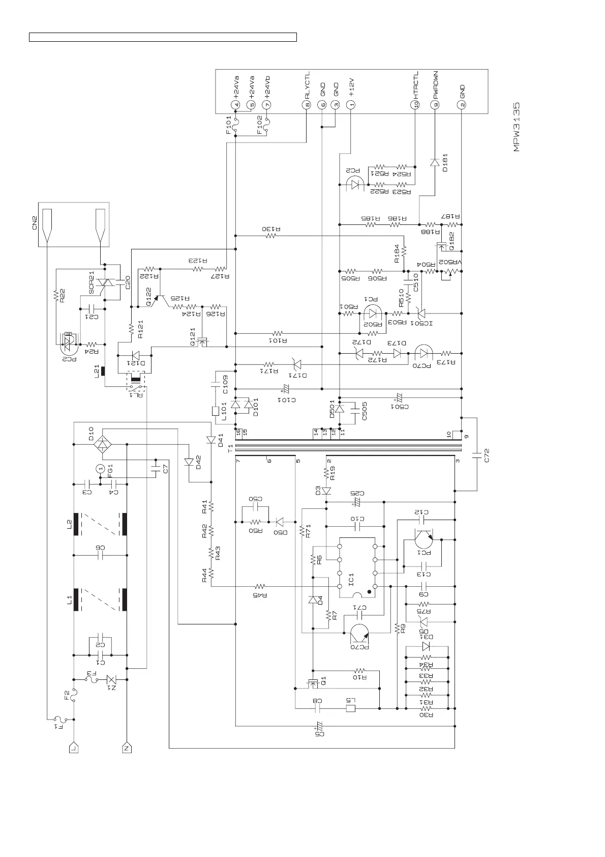
16.16. Low Voltage Power Supply Board (SMPS Board)
LOW VOLTAGE POWER SUPPLY BOARD
KX-MB2230EU / KX-MB2270EU / KX-MB2515EU / KX-MB2545EU / KX-MB2575EU / DP-MB310EU

Table of Contents

Related product manuals