EasyManua.ls Logo

Panasonic FP-X0 L40MR - Page 188

Panasonic FP-X0 L40MR
290 pages
To Next Page IconTo Next Page
To Next Page IconTo Next Page
To Previous Page IconTo Previous Page
To Previous Page IconTo Previous Page
Loading...
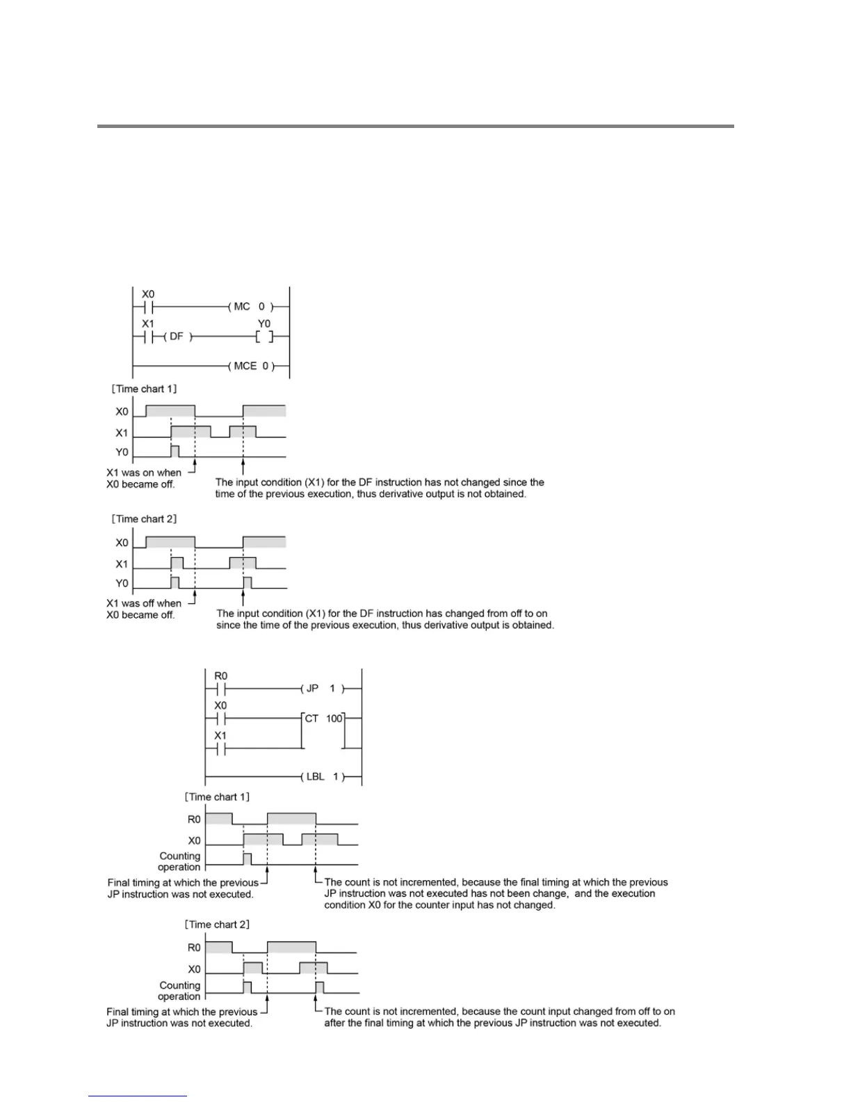
11.2.3 Precautions When Using a Control Instruction
- If a leading edge detection instruction is in a control instruction, it will be executed only under the
following condition: The leading edge detection instruction was off when the execution condition of the
previous control instruction was reset, and the leading edge detection instruction is on when the
execution condition of the current control instruction becomes on.
- When a leading edge detection instruction is used with an instruction which changes the order of
instruction execution such as MC, MCE, JP or LBL, the operation of the instruction may change as
follows depending on input timing. Take care regarding this point.
<Example 1> Using the DF instruction between MC and MCE instructions
<Example 2> Using the CT instruction between JP and LBL instructions
Phone: 800.894.0412 - Fax: 888.723.4773 - Web: www.clrwtr.com - Email: info@clrwtr.com

Table of Contents

Related product manuals