EasyManua.ls Logo

Panasonic FP-X0 L40MR - 6.2 Communication Port Type; 6.2.1 Tool Port; 6.2.2 COM Port (RS485 Port: For L40 MR and L60 MR only)

Panasonic FP-X0 L40MR
290 pages
To Next Page IconTo Next Page
To Next Page IconTo Next Page
To Previous Page IconTo Previous Page
To Previous Page IconTo Previous Page
Loading...
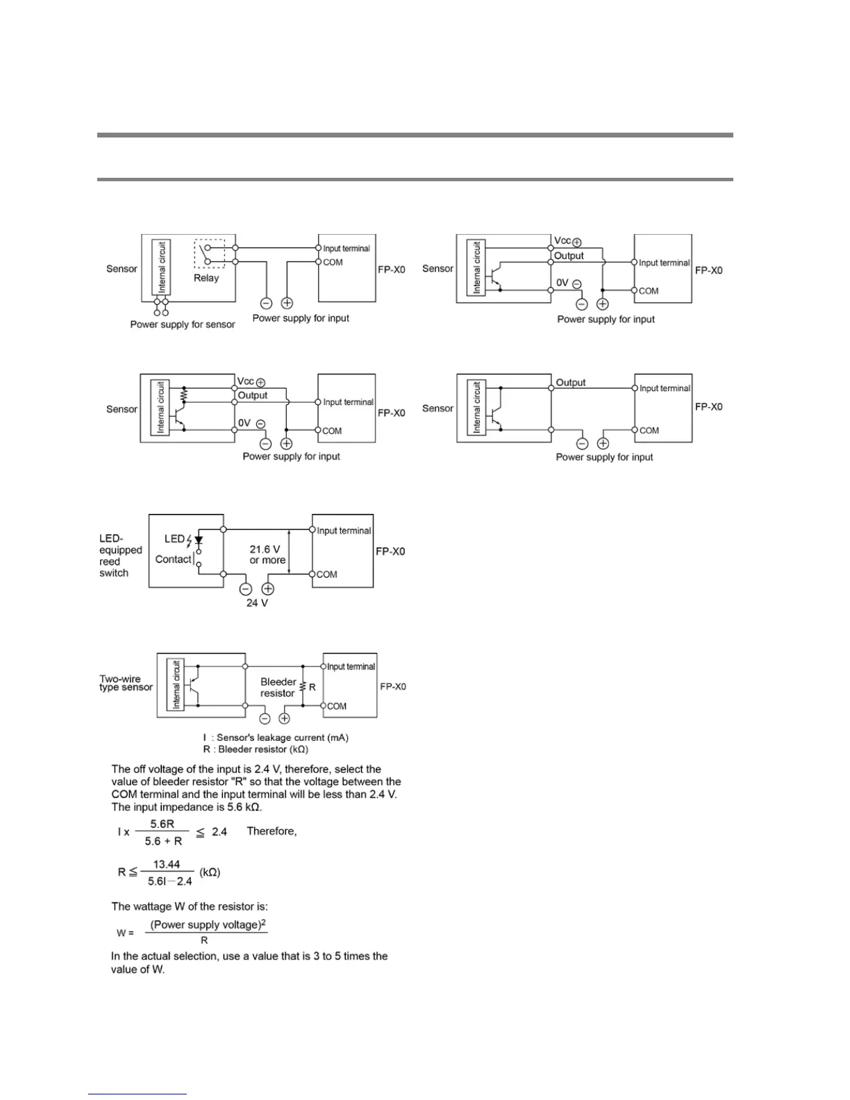
5.4 Wiring of Input and Output
5.4.1 Input Wiring
Connection of photoelectric sensor and proximity sensor
Relay output type
NPN open collector output type
Voltage output type
Two-wire output type
Precaution when using LED-equipped lead switch
When a LED is connected in series to an input
contact such as LED-equipped lead switch, make
sure that the on voltage applied to the PLC input
terminal is greater than 21.6V DC. In particular,
take care when connecting a number of switches
in series.
Precaution when using two-wire type sensor
If the input of PLC does not turn off because of
leakage current from the two-wire type sensor
photoelectric sensor or proximity sensor, the use
of a bleeder resistor is recommended, as shown
below.
The formula is based on an input impedance of
5.6k. The input impedance varies depending on
the input terminal number.
Phone: 800.894.0412 - Fax: 888.723.4773 - Web: www.clrwtr.com - Email: info@clrwtr.com

Table of Contents

Related product manuals