EasyManua.ls Logo

Panasonic KX-W1500

Panasonic KX-W1500
116 pages
To Next Page IconTo Next Page
To Next Page IconTo Next Page
To Previous Page IconTo Previous Page
To Previous Page IconTo Previous Page
Loading...
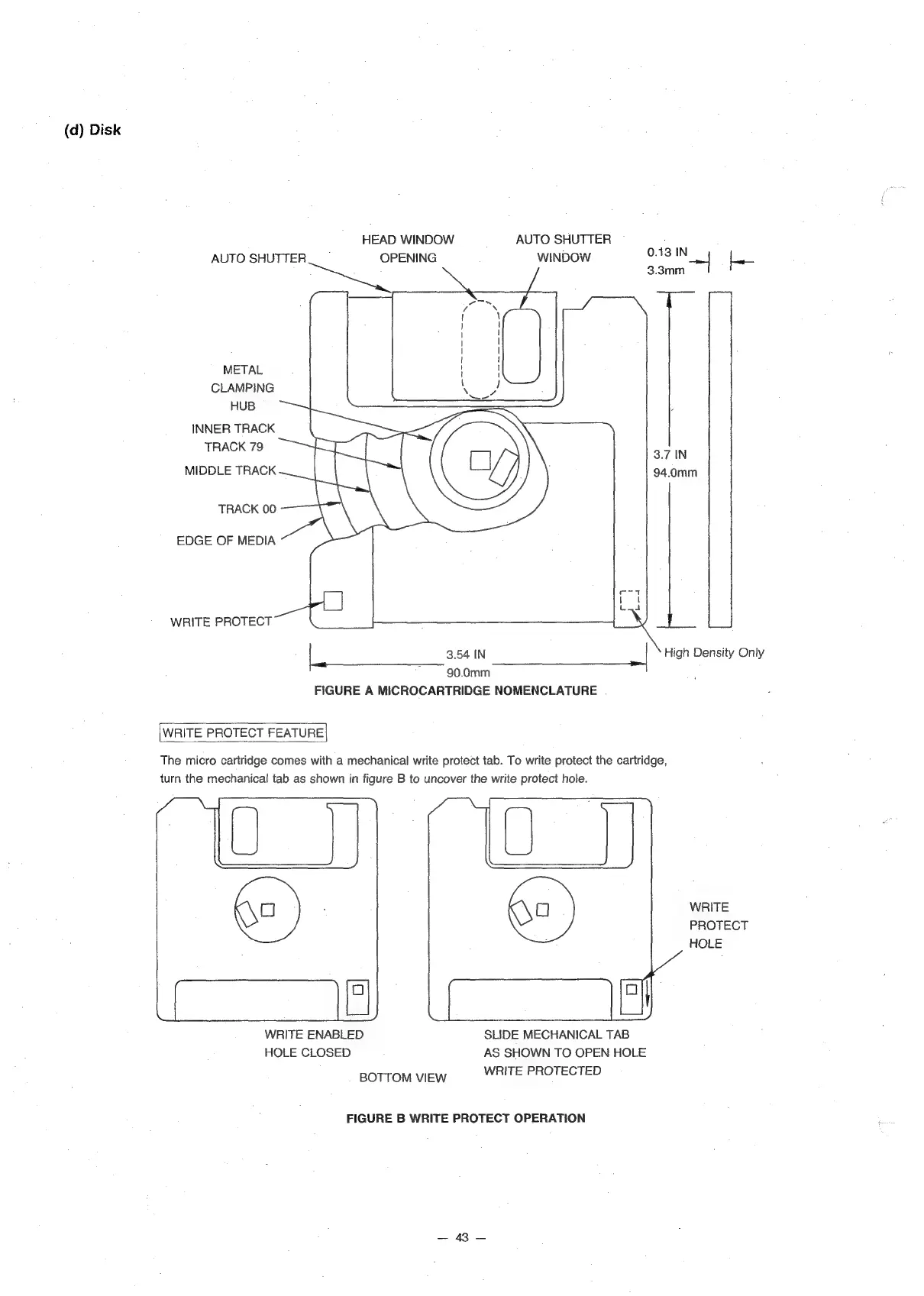
(d)
Disk
HEAD
WINDOW
AUTO
SHUTTER
;
var
0.13
IN
AUTO
SHUTTER
OPENING
WINDOW
|
:
3.3mm
METAL
CLAMPING
HUB
INNER
TRACK
TRACK
79
MIDDLE
TRACK
3.7
IN
94.0mm
TRACK
00
EDGE
OF
MEDIA
WRITE
PROTECT
3.54
IN
|
High
Density
Only
90.0mm
FIGURE
A
MICROCARTRIDGE
NOMENCLATURE
WRITE
PROTECT
FEATURE
The
micro
cartridge
comes
with
a
mechanical
write
protect
tab.
To
write
protect
the
cartridge,
turn
the
mechanical
tab
as
shown
in
figure
B
to
uncover
the
write
protect
hole.
\\
WRITE
PROTECT
HOLE
WRITE
ENABLED
SLIDE
MECHANICAL
TAB
HOLE
CLOSED
AS
SHOWN
TO
OPEN
HOLE
BOTTOM
VIEW
WRITE
PROTECTED
FIGURE
B
WRITE
PROTECT
OPERATION

Related product manuals