EasyManua.ls Logo

Panasonic KX-W1500

Panasonic KX-W1500
116 pages
To Next Page IconTo Next Page
To Next Page IconTo Next Page
To Previous Page IconTo Previous Page
To Previous Page IconTo Previous Page
Loading...
Mowe
GuVvOdAa™
SO
zOl
HAAG
'
Lido
€9I
SaHOLIMS
HAZZNE
AW
LOaTas
3Lv
g0l
GIONS
TOS
¢—]
HOLVHANSS
YHALOVYEVHO
a
aes
oso
(a
€Zol
6191
aoe
oda
AVddv
ALVD
gto
nd
HOLOW
d
ONIOWdS
(e))
Waddais
wOLOW
“xsivd
(°)
ade
YOSN3S
SWOH
YalyyVO
YOSNSS
911 Stl
(anir9)
Wud
Q3ad
Yadvd
YOSNAS
daad
NO@aly
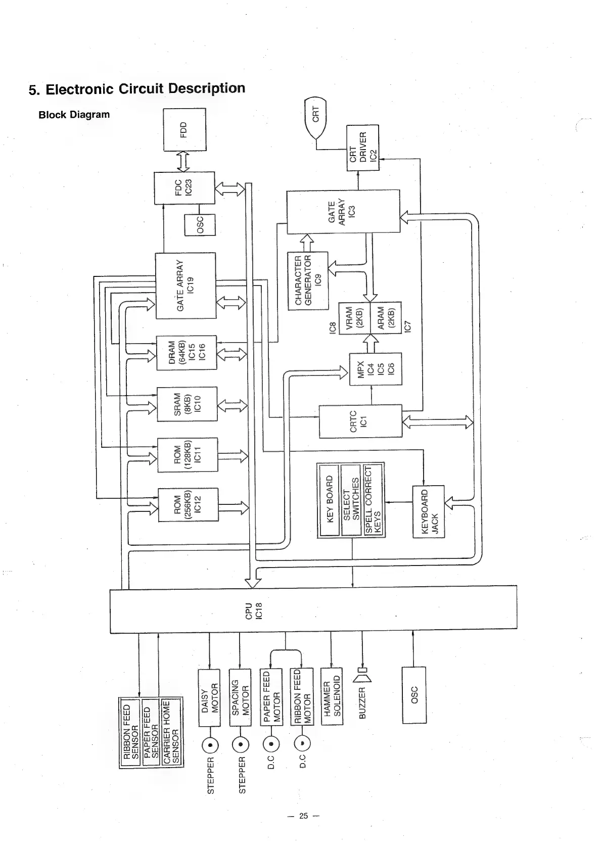
5.
Electronic
Circuit
Description
Block
Diagram
6

Related product manuals