EasyManua.ls Logo

Panasonic NA-168VG2

Panasonic NA-168VG2
49 pages
To Next Page IconTo Next Page
To Next Page IconTo Next Page
To Previous Page IconTo Previous Page
To Previous Page IconTo Previous Page
Loading...
-42-
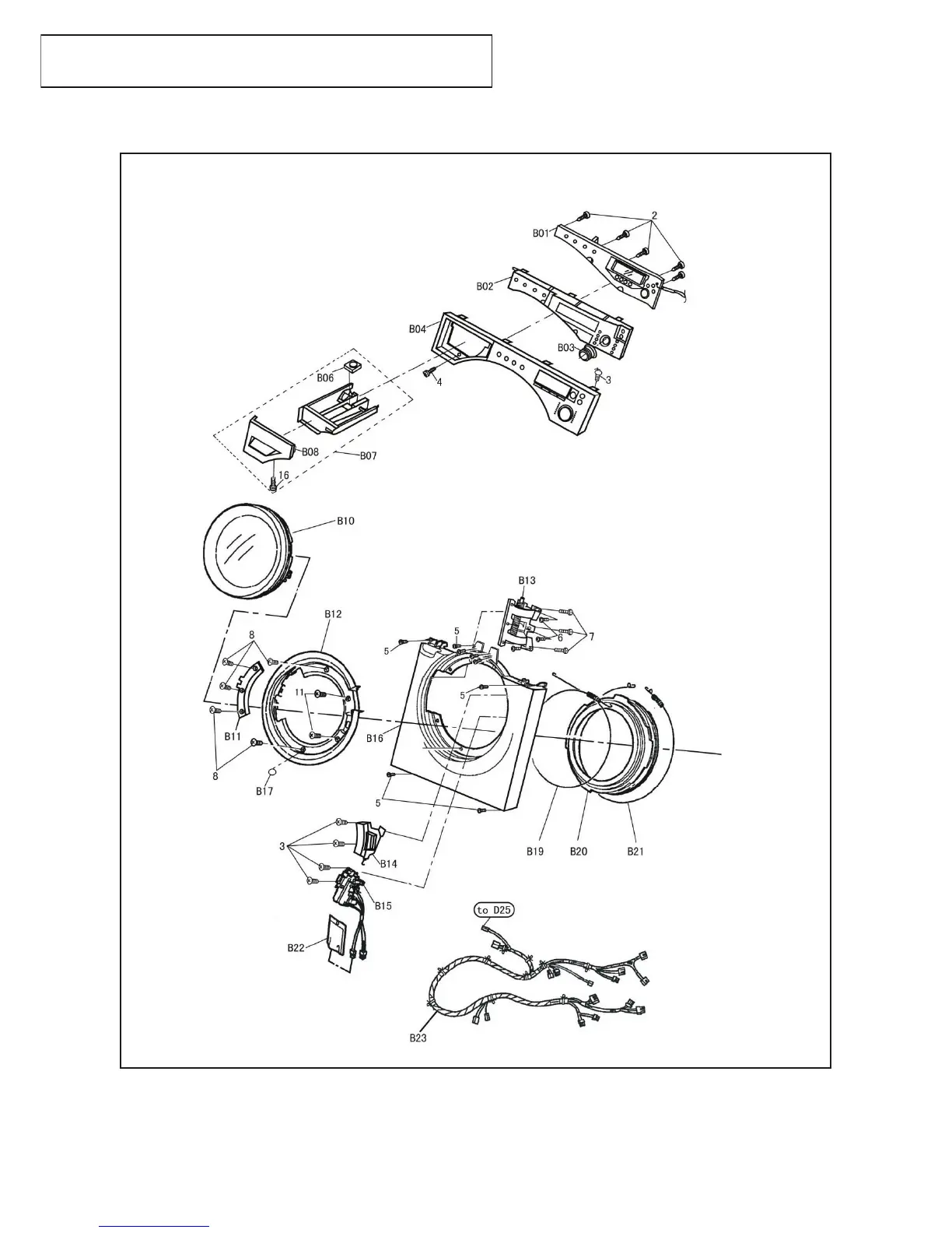
LOCATION OF PARTS-B
NA-168VX2/168VG2/148VA2/128VA2/147VB2

Table of Contents

Other manuals for Panasonic NA-168VG2

Related product manuals