EasyManua.ls Logo

Panasonic SA-PM35MD - Page 128

Panasonic SA-PM35MD
158 pages
Print Icon
To Next Page IconTo Next Page
To Next Page IconTo Next Page
To Previous Page IconTo Previous Page
To Previous Page IconTo Previous Page
Loading...
11
10
2
4
6
8
9
7
5
3
1
PW1301
C1318
50V3.3
C1326
25V10
Q1320
2SB1030RTA
5 6
7
8
3
4
2
1
IC1303
BA4558FE2
7
6
5
3
4
2
1
Z971
EXBF7L355SYV
S972
S974
S971
C1103
6.3V47
C1107
50V1
C1108
6.3V47
R1398
10K
R1326
6.8K
R1318
6.8K
R1321
10K
R1320
10K
R1307
15K
R1308
15K
R1397
1K
R1215
470K
R1115
470K
R1395
10K
R1391
22K
R1317
10K
R1116
1.5K
R1211
1.2K
R1111
1.2K
R1104
680
R973
39K
R1332
33K
R1309
330
R1319
82K
R1322
1K
R1323
39K
R1335
6.8K
R1334
39K
R1107
330K
R1105
10K
R1103
56
R1114
4.7K
R1214
4.7K
R1110
2.2K
R1210
2.2K
R1336
680
R1399
4.7K
R1396
1K
R1327
1K
R1338
1K
R1333
4.7K
R1324
8.2K
R1337
47K
R1354
3.3K
Q1318
KTC3199GRTA
Q1309
Q1104,Q1204
KTC3199GRTA
Q1330
KTC3199GRTA
Q1319
2SD965RTA
Q1103
KTC3199GRTA
D1303
RVD1SS133TA
Q1105
Q1105,Q1205
2SJ498CTA
15
16
1
IC1302
TA8142AP
Q1317
KRA106MTA
6
8
9
7
5
CS971
6
8
9
7
5
CP1902
C1216
6800P
C1116
6800P
C1323
0.01
C1104
330P
C1115
100P
C1317
47P
C1324
4700P
C1114
1000P
C1316
0.1
C1105
0.015
Q1304
KRC110MTA
Q1311
KRC106MTA
Q1310
KRC102MTA
1
2
4
6
8
7
5
3
PW1303
M
1
2
1 2
Q1206
KRC113MTA
Q1106
D9V
PLAYH
MOTOR
_GND
TPS
BPL
RECH
PLAYH
D9V
AN6
VREF+
AN7
VREF+
VREF-
VREF-
AN7
AN6
DMT
BP
REC_H
CRO2
BP
REC_H
PLVCC
PL
MOTOR
VREF+
VREF-
R_CH
REC_IN
L_CH
REC_IN
PB_LCH
PB_RCH
PL
MOTOR
RECIN Rch
RECIN Lch
(D9V)9V
9V_GND
AF_GND
TO
MAIN
CIRCUIT
(CN1301) ON
SCHEMATIC
DIAGRAM-9
MOTOR_9V
P.B.Lch
Lch
PBIN
NF
NF
RECIN
RECINH_R
HALF
MODE
RECINH_F
AD_OUT
PHOTO
_S
HALF
RECINH_R
PLGND
MOTOR_VCC
TPS
P.B.Rch
VREF-
VREF+
AN7
-
+
DECK M
RECIN Lch
RECIN Rch
C1315
50V47
Q1320
Q1311
Q1317
Q1330
Q1106,Q1206
Q1205
IC1303
TO
MAIN
CIRCUIT
(CN1303) ON
SCHEMATIC
DIAGRAM-9
Q1103
Q1204
Q1104
Q1304
Q1319
Q1318
Q1310
PLAY/REC AMP
0V
R1113
3.9K
C1113
1000P
0V
1.3V
0V
0V
REC EQ
MOTOR DRIVE MOTOR DRIVE SOLENOID DRIVE
0V
0.7V
4.6V
10V
3.9V
0V
10V
10V
SWITCHING
(BEAT PROOF)
0V
0V
R/P SELECT
0V
9.8V
9.8V
0V
10V
R/P SELECT
MUTING
0.6V
0V
0.6V
0V
MUTING CONT
MUTING
0V
0V
0V
0V0V
0V
0V
TPS DRIVE
0V0V
MUTING
2.5V
0.2V
2V
0V
1.3V5.1V
1.5V
5.1V 5.1V 5.1V 10V
TPS DRIVE
<<0V>>
<<0.5V>>
<<0V>>
<<0.5V>>
<<0V>>
<<10V>>
<<0V>>
<<3.7V>>
<<0.8V>>
<<6.5V>>
<<0V>>
<<0.6V>>
<<7.4V>>
<<7.4V>>
<<7.4V>>
<<0V>>
<<7.4V>>
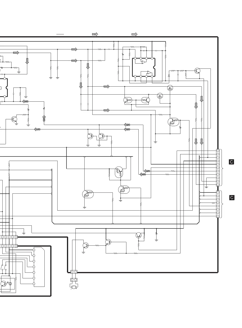
SCHEMATIC DIAGRAM-13
:Record signal line :Playback signal line:+B signal line
DECK MECHANISM
CIRCUIT
W1981

Related product manuals