EasyManua.ls Logo

Panasonic SA-PM35MD - Deck Circuit

Panasonic SA-PM35MD
158 pages
Print Icon
To Next Page IconTo Next Page
To Next Page IconTo Next Page
To Previous Page IconTo Previous Page
To Previous Page IconTo Previous Page
Loading...
EXBF7L355SYV
0N2180RLC1
S972
S974
S971
S975
S973
PL
C1301
50V1
C1206
50V4.7
C1106
50V4.7
C1103
6.3V47
C1322
6.3V47
C1319
10V220
C1320
16V22
C1321
16V22
C1111
50V4.7
C1307
50V1
C1203
6.3V47
C1308
16V100
C1207
50V1
C1208
6.3V47
C1211
50V4.7
C1108
6.3V47
L1303
RLQA470JT1-Y
R972
820
R1391
22K
R1317
10K
R1342
12K
R1331
100K
R1116
1.5K
R1104
R1204
680
R1302
100K
R1101
470K
R1102
15K
R1202
15K
R1201
470K
R973
39K
R1316
47
R1112
47
R1329
3.3M
R1209
27K
R1109
27K
R1305
1.5K
R1301
470K
R1313
4.7K
R1314
15K
R1315
4.7K
R1310
10K
R1212
47
R1203
56
R1205
10K
R1325
5.6K
R1339
47K
R1304
1.5K
R1207
330K
R1107
330K
R1105
10K
R1103
56
R1216
1.5K
R1213
3.9K
R1352
47K
R1340
22K
R1312
7.5K
R1330
82K
R1354
3.3K
R1355
2.2K
R1328
100
R1303
10K
R1311
4.7
Q1309
Q1302
2SC1845FTA
Q1303
2SC2001LTA
Q1307
KTC3199GRTA
Q1308
KTC3199GRTA
Q1313
KTC3199GRTA
Q1203
KTC3199GRTA
Q1305
Q1306
KTC3199GRTA
Q1103
KTC3199GRTA
D971
MA165TA
D1301
RVD1SS133TA
Q1202
Q1101,Q1201
1
2
4
5
3
CP1301
4
6
3
2
9
10
11
12 13
14
15
16
8
7
6
5 34 2
1
IC1302
TA8142AP
1
2
4
6
8
9
7
5
3
CS971
1
2
4
6
8
9
7
5
3
CP1902
C1104
330P
C1202
1500P
C1102
1500P
C1115
100P
C1215
100P
C1303
0.01
C1213
1000P
C1112
1000P
C1311
1000P
C1310
1000P
C1314
3300P
C1313
2200P
C1114
1000P
C1214
1000P
C1312
2200P
L1301
RL08B003-K
C1205
0.015
C1105
0.015
C1309
0.047
C1306
4700P
C1305
1000P
1
2 4
3
5
VCC
H=OFF
IC1301
BA7755A
PLAYH
TPS
RECH
VREF-
BPL
VREF+
VREF-
REC:H
Lch
VCC
Rch
PBIN
PBIN
PBOUT
PBOUT
NF
NF
NF
NF
RECOUT
RECOUT
RECIN
RECIN
R.F
AGC
GND
PHOTO
_S
HALF
GND
PL
CRO2
MODE
RECINH_R
RECINH_F
PLGND
PHOTO
REC:H
PB:H
AN7
1
2
34
5
6
IC1301
Q1308,Q1309
2SJ498CTA
IC971
IC1302
Q1305,Q1306
Q1313
Q1302
Q1303
Q1201
Q1101
Q1102
Q1203
Q1103
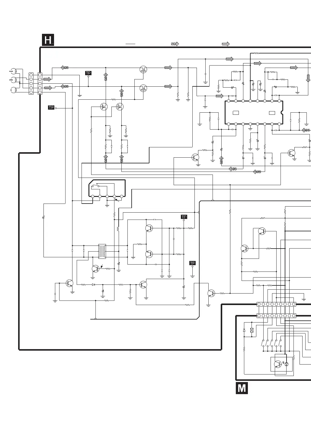
SCHEMATIC DIAGRAM-12
:Record signal line
DECK CIRCUIT
1
2
4
5
3
PLAY/REC AMP
0V
2.1V
0V0V
0V
HEAD SELECT(PLAY:ON)
0V0V
0V
Q1102,Q1202
2SJ498CTA
HEAD SELECT(REC:ON)
0V
0V
9.6V
<<9.1V>>
0V
0V
9.6V
R/P SELECT
8.6V
0V
0V
GND
0V
0V
0V
BIAS OSC
0V
0V
0V
BIAS OSC CONT
0V
0V
SWITCHING
(BEAT PROOF)
SWITCHING
(REC: ON)
0V
0V
0V
0V
INTERFACE
0V
0.3V
0.3V
0.3V
2.5V
0V
BIAS OSC CONT
0V
0V
1.3V
1.5V
8.6V
C1204
330P
1.3V
2.1V
0V
R1113
3.9K
C1113
1000P
0V
1.3V
2.3V
0.8V
2.3V
1.3V
0V
0V
0V
REC EQ
REC EQ
0V
0V
PHOTO
INTERRUPTER
:Playback signal line
<<0V>>
<<0V>>
<<9.1V>>
<<0.7V>>
<<0.3V>>
<<0.7V>>
<<0.3V>>
<<0.8V>>
<<0.8V>>
<<1V>>
<<9.1V>>
<<5.4V>>
<<0.6V>>
<<9.1V>>
<<0.6V>>
:+B signal line
C1212
1000P
DECK MECHANISM
CIRCUIT
Lch
Rch
Erase
Head