EasyManua.ls Logo

Panasonic SA-PM35MD - Page 148

Panasonic SA-PM35MD
158 pages
Print Icon
To Next Page IconTo Next Page
To Next Page IconTo Next Page
To Previous Page IconTo Previous Page
To Previous Page IconTo Previous Page
Loading...
4 TAP
36 35 34 33
37
38
39
SVREF
ARFO
EQ IN
CRF AGC
CEA
NRFSTBY
RFCK
RFDATA
OUT RF
NRFDET/
OFTR
NRFLD
VCC
32 20 31 30 29 28 27 26
GND
OFT IN
OFT O
CBD O
BDO/
TRCRS
AS GAIN
AS/MON3T
LNP
AB GAIN
TE
CRS IN
TGAIN
FE
FBAL
16
18
13
12
11
15
14
19
17
21
22
23
25
SELECT
SIGNAL
AGC
EQ
DARK DET.
SERIAL & PARALLEL
CONV./GATE
3T DET.
NRFDET
VCA
SELECT
SIGNAL
RF BDO
AS BDO
VCA
3 TAP
3 TAP
VCA
11 TAP
4 TAP
4 TAP
DARK DET.
DARK DET.
VCA
VCA
B.P.F.
2 3 4 5 6 7 8 10 9
REC
DRIVE
POWER
SUPPLY
Q3
Q1
LASER
POWER
DRIVE
LDO
APC PD
LD IN
APC REF
TEMP IN
TEMP
ADIP
TBAL
TOFS
Q2
AS GAIN
AS
LNP
AB GAIN
TE
TGAIN
FE
FBAL
ADIP
TBAL
TOFS
TEMP
APC REF
NRECT
TH1
HFON1
VR1
(LASER
POWER ADJ.)
1
47
48
46
42
45
B
CLPF1
C
CENVC
D
A
CLPF2
F2
44
43
41
40
F1
RF2
RF1
VREF
MD OPTICAL PICKUP
SW
RF1
RF2
F1
F2
A
B
C
D
I
E
J
F
D A
C B
COMP
COMP
COMP
COMP
+
-
TBAL
DIRECTION
DET.
DIRECTION
DET.
DIRECTION
DET.
DIRECTION
DET.
1/2 PVCC
VREF
IN4
1/2 PVCC1
PVCC2
IN3
22
28
8
9
27
PC2
1/2 PVCC2
PVCC1
IN2
PC1
IN1
VCC
7
23
24
20
25
21
26
POWER
SUPPLY
NRFSTBY
RFCK
RFDAT
NRFLD
OFTR
TRD
PC
FOD
TVON
TVD
SPON
SPD
Q5,Q6
1/2 PVCC
VCC DET.
TRACKING
COIL
FOCUS
COIL
11
VO4-
12
13
14
VO4+
VO3-
VO3+
VO2-
VO2+
VO1-
VO1+
15
16
17
18
M2
TRAVERSE
MOTOR
M1
SPINDLE
MOTOR
PGND1
PGND2
19 10
24
CRS IN
TRCRS
+
-
+
-
+
-
+
-
+
-
+
-
+
-
+
-
+
-
+
+
+
-
+
-
+
-
+
-
+
-
+
-
+
-
+
-
+
-
+
-
+
-
+
-
+
-
M
M
+B
+B
+B+B
+B
+B
+B
+B
+B
+B
+B
+B
+B
+B
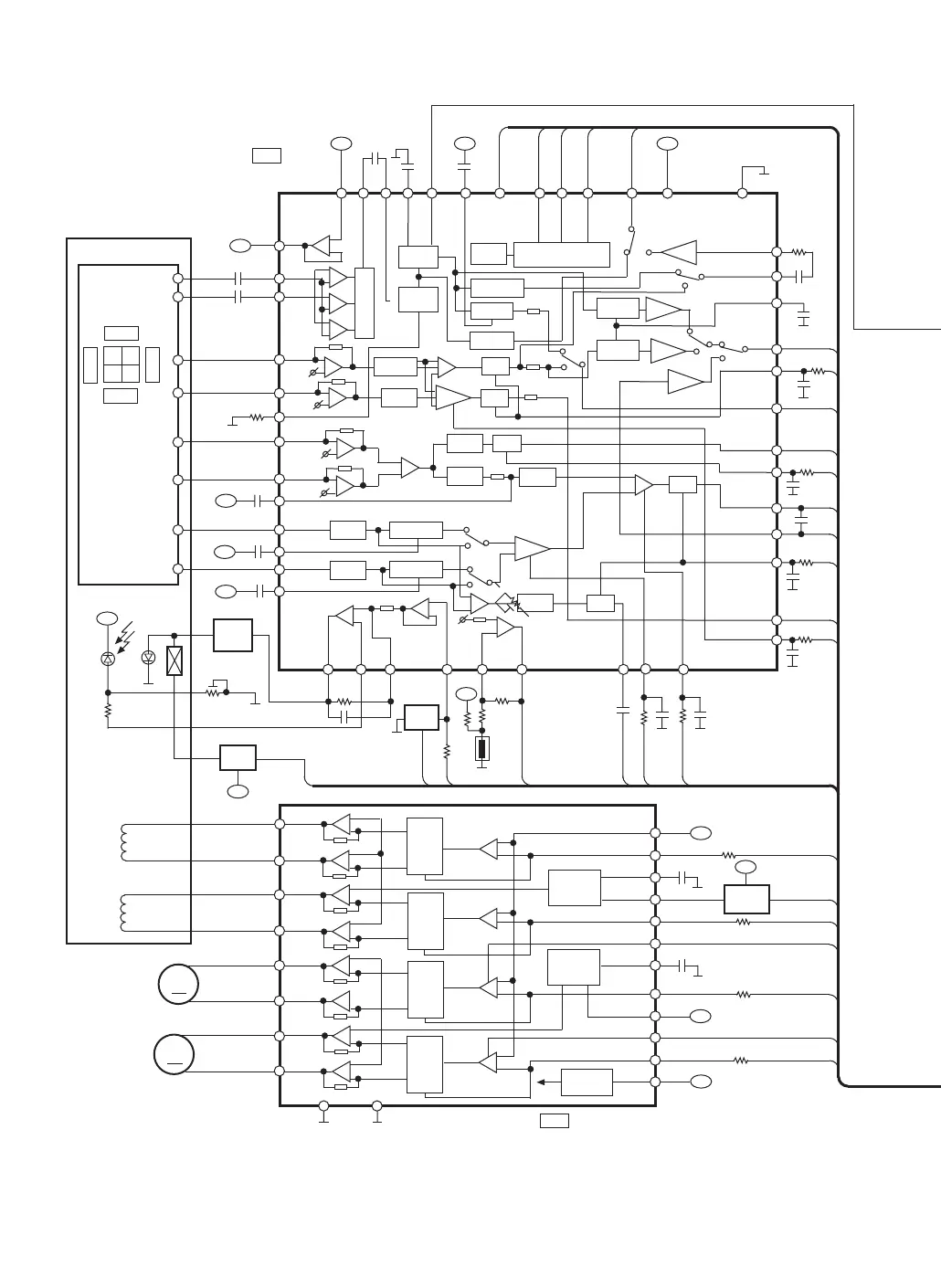
IC1
AN8772FHQ
RF AMP
IC2
AN8814SB-E1
FOCUS/TRACKING
COIL, SPINDLE/TRAVERSE
MOTOR DRIVE