EasyManua.ls Logo

Panasonic SA-PMX3GN - Block Diagram

Panasonic SA-PMX3GN
102 pages
Print Icon
To Next Page IconTo Next Page
To Next Page IconTo Next Page
To Previous Page IconTo Previous Page
To Previous Page IconTo Previous Page
Loading...
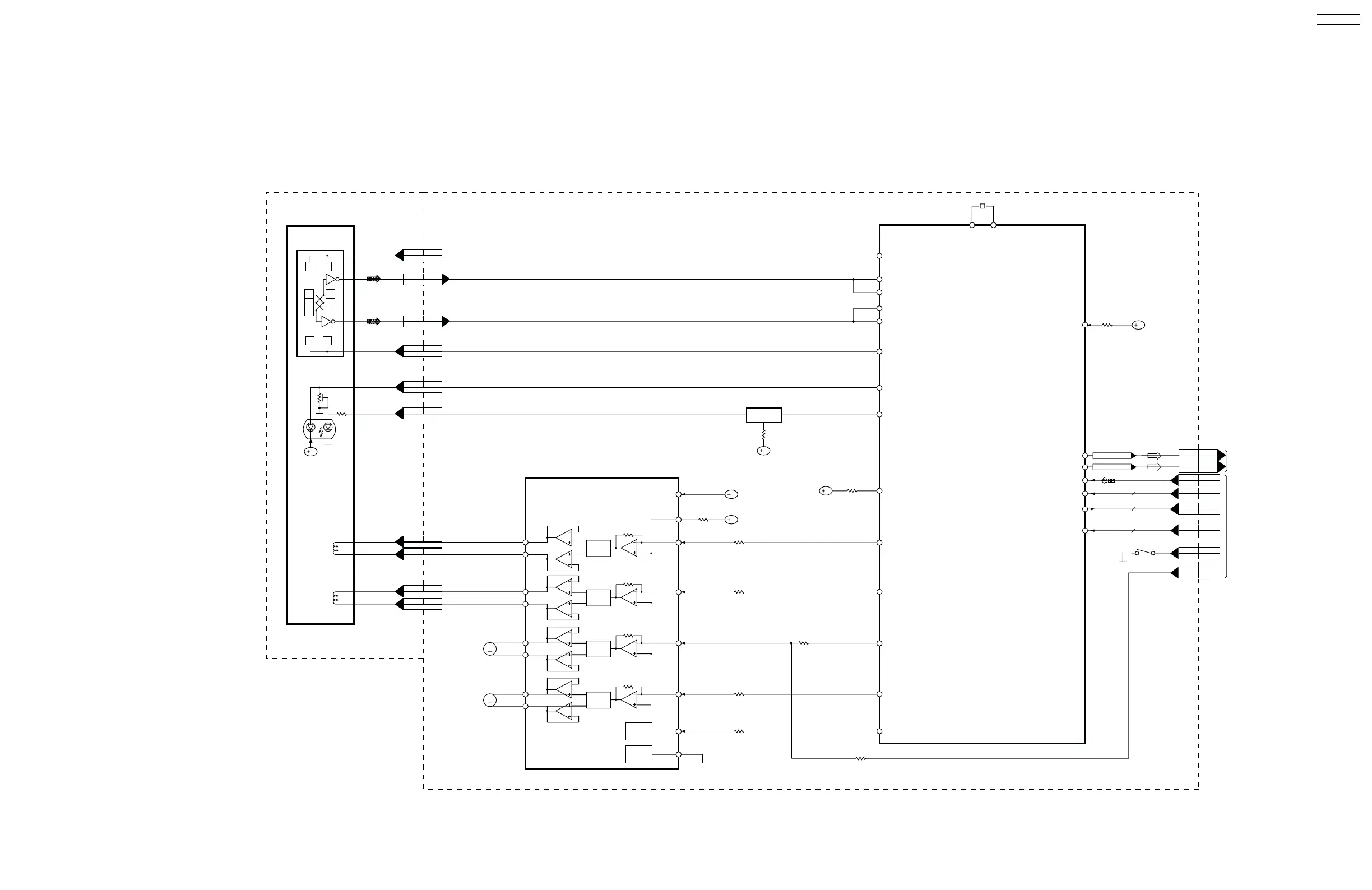
14 Block Diagram
14.1. CD SERVO BLOCK DIAGRAM
!"#$%&'#()*+,
-."/0#1&%23%$#
!"#$%&'#(+*+,
-."/0#1&%23%$#
4%56$782'#/1#493:"#-."/0#1&%23%$
4;+<)
=>?@$1%!%
=>+@97!<
=>8@97!)
=>A@97!+
=;<@4!%!
=>;@$/.0
=;)@-.0/0
=;+@34!
=>B@$.1
)BA
)?>
)+C)8)<C))
D)?
)++
8+<
BC)<C))C)A
BC)+C)8C)A
8
/6;<)
/6)B<+
;
/6;<)
/6)B<+
B
/6;<)
/6)B<+
+
/6;<)
/6)B<+
))
/6;<)
/6)B<+
A
/6;<)
/6)B<+
)>
/6;<)
/6)B<+
)D
/6;<)
/6)B<+
)A
)8
/6;<)
/6)B<+
/6;<)
/6)B<+
>C;)>C);
+
A
+
$E!9
=/F)@
.9:9.
4F&G!
=/F8@
.9:9.
4F&G!
=/FA@
.9:9.
4F&G!
=/F+@
.9:9.
4F&G!
=/F)@
$E!9
=/F+@
=A)@61
=A+@.1
=+D@G"6
&/;<<+
-%DBA?G69+
A/F#13&:9
&'A
+;
=+A@!36
&'8
+?
&'+
)
=+8@!3:6
=+)@46"E!
=++@6/
&')
8
6/+
+
:39G
6://)
6://+
://
+>
)<C)BC+D
1A5
);
1AH
)?
185
)D
18H
)>
1+H
)A
1+5
)8
$;8<)
!3%:9349
$"!"3
1)H
)+
1)5
))
$;8<+
46&'1.9
$"!"3
"6!&/%.#6&/0E6#6I/I-
/1#493:"#6I/I-
-
G"/E4
/"&.
!3%/0&'2
/"&.
!H
"6!&/%.#6&/0E6
6F"!" 19!9/!"3
49$&/"'1E/!"3
.%493
GH
G5
!5
J/1K8I8:L
6/)
A
-
-
-
$
$
=8A@:39G
JH:39GL
JH:39GL
JH;ID:L
-
J8I8:L
-
&/;<<)
M;><)
4N&!/F
$'>>+;BDA$%
493:"#63"/944"3*
1&2&!%.#4&2'%.#63"/944"3*
1&2&!%.#G&.!93#1*%#/"':93!93
=8B@/
9999
9G9G
1/
%-
1/
=8?@-
=8D@9
=A<@%
=8;@1
=8>@G
=D>@"E!.
=A;@%:11+
=+;@&"11+
=+<@63%$:11)D
=;;@&"11)
=;B@392"'
=?+@'!94!
/1#3&2F!#/F
/1#.9G!#/F
7;+<)
=?)@7)
=?<@7+
/';<<+
/';<<+
/';<<+
/';<<+
=DB@"E!3
/';<<+
/';<<+
/';<<+
/';<<+
3949!#4N&!/F
/'+?<+
/'+?<+
/'+?<+
/'+?<+
/'+?<+
/'+?<+
/'+?<+
/'+?<+
SA-PMX3GN
59

Related product manuals