EasyManua.ls Logo

Panasonic SA-PMX3GN - Schematic Diagram

Panasonic SA-PMX3GN
102 pages
Print Icon
To Next Page IconTo Next Page
To Next Page IconTo Next Page
To Previous Page IconTo Previous Page
To Previous Page IconTo Previous Page
Loading...
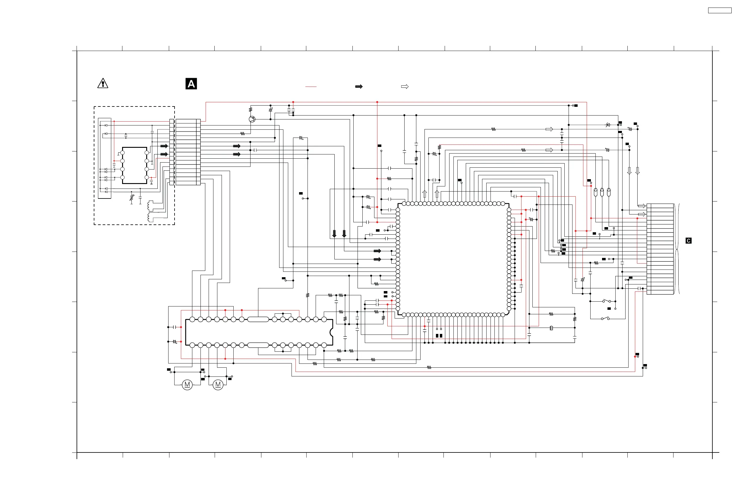
16 Schematic Diagram
16.1. CD SERVO CIRCUIT
7;+<)#
F<F)>BD<<<)8#
/;++8
D<:AI;
1;>D<#
$%Q?<D><$.#
/;++D#
)<<<6#
D<:)#
/;++;#
)U#
3;+);#
.-;+>+#
<I)#
/;+>8#
3;+)?# )U#
.-;+>A#
.-;+>8#
.-;+>+5.-;+>A#
1<2-3<<O%<<?#
D<:)#
/;++?#
/;++>#
)<<<6#
/;+);#
<I)#
/;+AA#
<I<)D#
?+U#
3;+#)#)#
)<<#
3;++)#
/;+8)#
>I8:++<#
/;+8<#
<I)#
?+<#
3;+)+#
/;+A)#
)<<<6#
/;+)?#
<I<?+#
/;+)>#
>?<6#
<IA;#
/;)<+#
<I)#
/;+<A#
)>:)<#
/;+8D#
/;+8A#
<I)#
/;)>)#
<I)#
/;+<8#
>I8:++<#
/;8)D#
<IA;#
/;88B#
<I<)?#
8I8U#
3;8)D#
)<U#
3;8+?#
3;88<#
DI>0#
)<U#
3;#))#)#
/;)A+#
88<<6#
)<#
3;+D8#
/;)>>#
<I<)#
4;+<)#
394#!##4#N#
3;+)A#
A;<#
)0#
3;+DA#
/;)DD#
<I)#
<I)#/;)DA#
)<V#
/;)>A#
)<V#
/;)>D#
A;<6
/;+D8
<I)#
/;+88#
/;+8+#
>I8:++<#
<I)#
/;+A8#
>#
D#
?#
B#
)#)#
)+#
)<#
)?#
)D#
);#
)>#
+<#
)B#
)8#
)A#
;#
+#
)#
A#
8#
++#
+)#
/';<<+#
<I<++#
/;)<;#
;B#
;;#
;>#
;?#
AB#
A;#
A?#
D<#
;A#;)# ;+#>;# >?#D>#DD#
D?#
D;#D+#D)#
DA#
D8# >D# >>#>)# >+#DB# ><# >A#>8# ;<#>B# ;8# ;D#
)<# ?# ;#B#)+# )#)#
BB#
)<<#
BD#
BA#
B>#
B;#
B<#
B)#
?B#
B8#
B+#
B?#
A#># D# +# )#8#
?)#
?+#
?<#
?>#
?;#
??#
?A#
?8#
?D#
AD#
)B# );# )D# )A#)>#)?#
A8#
+8# +)# +<#++#
A)#
+A#
8B#
8;#
88#
8D#
8A#
+B#
8<#
+;#
+>#
+?#
8+#
8)#
8>#
8?#
+D#
A<#
A+#
AA#
)8#
A>#
&/;<<)#
$'>>+;BDA$%#
49#3#:"#63"/944"3#*#
1&2&#!#%#.##4&2'%#.##63"/944"3#*#
1&2&#!#%#.##G&#.#!93#1*#%##/"':9#3#!9#3#
/;+>A#
<I)#
/;><)#
>I8:88#
AI;#
3;><)#
/;>)A#
>I8:)<<#
/;>;<#
<I)#
/;>+>#
<I)#
M;><)#
-)%1/G<<<<<)#
.%493#6"N93#13&:9#
DI>#
3;>D<#
H#
$8;<+W
46&'1.9#$"!"3
/;88A#
)<:++<#
/;88D#
<I)#
H#
$8;<)W
!3%:9349#$"!"3
/;>)8#
<I)#
2'1)#
>#
D#
?#
B#
)<#
)+#
)#)#
;#
+#
)#
A#
8#
)A#
)8#
)>#
)D#
/';<<)#
)U#
3;8+;#
)?U#
3;8AB#
)<#
3;88>#
)<<#
3;88D#
)U#
3;88+#
+;U#
3;88)#
>I?U#
3;8+8#
88<#
3;8+D#
)U#
3;8+B#
/;8D+#
<I<)?#
)U#
3;88B#
/;88?#
<I<+;#
)B#)?#);# +<#)D# )>#
)A# )+# B#)#)# )<#)8#
++# +8#8<#+)# +?#+;#+A# +D# +>#
+# )#>#;#+B#?# 8#A#D#
&/;<<+#
-%DBA?G69+#
A#/F#13&:9#&/#
$.1#
;ID:#
$/.0#
$1#%!#%#
34!#
4#!%#!#
-.0/0#
62'1#
8I8:#
431%!%(4!K&',#
!7#
.1#4N#
-/.0(4!K/.0,#
%2'1#
12'1#
.3/0(4!K39M,#
3949!K4N#
./F#"E!#
3/F#"E!#
."%1&'2#
%B#
%#)#)#
!36#
!#3#:#6#
-%)#
%<#
%+#
%A#
%>#
%?#
%;#
%D#
%8#
%)#
%)<#
'N9#
-%<#
6/#
'3%4#
'/%4#
63%$:11)D#
63%$:1188#
63%$:4488#
46"E!#
G#
%#
-#
9#
2'1#
!#5#
G5#
GH#
!H#
.61#
:39G#
.1#2'1#
2'1#(2E%31,#
2'1#(2E%31,#
.1#
://#
>#
D#
?#
B#
)<#
)+#
)#)#
;#
+#
)#
A#
8#
)A#
)8#
)>#
)D#
6://)#
1AH#
1)5#
6://+#
'/#
'/#
'/#
'/#
'/#
'/#
'/#
&'+#
'/#
6/)#
6/+#
&')#
2'1#
62'1)#
G"#2%&'#
2'1#
&'A#
&'8#
://#
G"6#
:39G#
62'1+#
18H#
1+5#
185#
1+H#
1)H#
1A5#
!#3#:#2%&#'#
=D<@#%3GG-#
3G&'#
%#
-#
G#
9#
1#
/#
61#
.1#
:39G#
/9':#
%#:11#+#
3G9':#
%#:44#+#
&"11+#
=+>@#1:44)#
1:11)#
"4/&'#
3G"E!#
%3G1/#
=AB@#%3G"E!#
/!3/34#
4#3#:$"'#<#
4#3#:$"'#)#
1:11+#=;>@#
7+#
7)#
392"'#
1D#
1;#
1?#
1B#
1)D#
1)8#
1#)#)#
1)<#
1)+#
1)A#
1>#
413/0#=)<<@#
1#3#:1#1#
'!94!#
1)#
18#
1A#
1<#
1+#
&"11)#=;;@#
1:44+#
%3G&'#
&39G#
"E!.#
!7#
$.1#
97!)#
G.%2#
4#!%#!#
'34!#
$/.0#
97!+#
"E!3#
97!<#
6..G#
%#:44#)#
4$/0#
6$/0#
1:448#
-.0/0#
$1#%!#%#
%#:11#)#
6..G<#
14.G#
1M4R!7!#
'4#3#:$"'"#'#
/#
/#
/#
/#
.%493#1&"19#
)#)#
)+#
>#
?#
+#
8#
2'1#
://#
%&'#
-&'#
:39G#
'%"E!#
2'1#
'-"E!#
)#
+#
8#
A#
D#
>#
;#
?#
)<#
D#
A#
B#
/#
3;++<#
)$#
/;+++
)D6
8I8:#
/1#"69'#4N#
4;+<+#
/;++)
)D6
/1#"69'#4N&!/F
%#
-#
/#
1#
9#
G#
2#
F#
)# +# 8# A# D# ># ;# ?# B# )<# ))# )+# )8# )A#
)# +# 8# A# D# ># ;# ?# B# )<# ))# )+# )8# )A#
%#
-#
1#
9#
G#
F#
2#
/#
T#H#-#4&2'%#.##.&'#9#
4%56$782'#/1#493:"#/&3/E&!
#/1#49#3#:"#/&3/E&#!#
!#"#
$%&'#/&3/E&!#
(/'+?<+,#&'#
4/F9$#%#!&#/#
1&%23%$5>#
(++,#
(),#
4/F9$#%#!&/#1&%23%$#5##)#
#"6!&/%#.##6&/0E#6##/&3/E&#!#
#(G"3#39G939'/9#"'#.#R#,#
T#/1#1#%##4&2'%#.##.&'#9#
T#/1#4&2'%#.##.&'#9#
TP ##8B#
TP ##8?#
TP ##8>#
TP ##8;#
TP ##B<#
TP ##+?#
:39G#
TP ##D)#
#(3G,#
TP ##D<#
TP ##??#
TP ##?B#
TP ##?;#
TP ##?>#
TP ##+A#
TP ##)8#
TP ##)+#
TP ##;#
TP ##?#
TP ##B#
TP ##8)#
TP ##A#
TP ##8#
TP ##+#
TP ##)#
TP ##))#
TP ##)<#
TP ##)>#
TP ##)A#
TP ##)B#
TP ##)?#
TP ##);#
SA-PMX3GN
67

Related product manuals