EasyManua.ls Logo

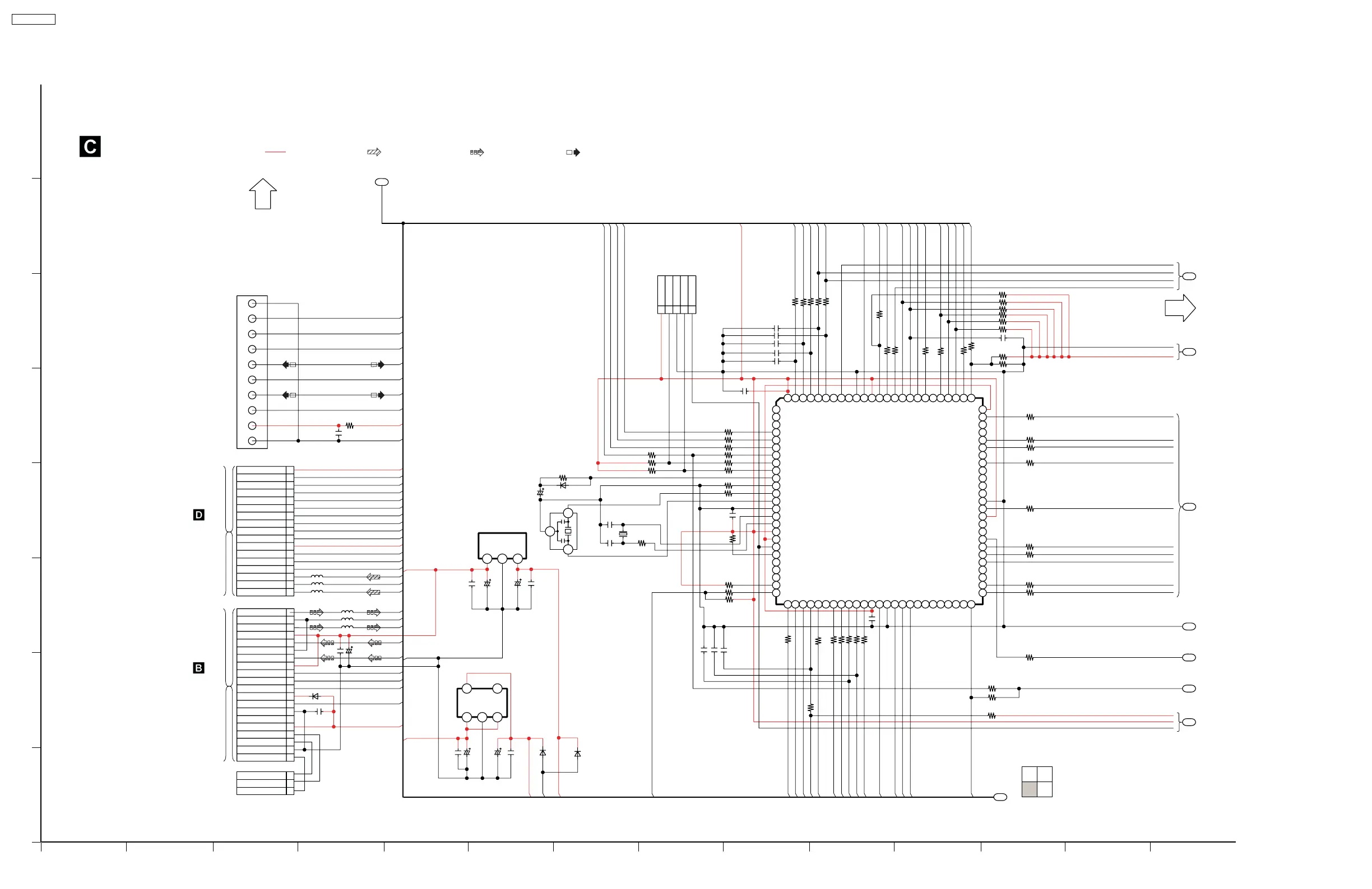
Panasonic SA-PMX3GN - Page 74

Panasonic SA-PMX3GN
102 pages
Print Icon
To Next Page IconTo Next Page
To Next Page IconTo Next Page
To Previous Page IconTo Previous Page
To Previous Page IconTo Previous Page
Loading...
3+DA+
)<<
3+DA)
)<<
]
X
)
8
+
ON+<<)-W
.3/0
431%!<
-/.0
3+D<; )0
/+D)B )<<6
/+D+A )<<<6
/+D)? )<<6
394!K4N
F%.!
+8)DA
/'+?<;
/1K$1%!%
/1K4!%!
/1K$/.0
88<0
3+<<<
7+<<)
F<%8+;+<<)))
7+<<)
/+<<A
)?6
/+<<8
++6
)<03+><)
3+><+ )<0
3+D8D
)0
3+D8+
)0
3+D8B
)0
41K'34!
1"/0K6.%R
)0
3+DB)
3+DB< )0
)03+D)D
)03+D)B
)0
3+D)>
)<<
3+D)?
)0
3+D);
<I)
/+>AA
1K1"NG&/
/1K-.0/0
41K/$1
41K4!%!
/1K$.1
6"N9319!
6/"'!
/1K34!
3+D8)
)0
3+D+D
<
3+D+;
)<<
3+D+>
)<<
3+D+8 ++0
A;03+DB+
3+D+A )<0
1"/0K340&6
1"/0K6%E49
/1K"69'K4N
1"/0KG40&6
3+D<B )<<
3+D<? )<<
3+D<> )0
3+D)8 )0
3+><8 )<0
3+DBA )<0
3+D)+ <
3+D)) )<<
3+><<
)<0
/+><)
<I)
3+D)A )<<
3$!
4R4K2'1
.91K/!3.
/+D<) )<<6
3+>+? )<0
)<<
3+DAB
3+DA; )<<
)03+DD<
3+>+; )<0
)<<03+DA?
3+>88 A;0
3+>8) )D0
3+>8+ )D0
3+>+B )D0
3+>8< )D0
3+DA8
)<0
)03+DDD
3+DD8 )<<
)03+DD)
3+DDA )<<
!EK4!939"
!EK41%
$E!9KG
%$6K$"19
E%3!K"E!
&6"1K19!
E%3!K&'
!EK!E'91
1/19!
163!K6/"'!
!EK/.0
3+D>< )<<
3+DD? )<<
3+DDB )<<
3+DD> )<<
3+DD; )<<
;B ;; ;>;?
ABA; A? D<
;A
;)
;+
>;
>?
D>
DD
D?
D;
D+
D)
DA
D8
>D
>>
>)
>+
DB
><
>A
>8
;<
>B
;8
;D
)<
?
;
B
)+
))
BB
)<<
BD BAB>B; B<B) ?BB8 B+B?
A
>
D
+
)
8
?)?+ ?<?>?;?? ?A ?8?D
AD
)B
);
)D
)A
)>
)?
A8
+8
+)
+<
++
A)
+A
8B8;88 8D8A+B 8<+;+> +? 8+8) 8> 8?
+D
A< A+ AA
)8
A>
&/+?<)
3G0N6$782'
$&/3"63"/944"3#&/
D><6/+D<+
D><6/+D<8
D><6/+D<A
D><6/+D+8
D><6/+D++
3+D<8 )<<
3+D<A )<<
3+D<D )0
<I)
/+><<
09R)
09R+
-%44KO"2
4R48I8:
:".KO"2
!39KO"2
A
8
;
D
>
)
+
B
)<
?
Q+;<)
9'2<>?8>M3G
!E'93#6%/0
AI;
3+B)B
/+B)?
<I)
%46KB:
%2'1
19!K"E!
!EK!E'91
!EK/.0
!EK41%
!EK4!939"
!EK.
!EK3
/+>A+
>I8:88<<
/+>A<
<I)
1D:
/+>8)
<I)
/+>8+
>I8:)<<
1D:
$%+O)))<<.
1+;<>
6"N9319!
8I8:
8)+
AD
&/+?)<
/</-/-/<<<B<
8I8:#!"#D:#392E.%!"3#&/
&/+?)<
/+>88
>I8:)<<
/+>8A
<I)
+)8
&/+?)+
/</-%-9<<<D>
392E.%!"3#&/
/+>8B
<I)
/+>A)
>I8:)<<<
1H8I8:
/+B<D
<I<)
1+B<<
1+B<<
-<9%0$<<<));
/+B++
>I8:)<<
39/K.
39/K3
/+B+)
<I<)
1H8I8:
41K&'!
41K4!%!
41K'34!
41K/$1
F6K.
F6K3
%2'1
2</)<<O%<<DD.+B<+
2</)<<O%<<DD.+B<8
2</)<<O%<<DD.+B<)
.+B))
.+B)<
.+B)<#5#.+B)+
O<O-/<<<<<)B
.+B)+
F6K4N
4R4K2'1
!39KO"2
09R+
3$!
09R)
:".KO"2
-%44KO"2
.91K/!3.
4R48I8:
1HD:K2'1
1HD:K2'1
1D:
E4-K.
E4-K3
%2'1
>
;
D
B
)A
))
)<
)8
)+
);
)?
)D
)>
?
)
8
A
+
+<
)B
>
D
?
B
))
)+
)<
)A
)D
)8
;
+
)
A
8
);
)>
/'+?<8
/'+?<A
%2'1
8I8:
4R4DID:
1+D<<
$%+O)))<<.
/+<<+
)>:)<
8
)
+
7+<<<
F+-)<<D<<<<;
7+<<<
3+D)< A;<0
1+;<;
$%+O)))<<.
:44
"/1K4/.
"/1K41%
$&/"$34!
:39G8I8:
!'3K2'1
./F
19!
3/F
41%
/.
6"3!49.
!E'91
4!939"
!E'93KB:
09R+
12'1
:39G5
:".KO"2
4R48I8:
F6K3
F6K.
F6K4N
.91K/!3.
!39KO"2
F6K2'1
-%44KO"2
3$!
%G2'1
4R4DID:
09R)
G.8I8:
&39M
37
12'1
1H+I+:
431%!<
1H8I8:
.&'
3&'
1%HD:
%1HD:
3"E!
371&'
'34!
!71"E!
-/.0
.3/0
12'1
%12'1
."E!
1%2'1
'/
4!1-R
8I8:
:&' 2'1
394!K4N
/1K$1%!%
/1K4!%!
9963K/.0
9963K1%!%"E!
9963K1%!%&'
7!&'
:44
$&/"$34!
1K$6E37
1K$6E!7
1K$6E/.0
."'(F,
:11)?
"/1$"1#(F,
7!&')
7!"E!)
:1188
"/1K41%
F%.!
/1K$/.0
7!"E!
$$"1
"/1K4/.
/3!&$93
:11)?
GF"6)
314K/.0
163!K19!+
314K1%!%
:44
19$"
:1188
9963K/4
F6K4N
9963KF".1-
%46K/.0
1K!E34!
1K'3G3949!
%46K1%!%
1K6"'
314K&1
41K&'!
163!K19!)
9963KN6
$E!9K%
/."49K.
1K6..4/.
"69'KF
1K6..41%
:44
'/
'/
!EK/.0
$E!9KG
!EK41%
%$6K$"19
!EK!E'91
%E7K19!
163!K6/"'!
!EK4!939"
'/
:11D
1/19!
09R)
:44
392&"'
G%'K&')
G%'K&'+
1"/0K6.%R
:11)?
1"/0K6%E49
'/
'/
'/
'/
'/
1"/0KG40&6
1"/0K340&6
41K'34!
41K/$1(371&',
/1K$.1
6/"'!
/1K34!
41K4!%!E4(!71"E!,
1K$6E$"1#=A?@
'/#=AB@
/1K"69'K4N#=D<@
&6"1K19!#=;?@
E%3!K&'#=;;@
E%3!K"E!#=;>@
=)<<@#:F39G
=BB@#-%44KO"2
=B?@#!39KO"2
=B;@#:".KO"2
=B>@#09R+
=+>@#3$!
=+;@#1K11"NG&/
=+?@#/1K-.0/0
=+B@#6"N9319!
%%
Z
[
Z
[
Z
[
\
\
]
Z
_
c
f
g
h
k
V
>
;
?
B
)<
))
)+
)8
4/F9$%!&/#1&%23%$#5#?
#$%&'#/&3/E&!
4%56$782'#$%&'#/&3/E&!
+*A
A*A
)*A
8*A
!"#$%&'
49/!&"'#()*A,
!"#$%&'
49/!&"'#(A*A,
!"
6%'9.#%
/&3/E&!#
(/'>?<),#&'
4/F9$%!&/
1&%23%$5)<
();,
(),
!"
OE6&!93
/&3/E&!#
(/'><),#&'
4/F9$%!&/
1&%23%$5D
(+<,
(),
T#G$*%$#4&2'%.#.&'9
T#$%&'#4&2'%.#.&'9T#H-#4&2'%.#.&'9
T#E4-#4&2'%.#.&'9
)+8AD>;?B)<)))+)8)A
&
O
.
$
'
6
"
0
SA-PMX3GN
74

Related product manuals