EasyManua.ls Logo

Panasonic SA-PMX3GN - Page 76

Panasonic SA-PMX3GN
102 pages
Print Icon
To Next Page IconTo Next Page
To Next Page IconTo Next Page
To Previous Page IconTo Previous Page
To Previous Page IconTo Previous Page
Loading...
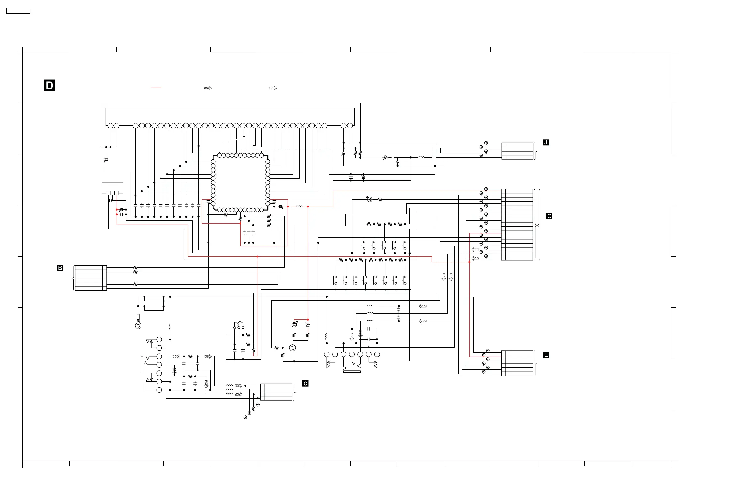
16.4. PANEL A CIRCUIT
/>?+<#
<I<)#
3>?<A#
)<<0#
.>?<A#
/>?8<
<I<++
+I+0
3>?+<#
1>?<A#
-8%%%<<<<A?;#
.91#
+I+0
3>?)B#
!6>?+A#
!6>?+D#
!6>?)B#
!6>?+8#
!6>?++#
!6>?);#
!6>?)?#
!6>?)>#
!6>?)D#
!6>?+>#
!6>?+;#
)ID0
3>?+)#
)I+0
3>?+A#
4>?)#)#
4>?<B#
4>?)8#
4>?<?#
<I<++#
/>?D)#
<I<++#
/>?D<#
4>?)<#
4>?)+#
!6>?<D#
!6>?)<#
!6>?<>#
!6>?<;#
!6>?)+#
!6>?)8#
!6>?))#
)I+0
3>?+D
!6>?)A#
>#
D#
?#
B#
))#
)+#
)<#
)A#
)D#
)8#
;#
+#
)#
A#
8#
);#
)>#
/'>?<)
8B<#
3>?+8#
)ID0
3>?++#
/>?+?#
D<:++#
3>?8<#
>I?0
AI;0
3>?)D#
4>?<8#
)<0#
3>?<D#
/>?+)# ++<6#
<#3>?<>#
<#3>?<;#
.>?<+
.>?<+
2</838O%<<D+
)<:++#
/>?+D#
<#3>?<?#
++<6#/>?+8#
++<6#
/>?++#
4>?<)#
8#)#
:3>?<)#
9:9O).G8<+A-#
:".E$9#O"2#
1>?<)#
-8%%%<<<<A?;#
.91#
.>?<;#
O<O-/<<<<<)B#
1>?<+#
$%Q?<?+<$.#
++0#
3>?+;#
)D0#
3>?)8#
4>?<+#
/>?+;#
<I)#
<I<)#
/>?+A#
4>?<;#
.>?<8#
4>?<A#
8I80
3>?);#
4>?<>#
4>?<D
8I80
3>?)?#
!6>?<+#
!6>?<)#
3>?)A#
>?#
3>?)>#
>?#
D<:++#
/>?+>#
$%Q?<>?<$.#
1>?<8#
/>?+B#
D<:++#
!6>?<A#
!6>?<8#
+#
)#
A#
8#
NF>?<)W
4/F9$%!&/#1&%23%$#5#)<#
#6%'9.#%#/&3/E&!#
2</)<)O%<<D+#
.>?<>#
+)#
D# >#8#
)#
+# A#
)B#
B#
;#
?#
)>#
);#
))#)<#
)+#
)D#
)A#
)8#
)?#
+<#
8D#
8;#
A+#
AA#
A8#
8B#
8?#
A)#
A<#
8>#
88#
++#
8)# +B# +;# +A#
+8#
+>#
+D#
+?#8<#8+#
8A#
&/>?<)
/<F--<<<<<D;
G.#13&:93#&/
%E7K.
%2'1
!6>?8D
!6>?8>
!6>?8;
!6>?8A
%E7K3
.>?<B#
.>?<BC#.>?)<
2</)<<O%<<DD
.>?)<#
.>?<)#
.>?<)#
O<O-/<<<<<)B#
!6>?+B#
!6>?+?#
/>?8)#
<I<++#
.>?<D#
O<O-/<<<<<)B
O<O-/<<<<<)B
O<O-/<<<<<)B
)#;# ># A#+# 8# D#
O0>?<)
F9%16F"'9
!6>?8<#
+#
A#
8#
)#
>#
D#
NF>?<+%W
!6>?8)#
)<<6#
/>?8+#
3>?+?#
)<0#
8B<#
3>?))#
3>?)+#
?+<#
3>?+>#
)+0#
)<<6#
/>?88#
3>?)<#
)<0#
+
)
A
8
NF>?<8W
M>?<)#
M>?<)#
-)%-/G<<<);>#
.91#4N&!/F#
3>?<B#
)0#
3>?<+#
)I?0
<I<)#
/>?<A#
>I8:A;#
/>?<8#
D<:++
/>?<)
/>?<+#
)<<<6#
)# 8#+#
Q>?<)#
-83%1<<<<)A>#
39$"!9#49'4"3#
)0#3>?8)#
)<<<6#
/>?)<#
)<<<6#
/>?)A#
)<<<6#
/>?)D#
)<<<6#
/>?))#
)<<<6#
/>?<B#
)<<<6#
/>?<D#
)<<<6#
/>?<;#
)<<<6#
/>?<?#
)<<<6#
/>?<>#
+#
A#
8#
)#
>#
D#
/'>?<+
.>?<?#
O<O-/<<<<<)B
)0#3>?8+#
)<<3>?88#
/>?);#
)<<<6#
)<<<6#
/>?)>#
)<<<6#
/>?)B#
8?#D# >#)# +# ?# 88#8+# 8A#+B# 8<#+D#++# +A#+8# +;# +?#+># 8)# 8D#))# )+#B# )<# )?# +<# +)#)B#)A#)8# );#)D# )>#;# 8B#
G.>?<)#
%+--<<<<<)>>#
G.#1&46.%R#
)I?0
3>?<8#
A;<6#
/>?)+#
D#
A#
+#
;#
)#
>#
8#
O0>?<+
$E4&/#6"3!
/>?)8#
A;<6#
/>?)?
)<<<6
%E7K19!
G.+#
09R)#
12'1#
F6K.#
09R+#
F6K4N#
:39G5#
3$!#
%G2'1#
G.8I8:#
:".KO"2#
4R4DID:#
4R48I8:#
!39KO"2#
.91K/!3.#
-%44KO"2#
G.)#
E4-#
"6!&"'#
6"N93#
1"N'#
.9G!#
E6#
3&2F!#
G$*%$*
$E4&/#6I
1I-%44
/1K6.%R#
5:6#
:62'1#
4!"6*19$"#
39/#E4-#
"69'*/."49#
%G2'1#
!39KO"2#
F6K3#
F6K2'1#
:39G5#
4R48I8:#
/F%4&4#2'1#
-%44KO"2#
./1K/.0#
./1K/4#
./1K34!#
./1K34#
./1K1%!%#
12'1#
/F%4&4#2'1#
'/#
'/#
492)<#
492)8#
492)+#
'/#
492)>#
'/#
G.K/4#
G.K/.0#
492)A#
492)D#
492))#
'/#
'/#
1"E!#
"4/#
G.K1%!%#
23&1<8#
23&1<+#
23&1<D#
23&1<A#
=AA@#:44#
:11#
23&1<)#
23&1<;#
23&1<>#
23&1))#
=8A@#23&1<B#
=8D@#23&1<?#
492<?#=++@#
492<B#=+)@#
23&1)<#
:44#=)+@#
:11#
5:6#
492<D#
492<8#
492<A#
492<>#
492<;#
492<)#
492<+#
492);#
4%56$782'#6%'9.#%#/&3/E&!
!"#
$%&'#/&3/E&!##
(/'+?<8,#&'#
4/F9$%!&/#
1&%23%$5?#
#
!"#
!3%'4G"3$93#
/&3/E&!#(/'DB<A,#
&'#4/F9$%!&/#
1&%23%$5)A#
#
!"
$%&'#/&3/E&!
(/'+?<B,
&'#4/F9$%!&/
1&%23%$5>
!"
6%'9.#-#/&3/E&!
(NF>?<+-W,#&'
4/F9$%!&/
1&%23%$5))
(),#
();,#
!"
OE6&!93
/&3/E&!
(/'D<+,#&'
4/F9$%!&/
1&%23%$5A
T#H-#4&2'%.#.&'9
T#$E4&/#6"3!#4&2'%.#.&'9 T#$%&'#4&2'%.#.&'9
%#
-#
/#
1#
9#
G#
2#
F#
)# +# 8# A# D# ># ;# ?# B# )<# ))# )+# )8# )A#
)# +# 8# A# D# ># ;# ?# B# )<# ))# )+# )8# )A#
%#
-#
1#
9#
G#
F#
2#
/#
SA-PMX3GN
76

Related product manuals