EasyManua.ls Logo

Panasonic SA-PMX3GN - Page 78

Panasonic SA-PMX3GN
102 pages
Print Icon
To Next Page IconTo Next Page
To Next Page IconTo Next Page
To Previous Page IconTo Previous Page
To Previous Page IconTo Previous Page
Loading...
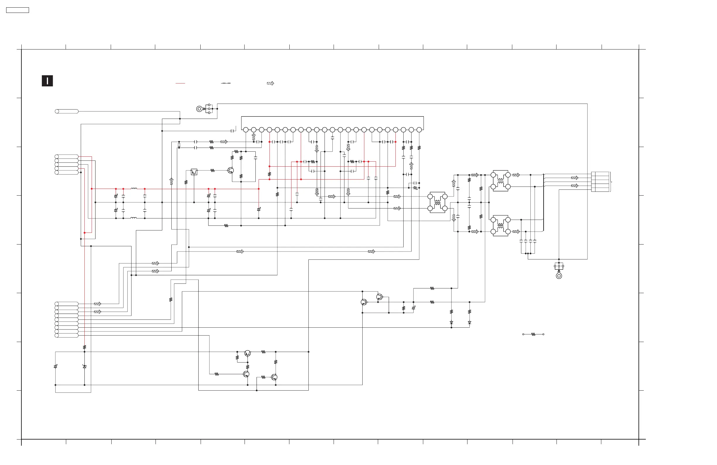
16.6. POWER CIRCUIT
%#
-#
/#
1#
9#
G#
2#
F#
)# +# 8# A# D# ># ;# ?# B# )<# ))# )+# )8# )A#
)# +# 8# A# D# ># ;# ?# B# )<# ))# )+# )8# )A#
%#
-#
1#
9#
G#
F#
2#
/#
3D<<D#
)<#
/D<+;#
<I)#
/D<+?#
<I)#
/D<<;#
88<g#
)<<#
3D<<?#
DI>0#
3D<<)#
3D<<8#
DI>0#
++<g#
/D<))#
>I8:)<<#
/D)88#3D))<#
++0#
<I<<)#
/D<D;#
3D<)B#
>?0#
3D<+<#
)+<0#
/D<8+#
)<<<g#
)>:)<
/D><)#
/D<+8#
<I)
<I)#
/D<+)#
++<g#
/D<)8#
<IA;#
/D<<8#
/D<<D#
<IA;#
"E!+#
G.H#
G.5
G.#
QODA<<
1D<++
$%+O)))<<.$%+O)))<<.
1D)<)
G35#
G3H
G.5#
G.H
G3H#
G35
G3H
G.H
2'1
G.5
G35
+#
8#
)#
D#
A#
O0D<<)
469%0934#
/D<)>#
<I)#
/D<)A#
<I>?#
3D<<>#
.D<<<#
2<QQ<<<<+>D;
/D<)D#
<I>?#
.D<<+#
2<-B3D0<<<<A
2<-B3D0<<<<8
3D<8)#
DI>0#
/D<);#
<I)#
G3#
.D<<)#
3D<8<#
DI>0#
++#
++#
3D<<;#
/D<+D#
<I)#
/D<8<#
++<g#
<I<<)#
/D<D>#
<IA;#
/D<<+#
%2'1#/#
/#
/#
/#
/#
/#
/#
/#
/#
/#
/#
/#
/#
/#
/#
QODA<)#
0A/Q<)<<<<+;#
0A/Q<)<<<<+;
<I<)#
/D<D?#
FXZkjaeU#
DI>0#
3D<<<#
88<g#
/D<<>#
3D<<+#
DI>0#
/D<<A#
<IA;#
/D<+A#
<I)#
:11#
%2'1#
/D<<B#
<I<)D#
/D<<?#
<I<)D#
/)-%<<<<<A?;#
1&2&!%.#%$6.&G&93#&/#
&/D<<<#
/D<+<#
<I)#
/D<++#
<I)#
/D<8)#
<I++
/DD>+#
>I8:)<<<#
1DD<8#
$%Q?<D)<$.#
1/K19!#
GF"6#
G3K&'#
$E!9KG#
%2'1#
4&2'%.#
$"19K1%#
:44#
G%'K2'1#
G%'K1/#
<I)#
/DD)?#
O<O0-<<<<<+<#
.DD<)#
/DD)D#
<I)#
G.K&'#
42'1#
G%'K1/#
/DD)B#
<I)#
.DD<<#
O<O0-<<<<<+<#
<I)#
/DD)A#
%2'1#
<I)V#
/D<)B#
<
0D)+?
3D><+#
)<0#
3D><?#
)<0#
$"19K1%#
/DD+<#
<I)#
<I)
/DD))#
8D:A;<##
/DD)<#
8D:A;<##
/DD+)
3D><8#
)<0#
3D><A#
)I+0#
3D>)<#
)I+0#
3D><B#
)<0#
<I)
/D<)?
)<#
3D<))#
)<<:++#
/D<A<#
4&2'%.#
3D<<A#
)<#
++<g#
/D<)+#
"E!)#
3DD)+
<
3DD)B
3DD)> <
)?<0
++<g#
/D<)<#
3DD)8#
+;0
/DD>)#
<I)#
MDD<8#
-)%-2/<<<<<D#
4N&!/F#
MDD<)#
MDD<)#
-)21/G22<<+>#
4N&!/F#
MD)<+#
-)%-/G<<<);>#
4N&!/F#
MD)<)#
-)%-/G<<<);>#
4N&!/F#
MD><)#
-)%-/G<<<);>#
4N&!/F#
MD><A#
-)%-/G<<<);>#
4N&!/F#
MD><8#
-)%1/9<<<<)+#
$"19#4N&!/F#
3DD)A#
)+<0#
3DD))#
)0#
)<#
3D<)<#
3DD)<
+I+0
/DD)8#
8D:A;<
/DD)+#
8D:A;<
3DD<)#
<#
3D<++
?I+0
0)
<
3D<+)
?I+0
/D<D8# <I)#
/D<D)# <I)#
/D<D+# <I)#
/D<D<# <I)#
<
0D)+B
8#
+#
)#
8# +# )#
+#
A#8#
)#
+#
A#8#
)#
+#
A#8#
)#
8#
:116)#
63"!#
"4/#
:11%)#
&')5#
&')H#
:44%)#
42'1)#
"E!)#
:446)#
4!%-&#
-""!)#
$"19#
&'+5#
&'+H#
"E!+#
:441#
:44%+#
42'1+#
:116+#
:11%+#
:446+#
-""!+#
+#)# ;# ?# B#A# D# ># )B# +)# +8#++#+<#)<# )+# )D#)A# );# )?#)>#)8#))#
4/F9$%!&/#1&%23%$5)+#
#6"N93#(15%$6,#/&3/E&!#
T#H-#4&2'%.#.&'9# T#5-#4&2'%.#.&'9# T#$%&'#4&2'%.#.&'9#
4%56$782'#6"N93#(15%$6,#/&3/E&!
/T#6"N93#(/.%$6,T#4/F9$%!&/#1&%23%$#)8
1T#6"N93#(15%$6,T#4/F9$%!&/#1&%23%$#)+
SA-PMX3GN
78

Related product manuals