EasyManua.ls Logo

Panasonic SA-VK81D - Page 75

Panasonic SA-VK81D
154 pages
Print Icon
To Next Page IconTo Next Page
To Next Page IconTo Next Page
To Previous Page IconTo Previous Page
To Previous Page IconTo Previous Page
Loading...
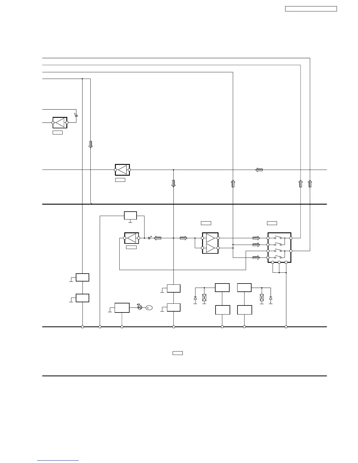
5(3)
7(1)
IC2819
KIA4558FEL
DUAL OP-AMP
C2CBJG000460
MICROPROCESSOR
IC6800
IC2816
C0ABCB000052
QUAD OP-AMP
IC2817
C0ABCB000052
QUAD OP-AMP
Q2841, Q2842
SWITCH
82
SFC
SUR
C
5
9
1
14
IC2818
C0JBAR000292
ANALOG SWITCH
13 14
12
1(3) 15(4)
2(5)
D6808~D6811
B
Q6821~Q6824
SWITCH
24,25,
84,85
LED1~4
9 10 11
77
PARTY
D951PL971D971 PL970
Q6814
SWITCH
80
PLUNGER2
PLUNGER
SWITCH
Q6834
Q6813
SWITCH
50
PLUNGER1
PLUNGER
SWITCH
Q6833
Q2840
SWITCH
63
SURR_C
Q2839
SWITCH
2(6)
1(7)
IC2811
C0AABB000117
HP AMP
Q2823
58
MUT_C
Q2820
MUTING
SWITCH
MUTING
SWITCH
CENTER
75
SA-VK81DGCS / SA-VK81DGCP

Table of Contents

Related product manuals