EasyManua.ls Logo

Panasonic SA-VK81D - Page 92

Panasonic SA-VK81D
154 pages
Print Icon
To Next Page IconTo Next Page
To Next Page IconTo Next Page
To Previous Page IconTo Previous Page
To Previous Page IconTo Previous Page
Loading...
1
2
3
4
5
6
1
2
3
4
5
6
C2502
16V10
R2504
270
R2602
6.8K
C2603
50V3.3
R2920
1K
R2307
56K
R2852
1K
R2600
10K
R2611
10K
C2609
50V10
R2863
56K
R2862
6.8K
R2868
1K
R2869
56K
C2860
50V4.7
R2870
56K
R2872
56K
R2873
56K
C2862
50V4.7
R2881
0
R2871
0
R2959
220K
C2916
16V100
C2123
0.22
R2235
1.8K
C2221 0.22
C2220
0.22
R2131
68K
R2234
68K
C2954 50V10
R2958
0
R2961 2.2K
C2913 0.1
C2953
0.22
R2957
120K
R2606
56K
R2605 5.6K
R2610 56K
C2607
0.068
C2602 50V1
C2944 0.01
C2305 50V2.2
C2402 50V2.2
R2515 10K
R2306 1.8K
R2404 1.8K
R2609 3.3K
R2120
1K
R2264
2.2K
R2301
10K
C2113
50V4.7
R2167
2.2K
C2115
100P
C2116
100P
R2122
39K
C221
5
16V4
7
R2233
0
R2221
39K
C2214
100P
C2213
100P
R2219
1K
C2211
50V4.7
C2872
0.01
R2218
220K
R2642
0
R2918
220K
R2921
3.3K
R2853
3.3K
MUTE_SUB
MUTE_SUR
-9V
-9V
Q2815 Q2816
Q2825
Q2818
Q2819
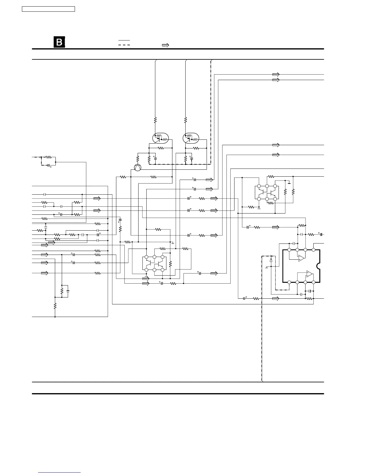
IC2811
C0AABB000117
HP AMP IC
MAIN CIRCUIT
SCHEMATIC DIAGRAM - 13
: MAIN SIGNAL LINE: -B SIGNAL LINE
: +B SIGNAL LINE
Q2815, 2816
B1GDCFGA0014
MUTING SWITCH
Q2825
B1ABEB000001
MUTING SWITCH
Q2818
B1GFGCAA0001
MUTING SWITCH
Q2819
B1GFGCAA0001
MUTING SWITCH
C2151
50V4.7
C2249
50V4.7
R2300
27K
C2318
33P
R2413
56K
C2319
50V0.47
C2410
50V0.47
C2517
50V0.47
12
78
3
6
4
5
92
SA-VK81DGCS / SA-VK81DGCP

Table of Contents

Related product manuals