EasyManua.ls Logo

Panasonic SA-VK91DGCS - Replacement for the Cassette Lid Ass 馳

Panasonic SA-VK91DGCS
155 pages
Print Icon
To Next Page IconTo Next Page
To Next Page IconTo Next Page
To Previous Page IconTo Previous Page
To Previous Page IconTo Previous Page
Loading...
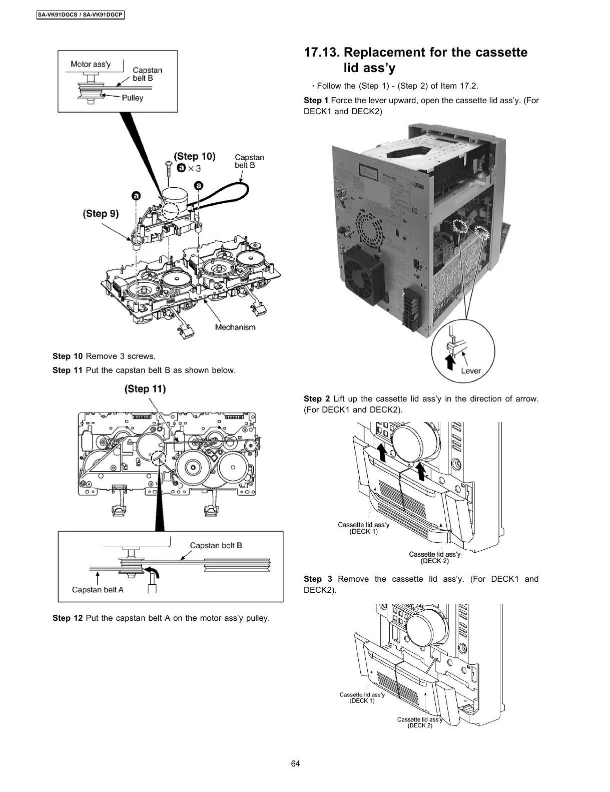
Step 10 Remove 3 screws.
Step 11 Put the capstan belt B as shown below.
Step 12 Put the capstan belt A on the motor ass’y pulley.
17.13. Replacement for the cassette
lid ass’y
·
Follow the (Step 1) - (Step 2) of Item 17.2.
Step 1 Force the lever upward, open the cassette lid ass’y. (For
DECK1 and DECK2)
Step 2 Lift up the cassette lid ass’y in the direction of arrow.
(For DECK1 and DECK2).
Step 3 Remove the cassette lid ass’y. (For DECK1 and
DECK2).
64
SA-VK91DGCS / SA-VK91DGCP
All manuals and user guides at all-guides.com

Table of Contents

Related product manuals