EasyManua.ls Logo

Panasonic SA-VK91DGCS - Page 79

Panasonic SA-VK91DGCS
155 pages
Print Icon
To Next Page IconTo Next Page
To Next Page IconTo Next Page
To Previous Page IconTo Previous Page
To Previous Page IconTo Previous Page
Loading...
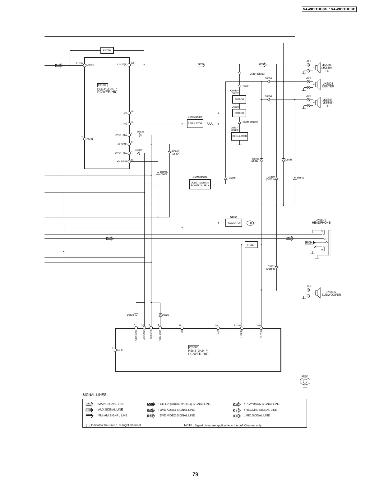
Q5813,Q5814
DCDET SWITCH,
POWER SUPPLY
Q5810~
Q5812
SWITCH
Q5805,Q5806
REGULATOR
Q5809
SWITCH
Q5804
REGULATOR
D5854(D5859)
Q5807,
Q5808
REGULATOR
JK6801
HEADPHONE
21(20)
L IN(R)
L OUT(R)
3(6)
-VD
19
+VD
18
7
AC IN
JK5803
(JK5804)
FR
LCH
JK5803
CENTER
LCH
JK5804
(JK5805)
LO
LCH
E5801
RCH
B
IC5803
RSN312H24-P
POWER HIC
D5821
D5819(D5820)
D5810
D5855
D5856
D5823
D5822
D5803,
D5804
-Di SENS
14
-VCC LOW
5
+Di SENS
13
+VCC LOW
4
D5805,
D5806
D5850
(D5851)
D5849
D5848
FILTER
SIGNAL LINES
( ) Indicates the Pin No. of Right Channel.
: MAIN SIGNAL LINE
: FM /AM SIGNAL LINE
NOTE : Signal Lines are applicable to the Left Channel only.
: AUX SIGNAL LINE
: CD-DA (AUDIO /VIDEO) SIGNAL LINE
: DVD AUDIO SIGNAL LINE
: DVD VIDEO SIGNAL LINE
: RECORD SIGNAL LINE
: PLAYBACK SIGNAL LINE
: MIC SIGNAL LINE
7
AC IN
IC5805
RSN312H24-P
POWER HIC
-VD
19
+VD
18
D5858
(D5857)
D5852
(D5853)
JK5805
SUBWOOFER
LCH
D5825
-Di SENS
14
-VCC LOW
5
D5824
+Di SENS
13
+VCC LOW
4
L IN(R)
21(20)
L OUT(R)
3(6)
FILTER
79
SA-VK91DGCS / SA-VK91DGCP
All manuals and user guides at all-guides.com

Table of Contents

Related product manuals