EasyManua.ls Logo

Panasonic SB-FS730 - Page 85

Panasonic SB-FS730
158 pages
Print Icon
To Next Page IconTo Next Page
To Next Page IconTo Next Page
To Previous Page IconTo Previous Page
To Previous Page IconTo Previous Page
Loading...
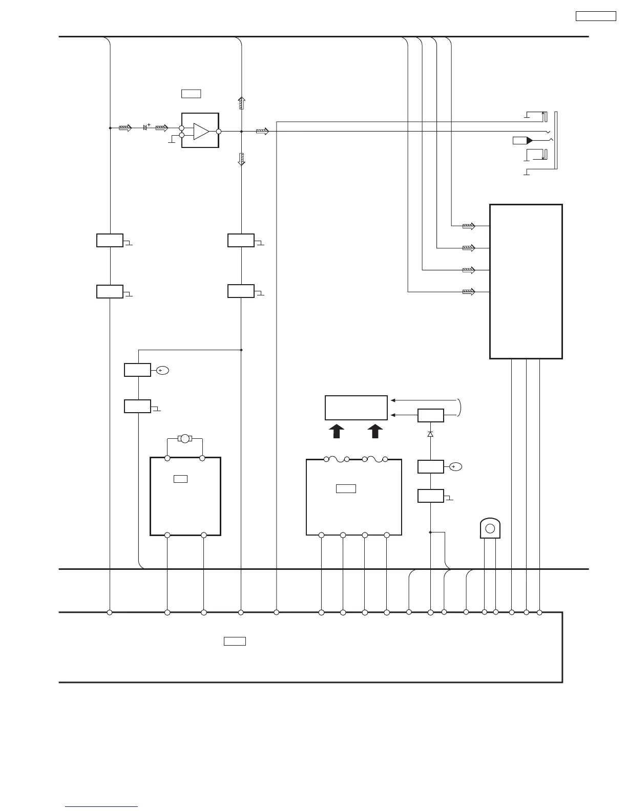
MICROCONTROLLERS
IC36001
C2CBJG000576
ACTIVE SUB WOOFER
7(11)
FL(R)
DCDET
SUBWOOFER
17
15
5
C
12(14)
SL(R)
2
59
MUTE_H
69
HP_SW
RCH
HEADPHONE
JK7001
IC2013
C0AABB000125
C
SW
FRONTL(R)
SL(R)
HIC_MUTE
19
66
ASW_PCONT
PCONT
78
ASW_PDET
LOUT(R)
FIN3
54
MUTE_HP
Q2102
Q2201
72
MUTE_F
Q2200
Q2105
MUTING
SWITCH
MUTING
SWITCH
Q36001
MUTING
SWITCH
QR36003
MUTING
SWITCH
2(6)
1(7)
8281
JOG A
JOG B
P.SAVEL
OP AMP
19 5
RMT
WIDE1
RMT
67
DVD_PCNT
DVD_PCNT
WIDE1
M
C0GAG0000007
DRIVE
IC11
F_IN
7
R_IN
9
UP/DOWN_F
43
UP/DOWN_R
26
OUT2
2
RM11
MUTING
SWITCH
MUTING
SWITCH
UP/DOWN
MOTOR
OUT1
4
SEG01
15~23,
25~50
SEG35
DIG00
DIG08
1~4,
60~64
DP7201
FL DISPLAY
IC7201
C0HBB0000039
FL DRIVER
657 8
88 90
FLD_CS
/CS
FLD_RST
89 87
FLD_CK
FLD_DA
75
PWR_SAVE
/RESET
SCK
SDATA
FL DRIVE
QR7201
Q7001
D7202
QR7202
SWITCH
SWITCH
FROM
POWER
TRANSFORMER
B
VOLUME
JOG
VR7201
3(5)
P.ON H
B
85
SA-HT833VP

Table of Contents

Related product manuals