EasyManua.ls Logo

Panasonic SC-HTB550GK

Panasonic SC-HTB550GK
154 pages
To Next Page IconTo Next Page
To Next Page IconTo Next Page
To Previous Page IconTo Previous Page
To Previous Page IconTo Previous Page
Loading...
108
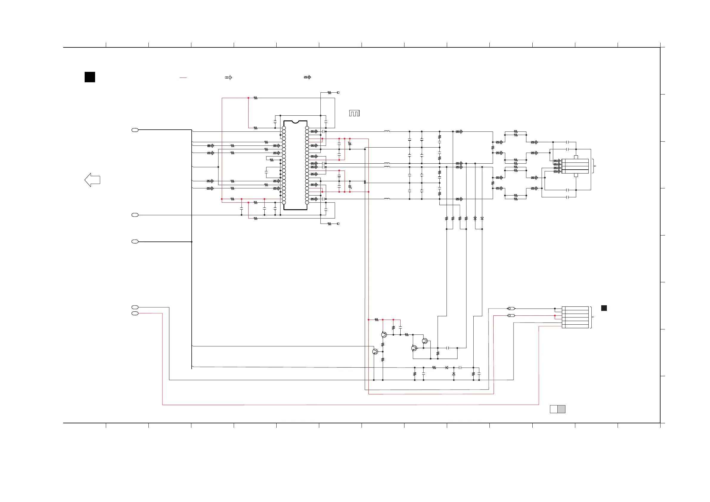
16.2.10. DAMP CIRCUIT (2/2)
15 16 17 18 19 20 21 22 23 24 25 26 27 28
15 16 17 18 19 20 21 22 23 24 25 26 27 28
A
C
D
B
E
G
H
F
B
DAMP CIRCUIT
SCHEMATIC DIAGRAM - 10
DAMP CIRCUIT
2/21/2
TO DAMP
SECTION (1/2)
SC-HTB550GK/GS/GSX
(SU-HTB550GK/GS/GSX)
TO
SMPS CIRCUIT
(JW1)
IN SCHEMATIC
DIAGRAM - 12
G
TO SPEAKERS
P2
3
2
1
P1
NOTE: “ * ” REF IS FOR INDICATION ONLY
: +B SIGNAL LINE
: OPTICAL AUDIO INPUT SIGNAL LINE
: AUDIO OUTPUT SIGNAL LINE
R5307 100K
R5407 100K
R5308 100K
D5301
D5401
R5408 100K
RL5002*
C5807
0
R5305
3.3
C5317
0.01
1000PC5323
5.6K
R5309
R5419
C5314
0.1
C5320
1
1000PC5324
R5306
3.3
C5318
0.01
R5312
R5320
1
C5308
1
C5307
R5102 100
R5101 100
R5103 22K
C5403
C5304
0.033
0.033
0.033
R5311
R5319 0
0
0
0
0
0
C5319
1
L5304
G0A100H00018
C5313
0.1
C5303
0.033
C5309
35V470
RL5001*
C5806
0
C5302
0.1
R5301 10
R5302 10
C5301
0.1
5.6K
R5409
R5411
R5405
3.3
C5417
0.01
L5404
C5413
0.1
C5419
1
1
C5407
C5402
C5401
0.1
C5409
35V470
C5408
1
C5404
0.1
L5405
G0A100H00018
C5418
0.01
C5423 1000P
C5424 1000P
R5412
R5420 0
0
R5406
3.3
C5414
0.1
C5420
1
C5101
0.1
C5103
0.1
R5401 10
R5104 100
G1
G2
2
1
4
3
P5100
IC5300
C1AB00003217
DIGITAL AMPLIFIER
VALID
PWM_FL-
PWM_FL+
47R5417
R5416 47
PWM_FR+
PWM_FR-
OTW
R5317 47
R5316 47
SD
R5105 10
C5102
10
D5803
R5817
47K
C5804
1
L5901
J0JKB0000020
2
4
3
1
6
5
CN5900
L5902
J0JKB0000020
39KR5818
C5802
10
R5806
33K
R5811
100K
R5805
56K
ECO_LEVEL
Q5802
B1ABCF000011
DC DETECT
DC_DET
R5804
47K
Q5804
B1ABCF000011
DC DETECT
C5803
0.1
C5805
1000P
Q5805
B1ABCF000011
DC DETECT
220K
R5803
4.7K
R5801
Q5803
B1ADBL000010
DC DETECT
43
10
11
13
34
36
35
12 33
6
7
5
4
39
38
41
40
8
9
37
2322
15
16
14
17
18
20
19
31
32
28
27
25
26
30
29
21 24
3
2
1
42
44
220K
R5802
C5801 0.1
FRONT_L+
FRONT_L-
FRONT_R+
FRONT_R-
PVCC
PGND
PGND
PVCC
DC20V
GND
OTW(L)
PVDD_A
OUT_A
GND_B
BST_B
NC
OUT_C
GND_D
BST_D
OUT_D
GND_C
BST_C
PVDD_B
PVDD_D
GVDD_D
PVDD_D
PVDD_C
OUT_B
GND_A
PWM_A
OC_ADJ
M3
M1
NC
VDD
NC
M2
GND
VREG
PWM_D
PWM_C
GVDD_C
AGND
PWM_B
RST_CD(L)
RST_AB(L)
PVDD_ASD(L)
NCNC
NC
GVDD_AGVDD_B
BST_A
G0A100H00018
L5305
G0A100H00018
HEATSINK*
D5301, D5401
DA2J10100L
DA2J10100L
D5804
DA2J10100L

Table of Contents

Related product manuals