EasyManua.ls Logo

Panasonic SU-HTB550GK

Panasonic SU-HTB550GK
154 pages
To Next Page IconTo Next Page
To Next Page IconTo Next Page
To Previous Page IconTo Previous Page
To Previous Page IconTo Previous Page
Loading...
110
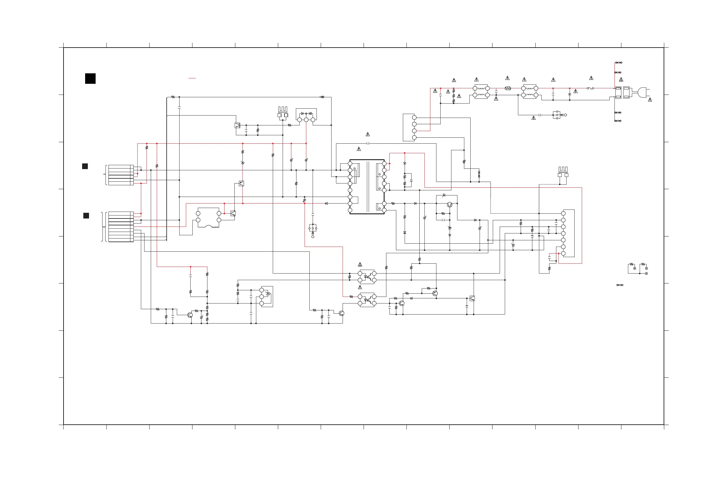
16.2.12. SMPS CIRCUIT
A
1
2 3 4 5 6 7 8 9 10 11 12 13 14
1 2 3 4 5 6 7 8 9 10 11 12 13 14
C
D
B
E
G
H
F
A
C
D
B
E
G
H
F
SMPS CIRCUIT
SC-HTB550GK/GS/GSX (SU-HTB550GK/GS/GSX)
G
SMPS CIRCUIT
SCHEMATIC DIAGRAM - 12
TO
DAMP CIRCUIT
(CN5900)
IN SCHEMATIC
DIAGRAM - 10
B
TO
MAIN (CPU)
CIRCUIT
(CN2202)
IN SCHEMATIC
DIAGRAM - 6
A
1
9
AC IN
110V ~ 240V
50/60Hz...GS/GSX
220V
50Hz...GK
CL5720
CL5724
CL5723
: +B SIGNAL LINE
3
2
4
1
NOTE: “ * ” REF IS FOR INDICATION ONLY
G2G1
HEAT SINK UNITB
ZA1*
C5712
400V180
...GS/GSX
400V68...GK
K5701*
1M
R5701
R5710
1M
R5700
1M
C5705
K103*
3
2
1
ZJ5701
K104*
C5702
DZ5701
ERZV10V511CS
K101*
F1
P5701
K102*
C5701
0.1
D4CAA5R10001
TH5702
3
2
4
1
~-~
3
2
4
+
1
B0EBNR000045
D5701
C5703
0.1
0.1
K5726*
R5727
0.18
D5713
DZ2J330M0L
R5732
470
1000P
C5722
R5733
27K
C5730
4.7
C5724
220P
C5747
560P
C5727
50V100P
6
5
7
3
2
1
4
IC5701
C0DAAYY00064
SWITCHING REGULATOR
0
R5866
QR5823
B1GDCFJJ0008
SWITCH
R5801
100
K5801
0
SYNC
D5812
0
C5897
0.1
C5700
470P
D5721
B0EAMM000057
B0HBSM000054
5.6K
R5864
DCDET
C5791
10
QR5862
B1GBCFGG0030
THERMAL DETECT
R5862
2.2K
D5823
DZ2J068M0L
1.5K
R5809
R5823
220
35V470
C5808
G2G1
HEAT SINK UNITA
ZA2*
312
D5802
2
4
3
1
6
5
JW1
C5805
35V470
B0BC020A0267
D5704
R5702
100K
D5702
B0EAKT000063
C5713
0.01
R5703
100K
470K
R5760
10K
R5762
10K
R5763
Q5761
B1ABCN000001
OP-AMP
C5761
0.1
Q5760
B1ADCN000010
CURRENT
LIMITING SWITCH
C5726
50V10
DCDET
SYNC
3 2
1
ZJ5703
33K
R5766
R5818
2.2K
C5820
56P
C5819
56P
A
R
K
R5802
3.3K
6800P
C5817
R5814
1K
R5810
220
R5806
10K
100K
R5861
C5869
0.01
R5804
100K
R5728
22K
C5828
6.3V470
R5819
150
R5805
10K
Q5863
B1ABGC000001
ECO CONTROL
R5817
2.2K
C5818
0.1
Q5864
B1ABGC000001
SWITCH
R5869
22K
C5870
10
47K
R5868
R5867
1K
R5767
22K
R5764
4.7K
4
3
1
2
PC5760
C5760
0.1
4
3
1
2
FEEDBACK
FEEDBACK
PC5720
R5808
4.7K
B0EAMM000057
D5803
3.3
R5720
B0EAMM000057
D5712
C5814
10V1000
14
23
IC5822
C0EBY0000867
VOLTAGE DETECTOR
3
2
6
7
4
5
1
9
8
CN1
QR5824
B1GBCFJJ0048
SWITCH
C5800
0.01
R5722
5.6K
9
10
11
12
13
8
14
15
16
1
7
6
5
4
2
T5701
ETS35BL166AD
MAIN TRANSFORMER
D5705
B0BC020A0267
100P
C5720
QR5762
B1GBCFJA0006
SWITCH
Q5720
B1BABG000007
VOLTAGE REGULATOR
2.2K
R5721
GND
VSS
OUT
DC20V
NC
VDD
DC20V
SYNC
GND
BK5V
SW_STOP
SMPSDET
ECO_CONT
PGND
0V
PVCC
GND
DC20V
PGND
PVCC
+30V
...GS/GSX
...GK
...HTB550
VIN
VCC
D
BD
FB
NF
S
VCC
GND
T3.15A 250V
DRAIN
L5703
ELF19H010A
K5724
0
L5702
ELF19H820E
R5761
820K
IC5801
C0DAAYY00072
SHUNT REGULATOR
D5760
DA2J10100L
D5706
DA2J10100L
DA2J10100L
D5710
D5807
DA2J10100L
K5723
0
470P...GS/GSX
1000P...GK

Table of Contents

Related product manuals