EasyManua.ls Logo

Panasonic SU-HTB550GK

Panasonic SU-HTB550GK
154 pages
To Next Page IconTo Next Page
To Next Page IconTo Next Page
To Previous Page IconTo Previous Page
To Previous Page IconTo Previous Page
Loading...
93
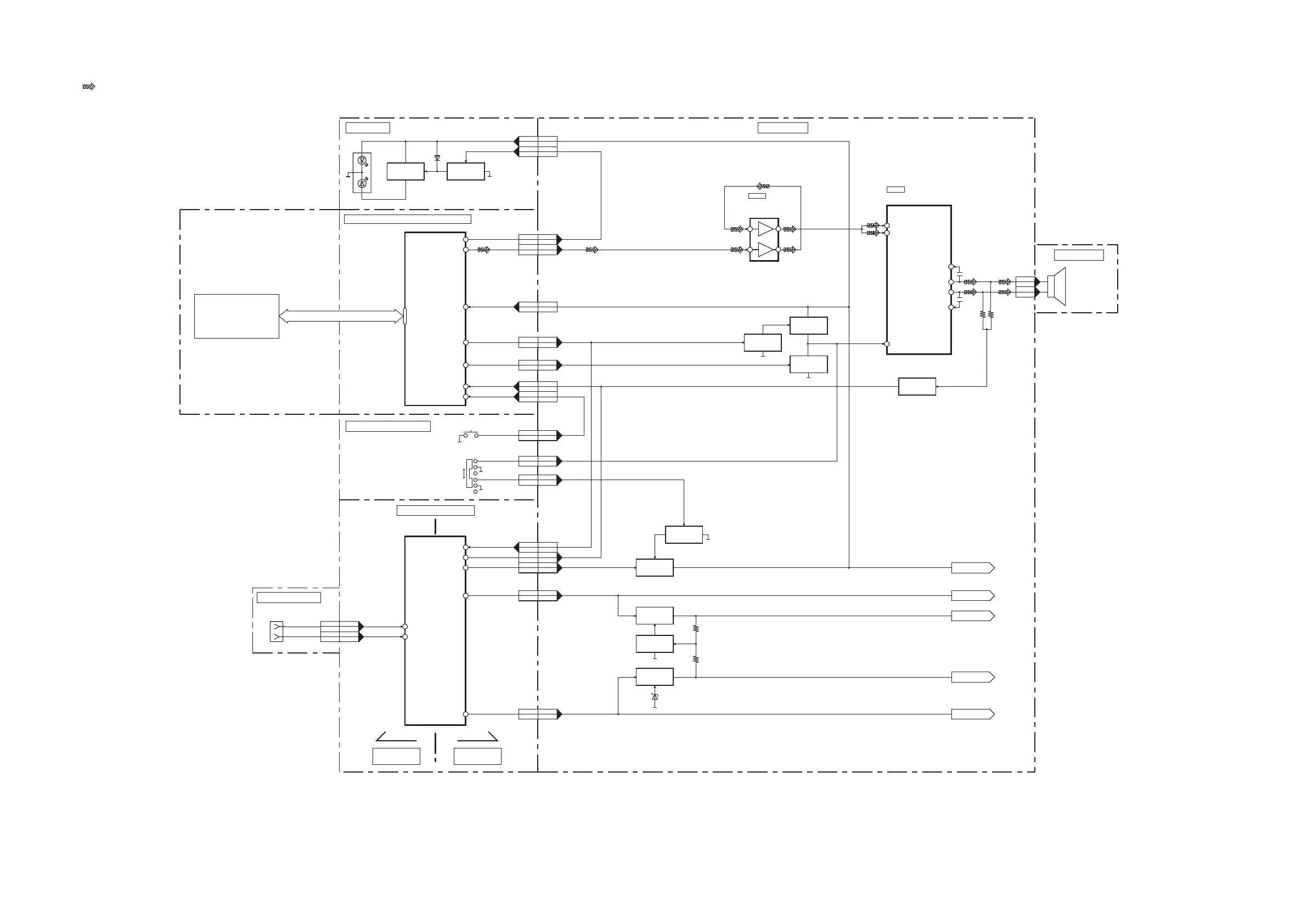
14.7. AUDIO & POWER SUPPLY BLOCK DIAGRAM
SC-HTB550GK/GS/GSX(SB-HWA520GK/GS/GSX) AUDIO & POWER SUPPLY BLOCK DIAGRAM
44
CN1000-
CH2 IN RCH
I/D SET
S1000
POWER
S1001
PCONT
SWITCH
MUTING
+5V POWER
SUPPLY
SWITCH
Q1006
Q1004
Q1005
SWITCHING MODE
POWER SUPPLY
CIRCUIT
DIGITAL
RECEIVER
CIRCUIT
23.5V
16V
-16V
-23.5V
11
H1001*CN201*
PCONT
99
CN1000-
IDSET
11
CN1003CN4000*
LINK LED
33
CN1003CN4000*
5V
1212
CN1000-
DC DET
55
CN1000-
+5V
+23.5V
22
H1001*CN201*
IDSETIDSET
5V
LINK LED
MODE SW
POWER SW
41
CN1002H1004*
-23.5V
55
H1001*CN201*
DC DET
66
H1001*CN201*
L
RED
CN101*
TL10*
N
BLK
CN101*
TL20*
POWER SW
23
CN1002H1004*
MODE SW
14
CN1002H1004*
PCONT
77
CN1000-
RF MUTE
1010
CN1000-
LINK LED
CH2 R OUT
IDSET
DC DET
5V
RF PCONT
RF MUTE
LINK
88
CN1000-
+5V
PCONT
+23V
-23V
MUTE
+5V
77
H1001*CN201*
P5701
POWER AMPLIFIER
C1BA00000497
IC5200
-
+
Q1007,Q1008
SPEAKER
PROTECTION
SWITCH
OUT1
10
BOOT1
9
OUT2
14
BOOT2
15
3
IN1-
22
IN2+
23
MODE
2
CN1005
1
CN1005
2
1
6
7
DUAL
OP-AMP
C0ABBB000244
IC3002
+23.5V
+16V
Q2002
+16V VOLTAGE
REGULATOR
Q2010
STABILIZER
LED DRIVE SWITCH
Q1009
VOLTAGE
SUPPLY
CONTROL
-23.5V
Q2011
-16V VOLTAGE
REGULATOR
-16V
+23.5V
-23.5V
5V
+5V
+16V
-16V
+5V
Q1003
+5V POWER
SUPPLY
+5V
: AUDIO OUTPUT SIGNAL LINE
AC INLET
DAMP P.C.B.
AC INLET P.C.B.
POWER BUTTON P.C.B.
LED P.C.B.
SPEAKER
SUBWOOFER
NOTE: “ * ” REF IS FOR INDICATION ONLY
LED
FREQUENCY
SU-HTB550GK/GS/GSX
D2000
DIGITAL RECEIVER MODULE P.C.B.
SMPS MODULE P.C.B.
SECONDARYPRIMARY

Table of Contents

Related product manuals