EasyManua.ls Logo

Panasonic SU-HTB550GK

Panasonic SU-HTB550GK
154 pages
To Next Page IconTo Next Page
To Next Page IconTo Next Page
To Previous Page IconTo Previous Page
To Previous Page IconTo Previous Page
Loading...
111
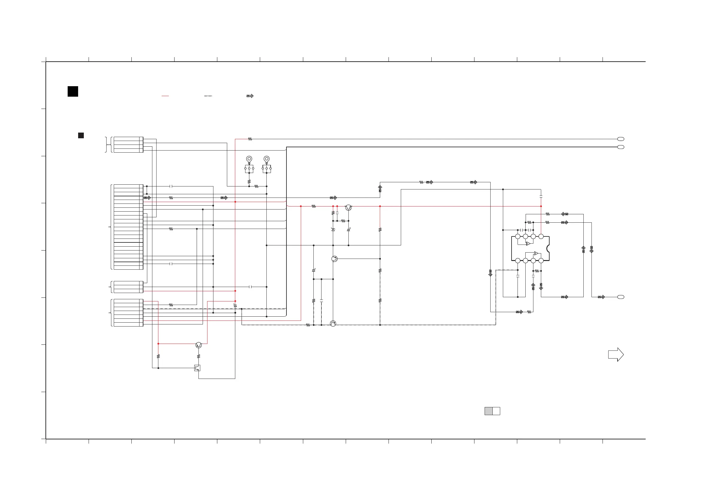
16.3. Active Subwoofer (SB-HWA520)
16.3.1. DAMP CIRCUIT (1/2)
A
1
2 3 4 5 6 7 8 9 10 11 12 13 14
1 2 3 4 5 6 7 8 9 10 11 12 13 14
C
D
B
E
G
H
F
2/21/2
SC-HTB550GK/GS/GSX (SB-HWA520GK/GS/GSX)
DAMP CIRCUIT
1
2
P1
TO DAMP
CIRCUIT (2/2)
H
DAMP CIRCUIT
SCHEMATIC DIAGRAM - 13
: +B SIGNAL LINE : -B SIGNAL LINE
: AUDIO OUTPUT SIGNAL LINE
TO
DIGITAL RECEIVER
MODULE
I
TO
POWER BUTTON
CIRCUIT (H1004*)
IN SCHEMATIC
DIAGRAM - 15
TO SMPS MODULE
TO LED
NOTE: “ * ” REF IS FOR INDICATION ONLY
+23.5V
B1ACKD000006
+5V POWER SUPPLY
Q1003
PGND
C1003
0.1
Z1003
C1000
0
0
C1010
PCONT
0.1
C5603
C1009
6.3V680
R1000
150K
2
1
1
4
4
3
CN1002
6
5
8
9
11
12
10
18
15
17
16
20
19
13
14
7
2
1
4
3
22
21
CN1000
D1000
0
C4000
0.1
+5V
-23.5V
R1003 0
0R1034
1
3
2
CN1003
4
5
1
3
2
7
6
H1001*
DC_DET
MODE_SW
RF_MUTE
1K
R1020
10K
R5770
B1GBCFJJ0051
VOLTAGE SUPPLY
CONTROL
Q1009
PGND
PCONT
-23.5V
+5V GND
+23.5V
5V
+5V
DC_DET
LINK_LED
5V_GND
NC
NC
DGND
RF_MUTE
NC
NC
NC
NC
NC
DC_DET
+5V
AGND
AGND
IDSET
MODE_SW
POWER_SW
+5V_GND
+5V_GND
CH2_IN_LCH
CH2_IN_RCH
IDSET
PCONT
LINK_LED
NC
LED2
LED1
Z1000
321321
R3204
10K
R3206
0
C3205
10K
C2015
0.1
C2006
0.1
1000P
C3105C3106
100P
675
24 3
8
1
IC3002
C0ABBB000244
1.2K
R5769
390
R3107
R3108
6.8K
K1004
0
DUAL OP-AMP
B1ACKD000006
Q2011
22
R2010
27
R2005
C2001
25V100
C2000
0.1
R2006
10K
Q2002
B1AAKD000012
-16V VOLTAGE
REGULATOR
+16V VOLTAGE
REGULATOR
R2014
560
8.2K
R2013
22
R2000
D2000
B0BC01600013
2.7K
R2004
C2010
25V100
0.1
C2011
Q2010
B1ACCF000093
STABILIZER
R2012
2.7K
-VCC
+VCC

Table of Contents

Related product manuals