EasyManua.ls Logo

Panasonic TH-42PV8MSA - P-Board Schematic Diagrams (1;6 to 6;6)

Panasonic TH-42PV8MSA
126 pages
Print Icon
To Next Page IconTo Next Page
To Next Page IconTo Next Page
To Previous Page IconTo Previous Page
To Previous Page IconTo Previous Page
Loading...
38
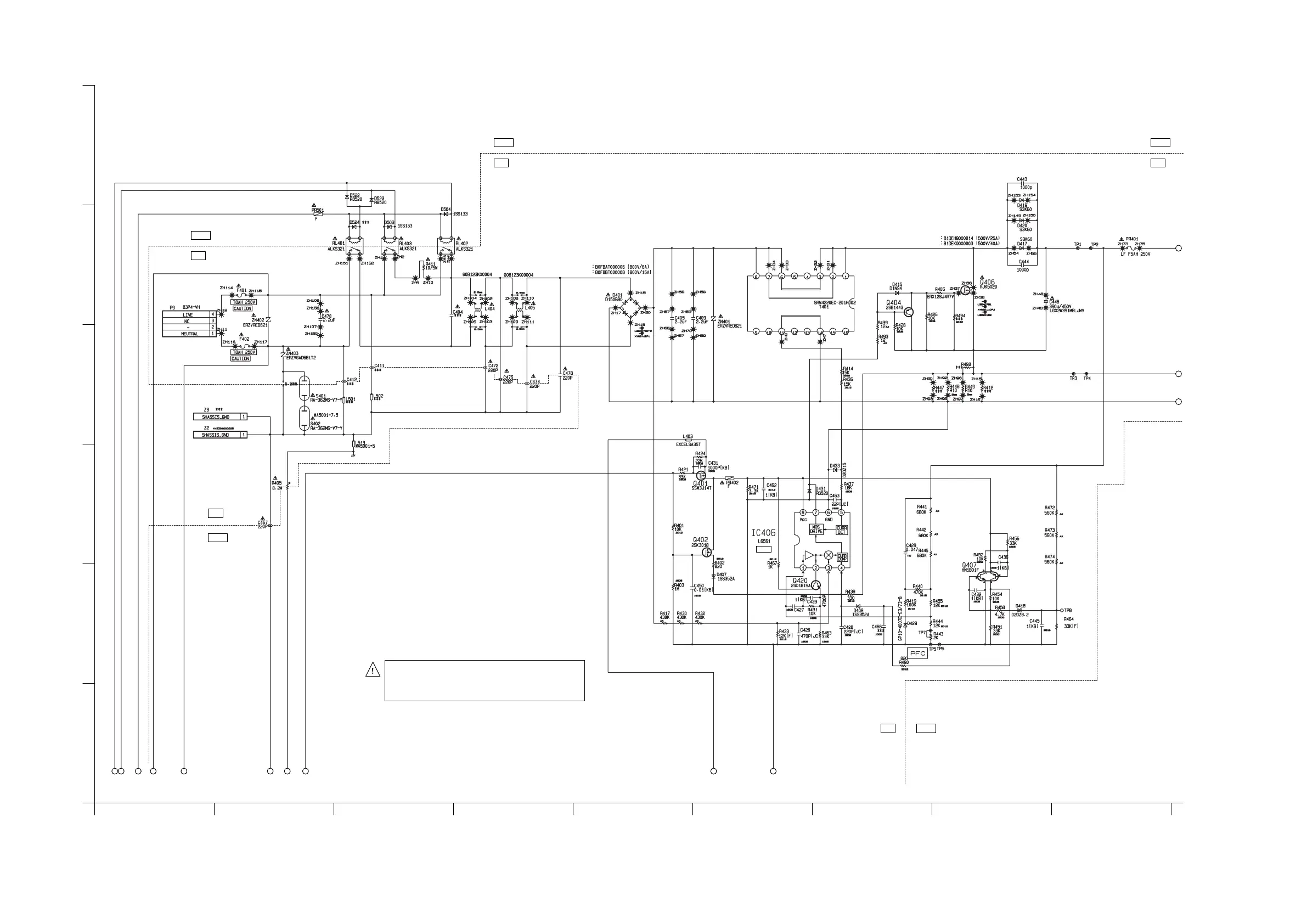
11.2. P-Board (1/6) Schematic Diagram
Europe
Asia
E
968712
F
B
4
C
5
A
3
D
TH-42PV8DA/HA/HMA/MA/MRA/MSA/MTA
P-Board (1/6) Schematic Diagram
TH-42PV8DA/HA/HMA/MA/MRA/MSA/MTA
P-Board (1/6) Schematic Diagram
1
2
3
AA AB AC AD AE AF AG AH AI AJ
COLD
HOT
COLD
HOT
COLD
HOT
COLD
HOT
COLD
HOT
TO
AC CORD
PFC
P-BOARD (1/6)
LSEP1260WTHB (DA/HA/HMA/MTA)
LSEP1260WMHB (MA/MRA/MSA)
Europe
Asia

Related product manuals