EasyManua.ls Logo

Panasonic TH-42PV8MSA - Page 39

Panasonic TH-42PV8MSA
126 pages
Print Icon
To Next Page IconTo Next Page
To Next Page IconTo Next Page
To Previous Page IconTo Previous Page
To Previous Page IconTo Previous Page
Loading...
39
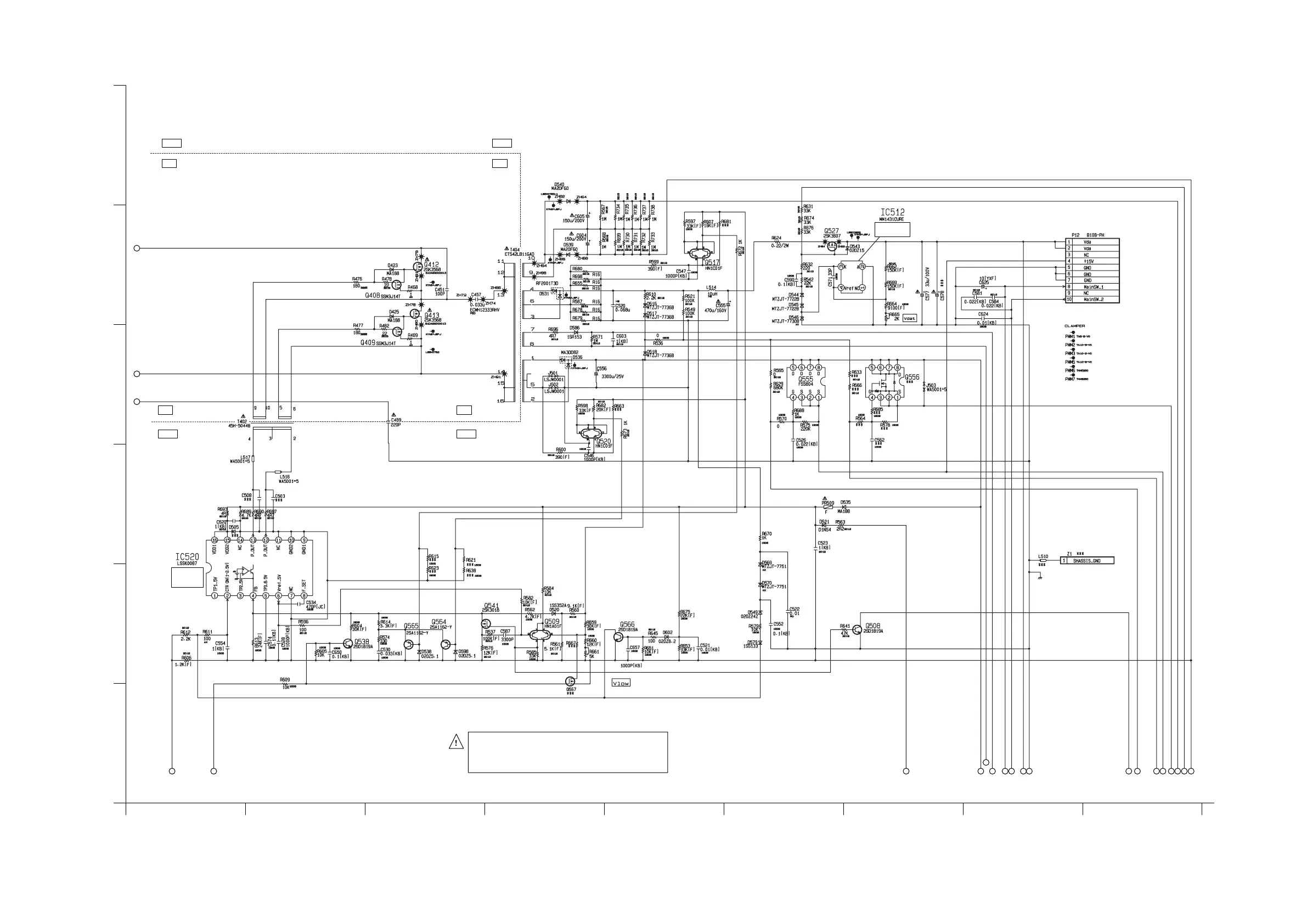
11.3. P-Board (2/6) Schematic Diagram
E
968712
F
B
4
C
5
A
3
D
TH-42PV8DA/HA/HMA/MA/MRA/MSA/MTA
P-Board (2/6) Schematic Diagram
TH-42PV8DA/HA/HMA/MA/MRA/MSA/MTA
P-Board (2/6) Schematic Diagram
1
2
3
BA BB BC BD BF
BE
BG BIBH BJ BK BM BO BPBN BQ BRBL
COLD
HOT
COLD
HOT
COLD
HOT
COLD
HOT
POWER
CONTROL
(Vlow)
TO
SS-BOARD
(SS12)
ERROR DET
(Vda)
P-BOARD (2/6)
LSEP1260WTHB (DA/HA/HMA/MTA)
LSEP1260WMHB (MA/MRA/MSA)

Related product manuals