EasyManua.ls Logo

Panasonic TX-26LE8A - A Board

Panasonic TX-26LE8A
61 pages
Print Icon
To Next Page IconTo Next Page
To Next Page IconTo Next Page
To Previous Page IconTo Previous Page
To Previous Page IconTo Previous Page
Loading...
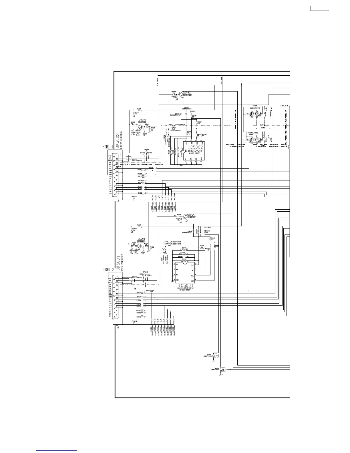
11.2. A Board
11.2.1. A Board (1 / 10)
<1A>
<2A>
<3A>
<4A>
<5A>
<6A>
<7A>
<8A>
<9A>
27
TX-26LE8A

Related product manuals