EasyManua.ls Logo

Panasonic TX-P50VT20E - P-Board (3;3) Schematic Diagram

Panasonic TX-P50VT20E
164 pages
Print Icon
To Next Page IconTo Next Page
To Next Page IconTo Next Page
To Previous Page IconTo Previous Page
To Previous Page IconTo Previous Page
Loading...
54
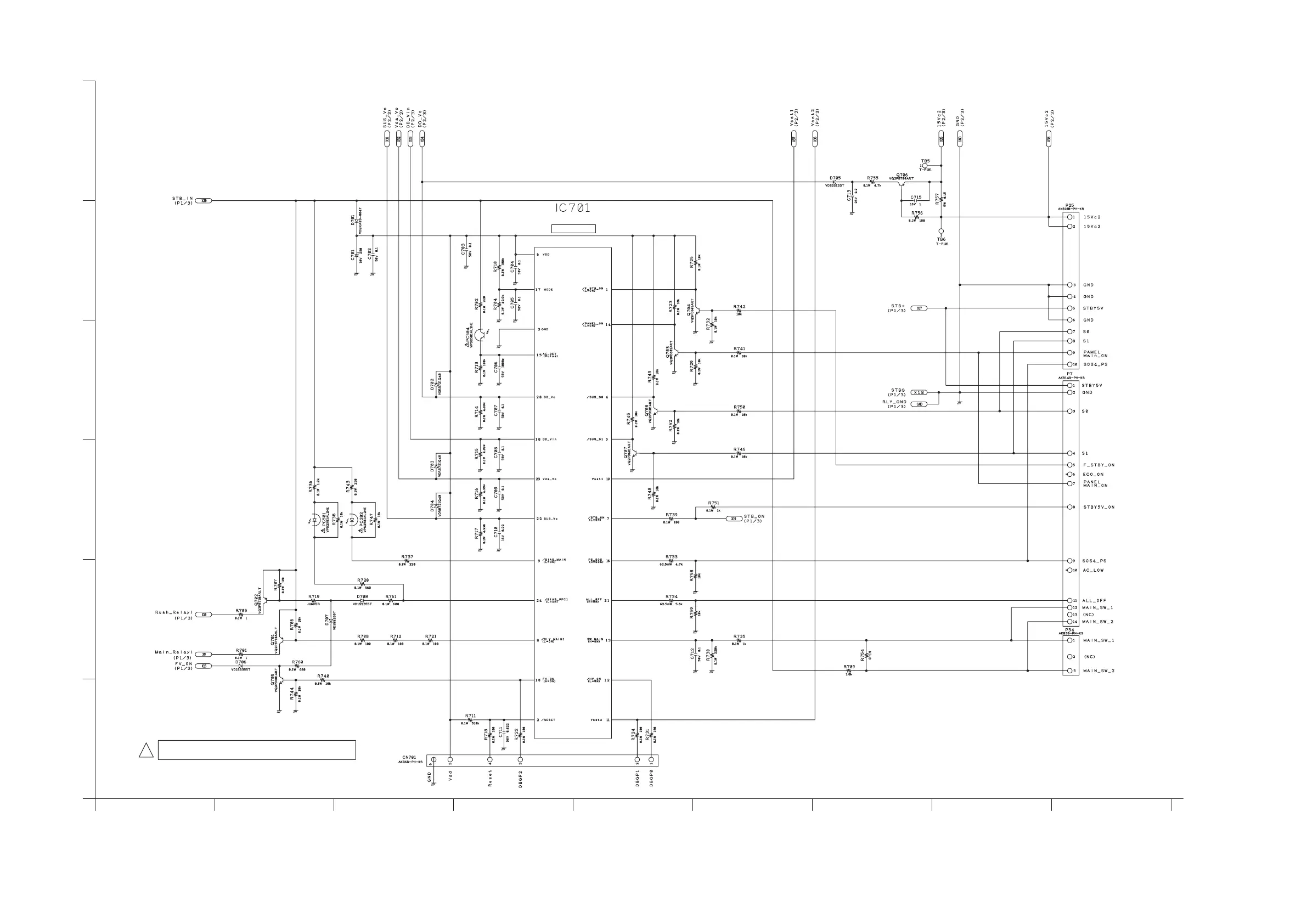
13.4. P-Board (3/3) Schematic Diagram
E
B
4
D
731
C
5
F
2 896
A
!
P-BOARD ETX2MM806MVH (3/3)
POWER MICOM
TO
A-BOARD
(A7)
TO
D-BOARD
(D25)
VISM42N04T

Table of Contents

Related product manuals