EasyManua.ls Logo

Panasonic TX-P50VT20E - SC-Board (2;4) Schematic Diagram

Panasonic TX-P50VT20E
164 pages
Print Icon
To Next Page IconTo Next Page
To Next Page IconTo Next Page
To Previous Page IconTo Previous Page
To Previous Page IconTo Previous Page
Loading...
97
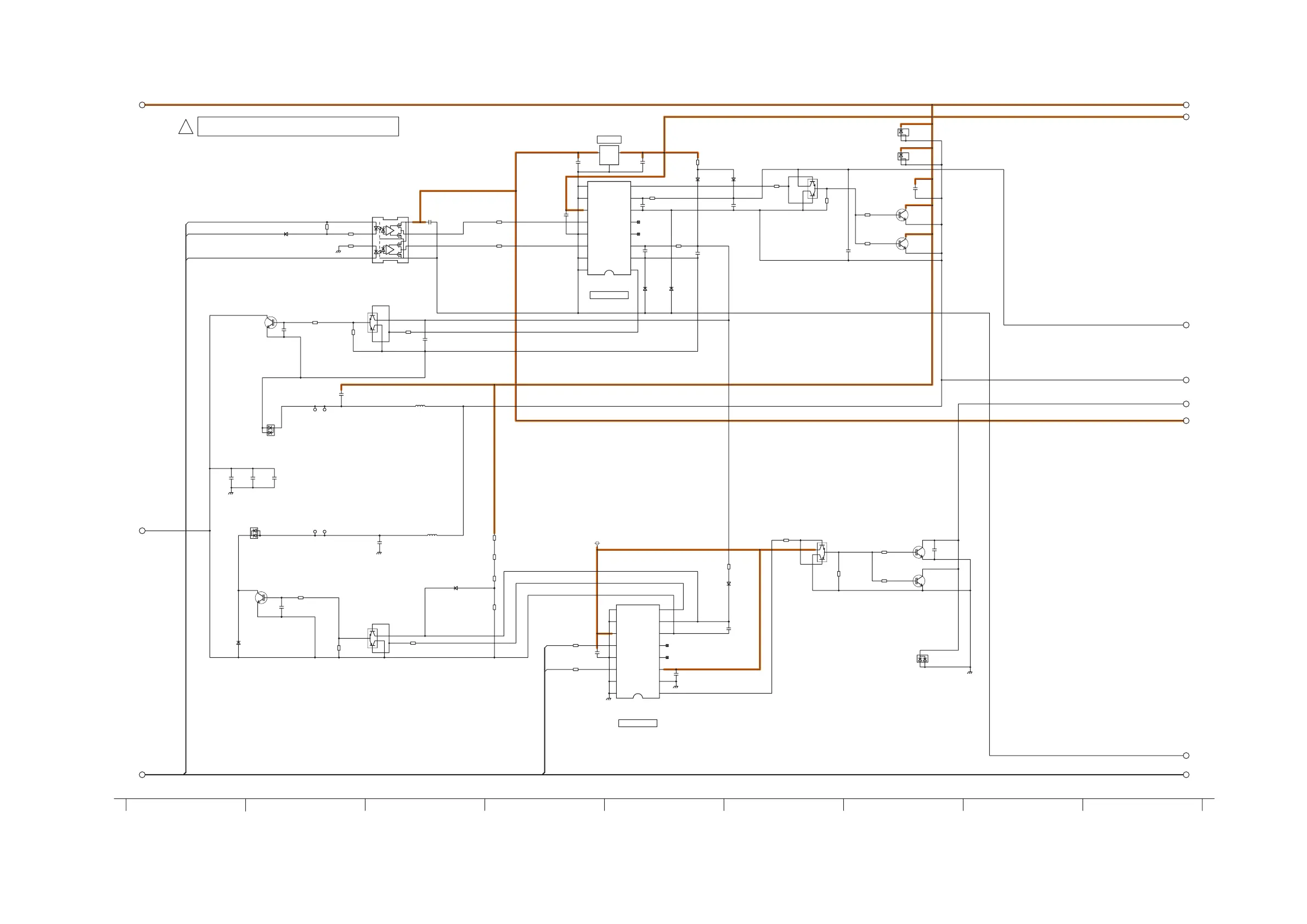
13.47. SC-Board (2/4) Schematic Diagram
+
+
+
AA_CML
AA_CSL
AA_CMH
AA_CSH
AA_CML2
15V
MIDC
VRH
VRL
C16524
25V
4.7u
C16471
630V
1000p
*C16631
250V
4u
C16491
630V
1000p
C16525
25V
4.7u
C16421
630V
5600p
C16771
16V
1u
C16501
25V
1u
C16441
50V
3900p
C16522
25V
4.7u
C16401
5600p
630V
*C16633
250V
4u
C16504
25V
4.7u
C16521
25V
1u
C16505
25V
1u
C16452
50V
3900p
*C16632
250V
4u
C16502
25V
4.7u
C16534
25V
1u
C16503
25V
470u
C16796
25V
470u
C16523
25V
470u
D16522
D1FK60-5073
D16466
B0ACCJ000048
D16411
B0ACCJ000048
D16534
B0ECHR000001
D16451
B0ECKP000055
D16503
B0ECHR000001
D16523
B0ECHR000001
D16536
B0ECHR000001
*D16421
B0FACP000006
*D16462
B0FACP000003
*D16482
B0FACP000003
*D16401
DA3DF50ACSLW
*D16402
DA3DF50ACSLW
C0ZBZ0001708
IC16521
1
LO
2
VCOM
3
VCC2
4
NC
5
NC
6
VS
7
VB
8
HO
9
NC
10
NC
11
VCC
12
HIN
13
NC
14
LIN
15
GND
16
NC
C0ZBZ0001708
IC16501
1
LO
2
VCOM
3
VCC2
4
NC
5
NC
6
VS
7
VB
8
HO
9
NC
10
NC
11
VCC
12
HIN
13
NC
14
LIN
15
GND
16
NC
IC16771
C0CBADC00072
VIN 3
2
COM
VOUT
1
*L16401
G0CR30K00001
*L16411
G0CR30K00001
15V
PC16461
PS9856-2-F3-AX
1
2
3
45
6
7
8
TP93
TP90 TP91
TP92
*Q16422
DG3D4020CSRP
*Q16403
DG3D5020CSLW
*Q16441
B1JAEP000013
*Q16452
B1JAEP000012
*Q16421
DG3D4020CSRP
*Q16402
DG3D5020CSLW
Q16551
B1HFPFA00001
Q16531
B1HFPFA00001
Q16501
B1HFPFA00001
Q16521
B1HFPFA00001
R16452
5.6
R16410
390
R16411
270
R16517
47k
R16512
47k
R16466
56k
R16533
47k
R16467
82k
R16522
100
R16416
10k
R16465
27k
R16421
7.5
R16441
5.6
R16402
7.5
R16506
10
R16422
7.5
75
R16523
R16551
10
R16417
100
R16418
100
R16503
10
R16531
10
R16521
100
R16553
47k
R16509
1
75
R16504
R16534
5.6
R16468
82k
R16403
7.5
Vad+5V
Vad+5V
VFG
VOL
MID
MIDF
VFG
16V_F
Vsus
Vsus
VAD
11 13 1410 1815 1712 16
!
MID
3
1
2
CSL/CML GATE
DRIVE CIRCUIT
FET DRIVER
FET DRIVER
CSH/CMH GATE
DRIVE CIRCUIT
Vad+5V
16V_F
Vad+5V
VAD
15
16
14
18
17
12
11
13
SC-BOARD TXNSC11VEK (2/4)

Table of Contents

Related product manuals