EasyManua.ls Logo

Panasonic TX-P50VT50E - Main Block Diagram

Panasonic TX-P50VT50E
117 pages
Print Icon
To Next Page IconTo Next Page
To Next Page IconTo Next Page
To Previous Page IconTo Previous Page
To Previous Page IconTo Previous Page
Loading...
37
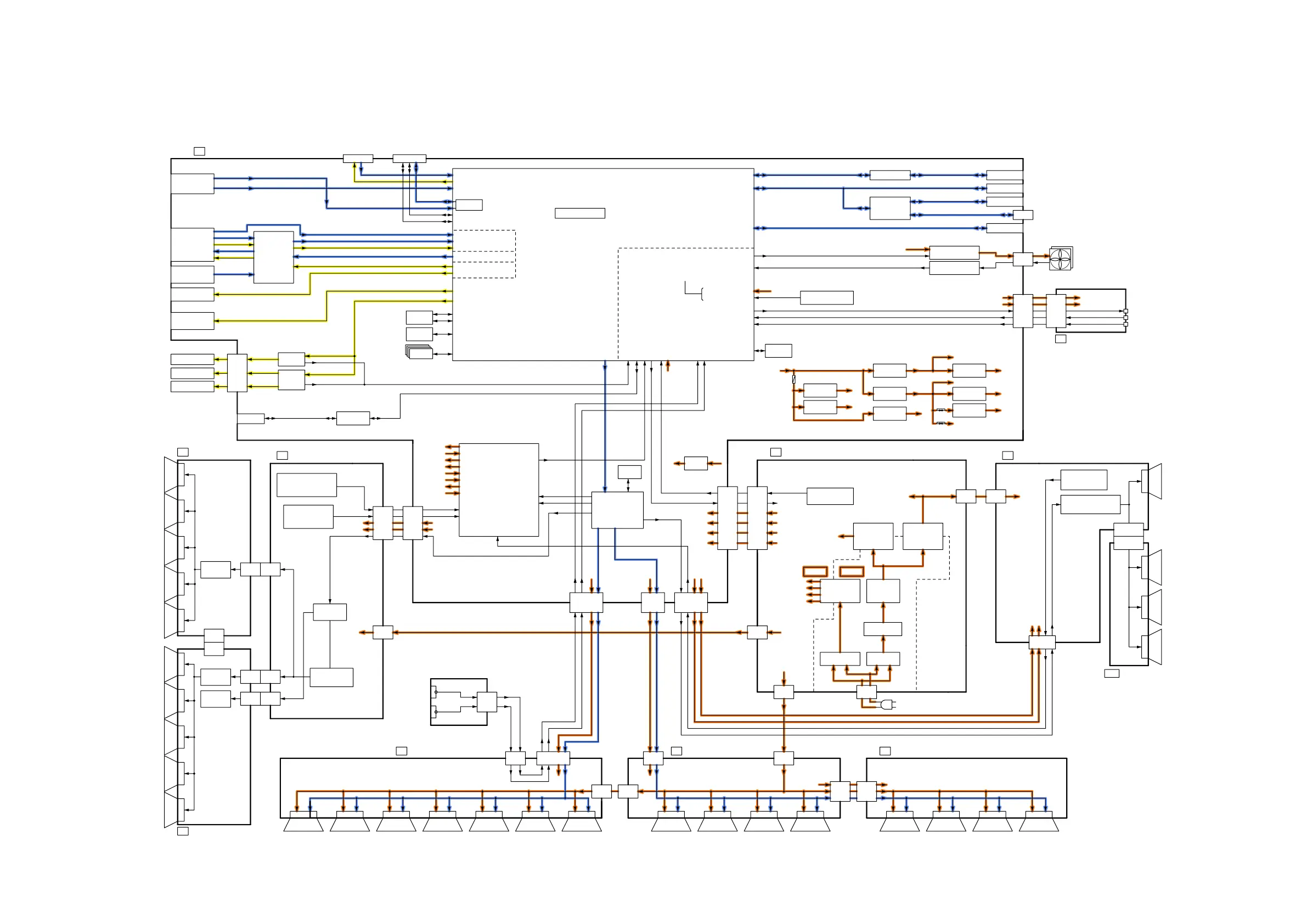
11 Block Diagram
11.1. Main Block Diagram
(LED:6TIMES)
(LED:4TIMES)
HOT
(LED:7TIMES)
(LED:8TIMES)
COLD
SUSTAIN
SD
VIDEO DATA
DATA DRIVER (CENTER)
C36
ZA16111
CONTROL UNIT ASSY
SU11
VIDEO DATA
SOS6_SC1
DATA
DRIVER
SS
SC46
OPERATION
KEYS
VSUS
VAD GEN.
PROCESS
VOLTAGE
CONVERTER
DATA
DRIVER
SS33
P9
DATA
DRIVER
VSUS GEN.
P2
VDA
DATA
DRIVER
DATA DRIVER (RIGHT)
KEY1
VE GEN.
C26
DATA DRIVER (LEFT)
RELAY
C21
P+15V
F15V
STB5V
KEY1
P11
P+3.3V
P+15V
RECTIFIER
P+5V
ZA16101
SUSTAIN
VOLTAGE
CONVERTER
F15V
SC-BOARD
FLOATING PART
SOS DETECT
SOUND15V
SC42
DATA
DRIVER
VDA
VDA
LOGIC
VSUS
SCAN
DRIVER
SUSTAIN CONTROL
C2
P+15V
SU
OUT
SCAN DRIVE
DATA
DRIVER
SD11
POWER SUPPLY
C10
SS11
P+3.3V
SOS8_SS
SOS7_SC2
SC-BOARD
ENERGY RECOVERY
SOS DETECT
P+5V
SC41
DATA
DRIVER
P+3.3V
SC2
P+3.3V
SCAN CONTROL
ZA16116
KEY3
DATA
DRIVER
VIDEO DATA
P+15V
DATA
DRIVER
VSCAN GEN.
DATA
DRIVER
ZA16106
P35
PANEL_
MAIN_ON
SD42
SUSTAIN CONTROL
VSUS
DATA
DRIVER
CONTROL
PULSE
STANDBY
VOLTAGE
CONVERTER
P+3.3V
VIDEO DATA
SUSTAIN DRIVE
POWER SW
SC20
C3
C25
SS2
C20
VSUS
P
DATA
DRIVER
DATA
DRIVER
SC
P6
SD46
P-BOARD
SOS DETECT
C1
POWER SUPPLY
RECTIFIER
SCAN OUT (UPPER)
POWER
FACTOR
CONTROL
SCAN
DRIVER
VSUS
ENERGY RECOVERY
VIDEO DATA
DATA
DRIVER
SCAN OUT (LOWER)
SOS8_SS
SU41
EV5V
AC CORD
SOS4_PS
C11
SOUND15V
(LOWER)
P+3.3V
Vda
C14
P+15V
KEY3
P+5V
VDA
SS-BOARD
SOS DETECT
DATA
DRIVER
(LED:6TIMES)
(LED:4TIMES)
HOT
(LED:7TIMES)
(LED:8TIMES)
COLD
P
P
(LED:8TIMES)
(LED:2TIMES)
(LED:6TIMES)
(LED:7TIMES)
(LED:9TIMES)
(LED:10TIMES)
(LED:4TIMES)
(LED:12TIMES)
(LED:10TIMES)
(LED:11TIMES)
(LED:11TIMES)
SUSTAIN
CONTROL
F15V
STM
ETHERNET DATA
MAIN AV INPUT,PROCESSING
VDDSD
18V33V
SUB1.5V
DCDC
K
P+3.3V
SUB1.1V
STB1.1V
DCDC
V/YPbPr/RGB
P+1.2V
ARC_OUT
SUB3.3V
DCDC
C.A.T.S. SENSOR
AUDIO
SD CARD I/F
SOS6_SC1
LAN CON I/F
PEAKS-PRO4
STB5V
DCDC
F15V
PANEL_SOS
TUNER_POWER_SOS
SPI
FLASH
TMDS DATA
AMP
PEAKS
EEPROM
LVDS DATA
P+15V
DCDC
SOS7_SC2
A6
HDMI I/F
P+15V
PANEL_SOS
P+15V_DET
EV5V
REMOTE_IN
R
DIGITAL AUDIO OUT
DCDC15V
L
IEC_OUT
SOUND_SOS
K1
REMOTE RECEIVER
SUB1.5V
A12
LVDS I/F
VIDEO DATA
WO
KEY3
L/R
SOUND15V
SOS6_SC1
AMP2
IIC1
AUDIO
POWER LED
ASDOUT
A1
KEY1
PANEL_MAIN_ON
P+3.3V
KEY1
STB3.3V
PD6H
P+15V
SUB+3.3V_SENSE
USB1-3
SOS_DCC
SUB5V
F15V
SCAN CONTROL
SUB5V
SUB1.2V
SOS7_SC2
KEY3
A20
TUNER I/F
VIDEO DATA
SD CARD DATA
SD CARD
USB I/F
SUB3.3V
SOS4_PS
SOS4_PS
P+5V
SUB9V
SOS8_SS
STB3.3V
HDMI1-4
DDR3
PANEL_MAIN_ON
USB
STB3.3V
ARC
(HDMI2)
SUB3.3V
DDR3 I/F
ANALOG-ASIC
ETHERPHY
TUNER_POWER_SOS
C.A.T.S_SENSOR
A
AV SW
SUB3.3V
CI SLOT
Parallel_
TS(CI)
TS I/F
L/R OUT
R/G/B
L/R
AV1
V OUT
V/Y/PB/PR
HEADPHONES
HP L/R
V
CVBS
L/R
V/YPbPr/RGB
CVBS
IFD_OUT
Parallel_TS(SAT)
AV IN
VIDEO OUT
AUDIO
OUT
VDAC
LO1_L/R
HP_L/R
CI I/F
CI BUS
DVB_CVBS
LO1_L/R
LED_R/G
REMOTE_RECEIVER
C.A.T.S_SENSOR
LED_R/G
FAN_SOS DET
A8
MAIN_FAN_ON
P+15V
FAN_SOS
FAN CONT.
FAN_A,B
KEY3
VIDEO DATA
A31
P+3.3V
KEY1
A32
P+5V
SOS8_SS
EV5V
DCDC
STB5V
STB5V
P+5V
P+5V
P+1.2V
DCDC
P+2.5V
P+3.3V
SUB3.3V
SUB3.3V
SUB5V
DCDC
SUB5V
SUB1.8V
P+2.5V
DCDC
SUB1.8V
P+15V
A33
FFC_OFF_DET
TEMP
SENSOR
DMD IIC1
CPU BUS
NAND
FLASH
NAND FLASH I/F
USB HUB
DP/DM
USB
DP/DM
WiFi
BLUETOOTH
A50
TUNER
AUDIO OUT
WOOFER
DIGITAL
SPEAKER(L)
SPEAKER(R)
AV2 VIDEO/
COMPONENT
ETHERNET
RS-232C
DRIVER
SBO1/SBI1
RS-232C
TXD/RXD
RS232C SBO1/SBI1
(LED:8TIMES)
(LED:2TIMES)
(LED:6TIMES)
(LED:7TIMES)
(LED:9TIMES)
(LED:10TIMES)
(LED:4TIMES)
(LED:12TIMES)
(LED:10TIMES)
(LED:11TIMES)
(LED:11TIMES)

Table of Contents

Related product manuals