EasyManua.ls Logo

Panasonic TX-P50VT50E - Block (2;4) Diagram

Panasonic TX-P50VT50E
117 pages
Print Icon
To Next Page IconTo Next Page
To Next Page IconTo Next Page
To Previous Page IconTo Previous Page
To Previous Page IconTo Previous Page
Loading...
39
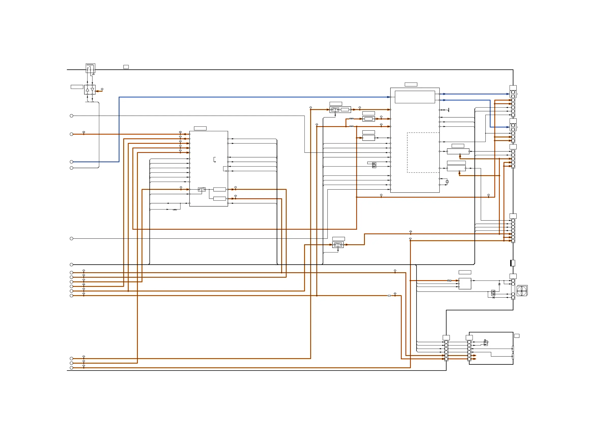
11.3. Block (2/4) Diagram
(LED:9TIMES)
(LED:11 TIMES)
(LED:6TIMES)
(LED:8TIMES)
(LED:7TIMES)
P
P
S
G
R
F15V
STB3.3V
X9300
D9802
SUB3.3V
P+3.3V
PA8702
DCDC15V
D8756
P+3.3V
VJ9005
SUB9V
SUB5V
STB3.3V
VDDSD18V33V
D8752
SUB3.3V
STB1.1V
VJ9006
P+3.3V
STB1.1V
P+2.5V
P+3.3V
VDDSD18V33V
DCDC15V
STB3.3V
D8753
P+15V
F15V
SUB5V
P+5V
STB5V
VJ5000
STB5V
SUB_AI3.3V
SUB9V
P+15V
D2820
P+1.2V
STB3.3V
4
RF_LR
3.3V
OFF_FLAG
STB5V_SW_ON_A
P_S0
DRVRST
PD6H_XRST_SYS
A32
P_S1
P_S0
P_S1
XRST_SYS
DRVRST
10
P+15V
IC9005
5
KEY
KEY_POWER
VIDEO DATA
SN2810
P+3.3V
SOS_DCC
2
4
4
K
DCDCEN
SCAN CONTROL
SUB5V
SC20
IC9803
C.A.T.S. SENSOR
FAN A,B
FAN CONTROL
7
MAIN_FAN_ON
A20
FAN_SOS
SOS6_SC1
SOS7_SC2
SOS8_SS
9
P+3.3V
IC9300
DTV_15V
P+5V
POWER LED
29
7
DCDC_CTL
P+5V
SC_UHZ
DATA DRIVER CONTROL
SS33
A1
+2.5V
R_LED_ON
PANEL_SOS
6
A
40
PD6H
SOS_DCC
SOS8_SS
LVDS DATA
3
SOS_DCC
DATA DRIVER CONTROL
1
MAIN AV INPUT,PROCESSING
PLASMA AI
CPG
H/V Sync Control
Sub Filed Processor
C11
A33
IC8702
SD_VCC
2
STB+1.1V
SUB_AI3.3V
REMOTE RECEIVER
P+3.3V
STB+3.3V
R_LED_ON
SUSTAIN CONTROL
XRSTSTM
DISPEN
VIDEO DATA
INIT_DONE
IC9402
INIT_DONE
9
DISPEN
SUSTAIN DATA
BUFFER
1
1
LOGO_ON
D_UHZ
2.5V
FFC_OFF_DET
SW_OFF_DET
6
LOGO_ON
FFC_OFF_DET
REMOTE
RECEIVER
3
30
SPI
FLASH
13
XRST
+1.2V
FAN_CHANGE
DTV_RST
C21
SI/SO
1
IC9304
SCAN DATA
BUFFER
POWER_DET
12
SUB9V
A8
KEYSCAN
C.A.T.S SENSOR
54
20MHz
UHZ
STBRST
DRVRST
BUFF_EN
KEY1
2
55
3
P+15V
LVDS DATA
15
1
P+15V
1
X1
POWER_DET
FFC_OFF_DET
STB3.3V
SOS6_SC1
SOS7_SC2
PANEL_SOS
5
8
VIDEO DATA
SUSTAIN CONTROL
SOS6_SC1
SCAN CONTROL
DRVRST_
IN
VIDEO DATA
SOS_DCC
14
C.A.T.S
2
11
A31
C.A.T.S
54
IC9400,01
P+3.3V
K1
UHZ
UHZ
RM2810
P+15V
DISCHARGE CONTROL
SOS6_SC1
FFC_OFF_DET
FLASH I/F
3
DRVRST_
OUT
SOS8_SS
4
DCDCEN
IIC0
6
6
PDP_DRVRST
X0
SOS8_SS
SC_UHZ
SOS7_SC2
1.2V
16
D_UHZ
SOS7_SC2
P+1.2V
DATA DRIVER CONTROL
G_LED_ON
2
G_LED_ON
POWER LED
P+15V DET
REMOTE_INREMOTE_IN
RXD
TXD
DRIVER
RS232C
JK3103
RS-232C
SBO1
SBI1
RS-232C
IC3851
RS-232C
4
CN0100
IIC0
IIC1
STM_IIC
SBO0/SBI0
FOR
FACTORY
USE
IC9804
P+5V
DCDCEN
1
3
6
2
4
7
ANALOG-ASIC
IC5000
(LED:9TIMES)
(LED:11 TIMES)
(LED:6TIMES)
(LED:8TIMES)
(LED:7TIMES)
5

Table of Contents

Related product manuals